Котел Baxi AMPTEC - инструкция пользователя по применению, эксплуатации и установке на русском языке. Мы надеемся, она поможет вам решить возникшие у вас вопросы при эксплуатации техники.
Если остались вопросы, задайте их в комментариях после инструкции.
"Загружаем инструкцию", означает, что нужно подождать пока файл загрузится и можно будет его читать онлайн. Некоторые инструкции очень большие и время их появления зависит от вашей скорости интернета.

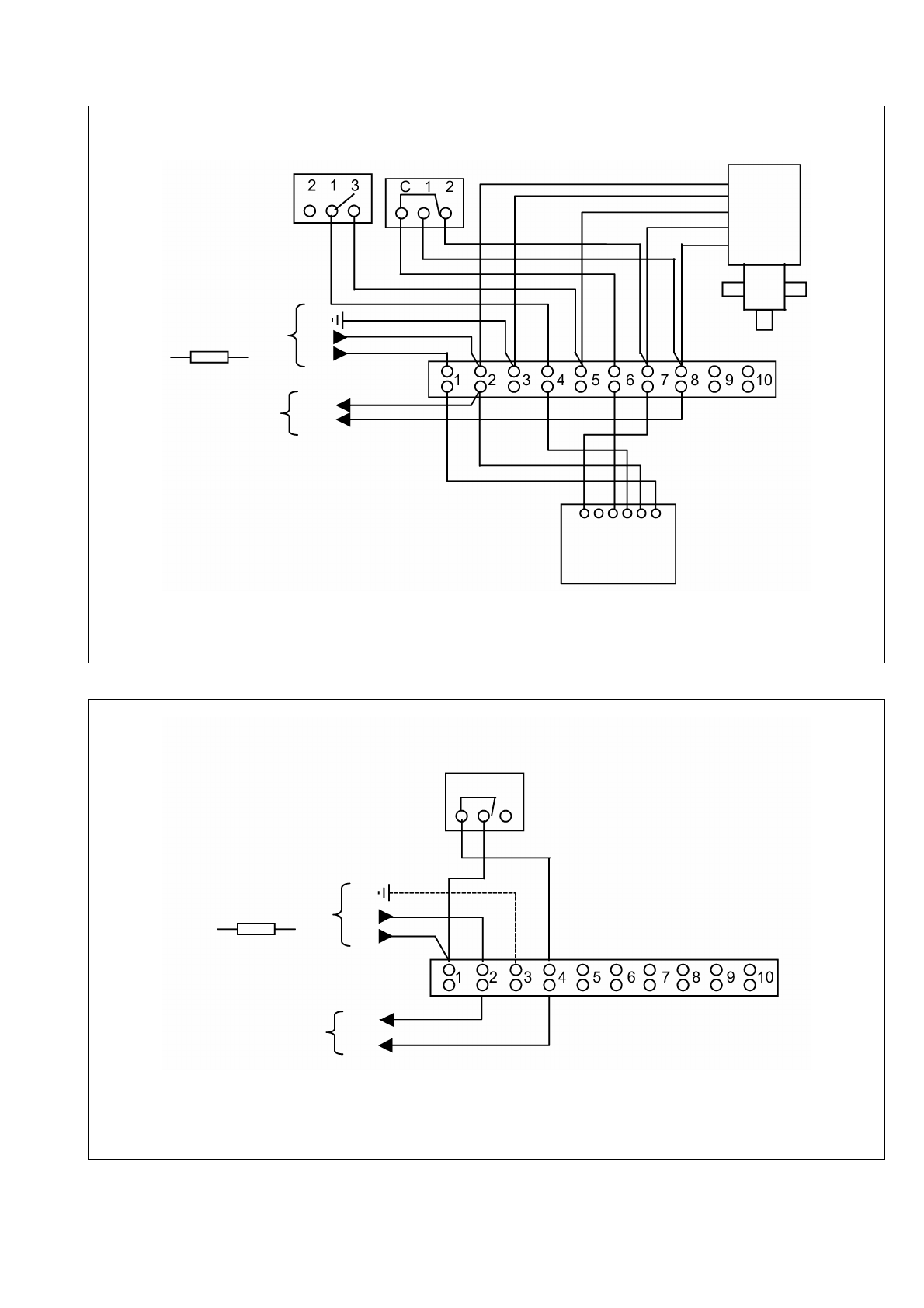
РИС
. 9
ТИПИЧНАЯ
ЭЛЕКТРИЧЕСКАЯ
СХЕМА
Y PLAN
РИС
. 10
ТИПИЧНАЯ
ЭЛЕКТРИЧЕСКАЯ
СХЕМА
ПРИ
ИСПОЛЬЗОВАНИИ
КОТЛА
ТОЛЬКО
ДЛЯ
ОТОПЛЕНИЯ
ROOM STAT
CYLINDER STAT
КЛАПАН
В
СРЕДНЕМ
ПОЛОЖЕНИИ
СИНИЙ
ЗЕЛ
./
ЖЕЛТ
.
КОРИЧНЕВЫЙ
СЕРЫЙ
ОРАНЖЕВЫЙ
E
N
L
N
RUN
ОТ
АВТОМАТА
С
ПРЕДОХРАНИТЕЛЕМ
НА
3
А
ИЛИ
MCB
К
КОТЛУ
ПРОГРАММНЫЙ
РЕГУЛЯТОР
L
N
CH ON
HW ON
CH OFF
HW OF
F
ПРОГРАММИРУЕМЫЙ
КОМНАТНЫЙ
ТЕРМОСТАТ
E
N
L
К
КОТЛУ
N
RUN
ОТ
АВТОМАТА
С
ПРЕДОХРАНИТЕЛЕМ
НА
3
А
ИЛИ
MCB