Котел Baxi AMPTEC - инструкция пользователя по применению, эксплуатации и установке на русском языке. Мы надеемся, она поможет вам решить возникшие у вас вопросы при эксплуатации техники.
Если остались вопросы, задайте их в комментариях после инструкции.
"Загружаем инструкцию", означает, что нужно подождать пока файл загрузится и можно будет его читать онлайн. Некоторые инструкции очень большие и время их появления зависит от вашей скорости интернета.

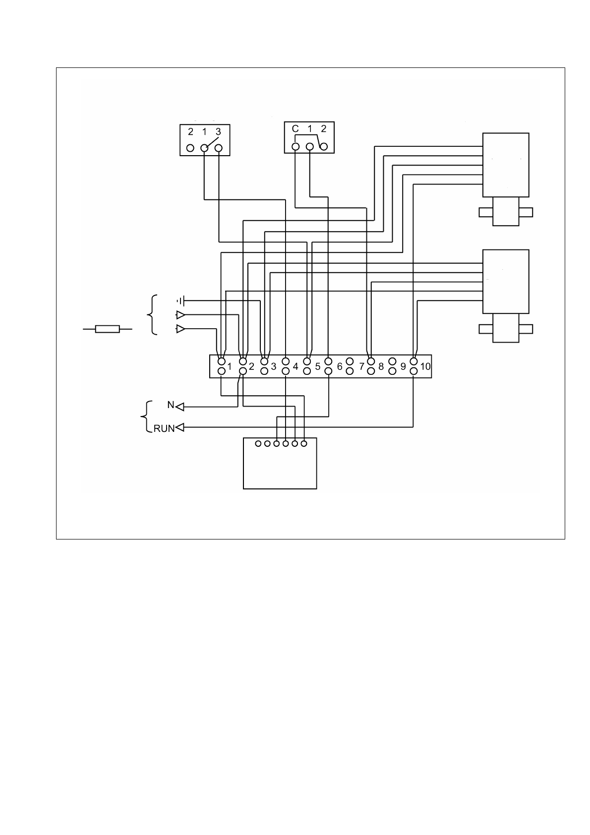
РИС
. 8
ТИПИЧНАЯ
ЭЛЕКТРИЧЕСКАЯ
СХЕМА
S PLAN
ROOM STAT
CYLINDER STAT
ДВУХПУТЕВОЙ
РАСПРЕДЕЛИТЕЛЬ
СИНИЙ
ЗЕЛ
./
ЖЕЛТ
.
КОРИЧНЕВЫЙ
СЕРЫЙ
ОРАНЖЕВЫЙ
СИНИЙ
ЗЕЛ
./
ЖЕЛТ
.
КОРИЧНЕВЫЙ
СЕРЫЙ
ОРАНЖЕВЫЙ
АВТОМАТ
С
ПРЕДОХРАНИТЕЛЕМ
НА
3
А
ИЛИ
MCB
К
КОТЛУ
E
N
L
L
N
CH ON
HW ON
CH OFF
HW OF
F
ПРОГРАММНЫЙ
РЕГУЛЯТОР