Timberk VRF TVM-Pd140W/NaB-K - Инструкция по эксплуатации - Страница 126

Кондиционеры Timberk VRF TVM-Pd140W/NaB-K - инструкция пользователя по применению, эксплуатации и установке на русском языке. Мы надеемся, она поможет вам решить возникшие у вас вопросы при эксплуатации техники.

Если остались вопросы, задайте их в комментариях после инструкции.

"Загружаем инструкцию", означает, что нужно подождать пока файл загрузится и можно будет его читать онлайн. Некоторые инструкции очень большие и время их появления зависит от вашей скорости интернета.
Страница:
/ 142
Загружаем инструкцию
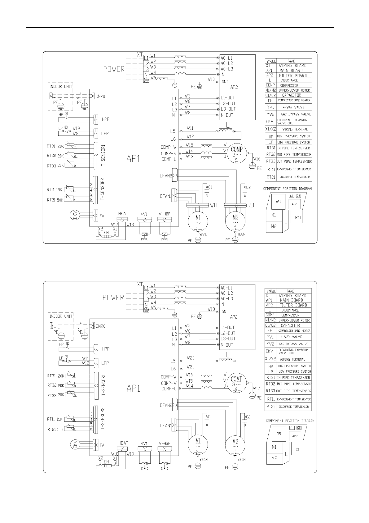
background image

126

И н с т р у к ц и я   п о   э к с п л у а т а ц и и   •   М у л ь т и з о н а л ь н а я   с и с т е м а   и н в е р т о р н о г о   т и п а   с е р и и   P d

TMV-Pd140W/NaB-M

TMV-Pd160W/NaB-M

Полезные видео

Характеристики

Оцените статью
tehnopanorama.ru
Остались вопросы?

Не нашли свой ответ в руководстве или возникли другие проблемы? Задайте свой вопрос в форме ниже с подробным описанием вашей ситуации, чтобы другие люди и специалисты смогли дать на него ответ. Если вы знаете как решить проблему другого человека, пожалуйста, подскажите ему :)

Задать вопрос

Часто задаваемые вопросы
Как посмотреть инструкцию к Timberk VRF TVM-Pd140W/NaB-K?
Необходимо подождать полной загрузки инструкции в сером окне на данной странице
Руководство на русском языке?
Все наши руководства представлены на русском языке или схематично, поэтому вы без труда сможете разобраться с вашей моделью
Как скопировать текст из PDF?
Чтобы скопировать текст со страницы инструкции воспользуйтесь вкладкой "HTML"