Кондиционеры KENTATSU KSGY26HZRN1 - инструкция пользователя по применению, эксплуатации и установке на русском языке. Мы надеемся, она поможет вам решить возникшие у вас вопросы при эксплуатации техники.
Если остались вопросы, задайте их в комментариях после инструкции.
"Загружаем инструкцию", означает, что нужно подождать пока файл загрузится и можно будет его читать онлайн. Некоторые инструкции очень большие и время их появления зависит от вашей скорости интернета.

Кондиционеры настенного типа. Y UMO
17
Сплит-системы
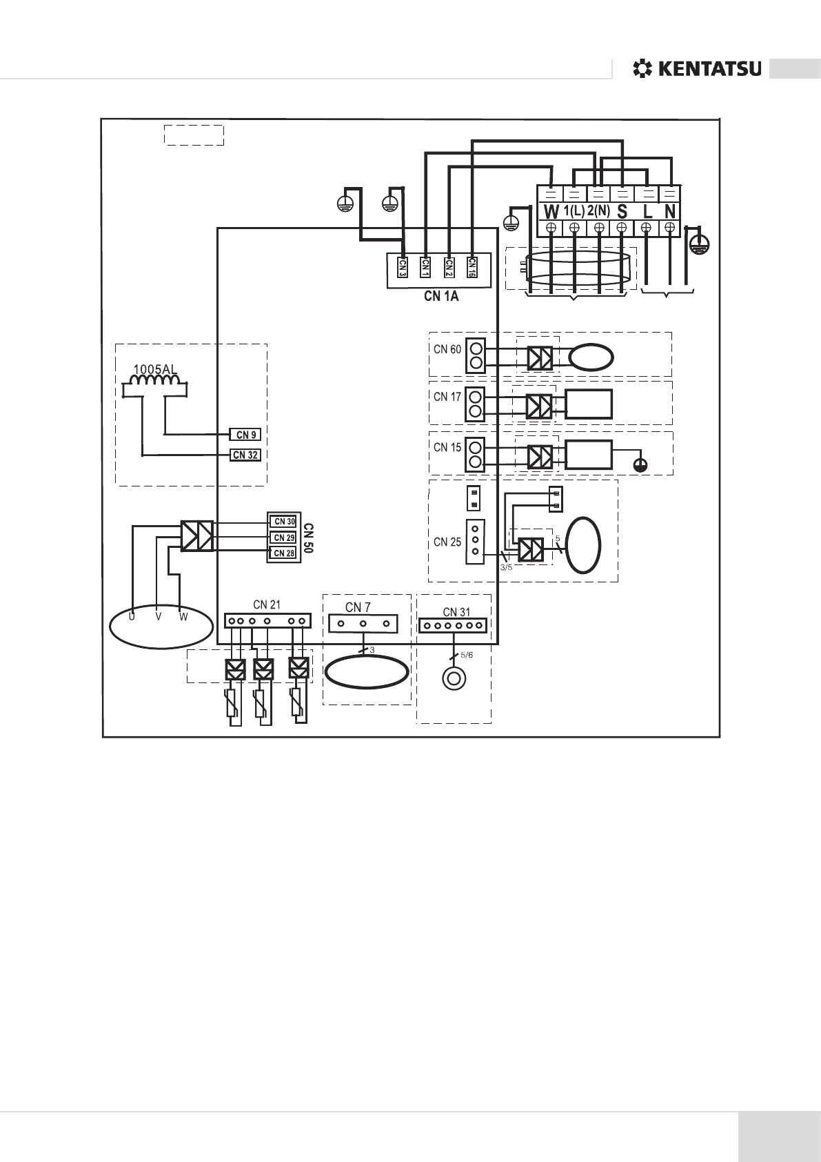
Схема электропроводки наружного блока: KSRY26HZRN1,KSRY35HZRN1,KSRY53HZRN1.
Пунктиром обозначены элементы, приоб-
ретаемые дополнительно. Их внешний вид
может отличаться от показанного на схеме.
Этот символ указывает на то, что данный
элемент имеется в различных положениях.
Ж/З
Ж/З
Ж/З
О
П
Ц
ИЯ
ВНУТРЕННИЙ БЛОК
РЕГУЛЯТОР
СИНИЙ
ИЛИ
БЕЛЫЙ
ОПЦИЯ
ОПЦИЯ
4-ХОД.
НАГРЕВАТЕЛЬ
К АРТЕРА
КОМПРЕС-
СОРА
НАГРЕВА-
ТЕЛЬ
ПОД ДОНА
О
П
Ц
ИЯ
ВЕ
Н
Т
И
Л
Я
-
Т
О
Р
П
Е
Р
Е
М
.
ТО
К
А
ОПЦИЯ
ОПЦИЯ
ОПЦИЯ
Ж/З
ОПЦИЯ
ОПЦИЯ
КОНДЕНСАТОР
ОПЦИЯ
СИНИЙ
СИНИЙ
СИНИЙ
К
Р
АС
НЫ
Й
КРАСНЫЙ
КРАСНЫЙ
ЧЕРНЫЙ
КОМПРЕССОР
ГЛАВНАЯ
ПЛАТА
ЧЕРНЫЙ
БЕЛЫЙ
СИНИЙ ИЛИ БЕЛЫЙ
ЭЛЕКТРО-
ПИТАНИЕ
Ж/З
СИНИЙ
КОРИЧНЕВЫЙ
КРАСНЫЙ
ЖЕЛТЫЙ ИЛИ ЧЕРНЫЙ
СИНИЙ ИЛИ
ЧЕРНЫЙ
Примечания:
ОПЦИЯ
ТЕМПЕРАТ УРА
НА СТОРОНЕ
НАГНЕТАНИЯ
Д
А
Т
Ч
И
К
Т
Е
М
П
.
К
ОН
Д
Е
НС
А
Т
ОР
А
Д АТЧИК ТЕМ. ОКР.
ВОЗДУ Х А В ПО-
МЕЩЕНИИ
ВЕНТ. ПОСТ.
ТОК А (DC-FAN)
ОПЦИЯ
ЭЛЕКТРОННЫЙ
РАСШИРИТЕЛЬНЫЙ
ВЕНТИЛЬ
ОПЦИЯ
ПРИМЕЧАНИЕ. Как требует
управление в режиме ожидания,
поперечное сечение проводов,
присоединенных к клеммам W, 1
(L), 2(N), должно соответствовать
максимальному току системы.
Максимальный ток системы равен
сумме номинальных токов вну-
треннего и наружного блоков.
Содержание
- 2 Кондиционеры настенного типа. Y UMO; Содержание; Правила при работе с хладагентами
- 3 Меры предосторожности; Эксплуатация и техническое обслуживание
- 4 ВНИМАНИЕ; статочной прочностью.
- 5 Отсутствие источников воспламенения
- 6 Проверки электрического оборудования; жать возможного искрения.; Ремонтные работы на герметичных компонентах
- 7 Обнаружение присутствия возгораемых хладагентов; • Должна соблюдаться следующая процедура:
- 9 Технические характеристики; Внутренний блок
- 10 мм
- 11 Модель
- 15 Электрические схемы; Сокращения - внутренний блок; Сокращения - наружный блок; Сокращения
- 16 ION; ГЛАВНАЯ ПЛАТА
- 17 ИЯ; КОМПРЕССОР; ГЛАВНАЯ
- 20 Наименование; реального блока имеют приоритетное значение.
- 23 Дисплей
- 24 Функции обеспечения безопасности; -минутная задержка компрессора при перезапуске; чается через 7 секунд.; Резервирование датчиков и автоматическое выключение
- 29 Функция автоматического перезапуска
- 30 Дополнительные функции
- 31 Многофункциональная плата управления; чатной плате и к плате индикации.; проводного управления
- 32 Пульт неполярного проводного управления; одинаковые настройки и состояния.; Выходной сигнал порта аварийного сигнала; нированные кабели. Длина кабелей не должна превышать 50 м.
- 33 Длина и перепад высот трубопровода; Производительность; Внутренний блок установлен
- 34 Проверка после монтажа; Проверка герметичности (с помощью мыльного раствора); Удаление воздуха с помощью вакуумного насоса; Порядок действий
- 35 Контрольный клапан; ОТКРЫТ
- 36 Сбор хладагента в наружном блоке; му отверстию стороны газа 3-ходового клапана.
- 37 Удаление воздуха с помощью вакуумного насоса; должайте откачку еще в течение 20 минут.
- 38 Вакуумирование всей системы; Вакуумный насос
- 39 Заправка хладагента
- 40 Техника безопасности; ОСТОРОЖНО
- 41 Поиск и устранение часто встречающихся неисправностей; Для других ошибок
- 42 Частота мигания светодиода; Нормальный режим ожидания
- 43 Бланк претензии
- 44 Информация о проверке параметров с помощью пульта ДУ
- 47 ошибок; Дистанционное техническое обслуживание; ние на месте, проверьте с заказчиком следующие пункты.
- 51 Быстрое техническое обслуживание с помощью кодов ошибок; EL OC; Подлежащая замене деталь
- 52 Техническое обслуживание с помощью кодов ошибок; Рекомендуется подготовить следующие детали; Отключите электропитание и вновь включите его
- 53 Описание; : Отсутствует связь внутреннего блока с наружным блоком
- 54 S и N
- 56 вращения вентилятора, находящейся вне нормального диапазона)
- 57 Красный Черный Белый Желтый Синий
- 60 блока и платой дисплея)
- 65 Проверьте, надежно ли затянуты винты крепления на
- 69 Порядок проведения проверки; и фактическое значение могут отличаться.
- 70 Сопротивление
- 71 Проверка проводимости блока электропитания; Вт
- 72 Приложение; КОм
- 74 iii) Давление у сервисного порта; БАР
Характеристики
Остались вопросы?Не нашли свой ответ в руководстве или возникли другие проблемы? Задайте свой вопрос в форме ниже с подробным описанием вашей ситуации, чтобы другие люди и специалисты смогли дать на него ответ. Если вы знаете как решить проблему другого человека, пожалуйста, подскажите ему :)













