Кондиционеры KENTATSU KSGY26HZRN1 - инструкция пользователя по применению, эксплуатации и установке на русском языке. Мы надеемся, она поможет вам решить возникшие у вас вопросы при эксплуатации техники.
Если остались вопросы, задайте их в комментариях после инструкции.
"Загружаем инструкцию", означает, что нужно подождать пока файл загрузится и можно будет его читать онлайн. Некоторые инструкции очень большие и время их появления зависит от вашей скорости интернета.

Кондиционеры настенного типа. Y UMO
16
Сплит-системы
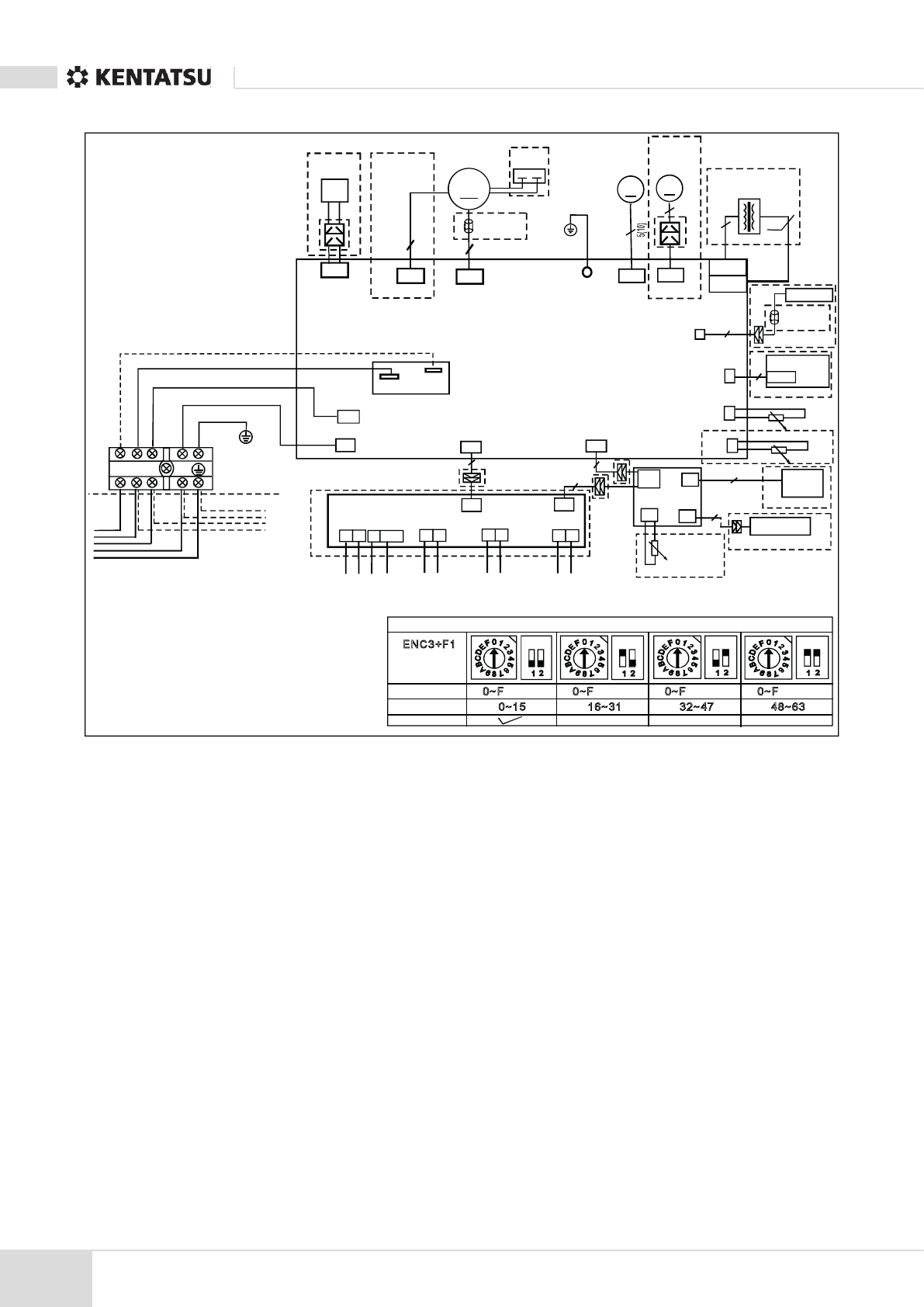
Схема электропроводки внутреннего блока: KSGY26HZRN1,KSGY35HZRN1,KSGY53HZRN1,KSGY 70HZRN1.
N_IN
CN31
RY1
L-OUT
L-IN
W
2(N)
S
CN18
1(L)
CN32
0
8
1 2
0
8
1 2
0
8
1 2
0
8
1 2
- - - -
M
CN19
M
CN12
ION
CN27
3
CN13
2
CN26
CN29
CN15
2
CN701
2
CN14
P_1
4
2
CN3
5
CN2
CN4
CN1
CN40
CN43
CN42
CN41
CN45
CN46
CN44
X Y E 12V/5V
HA HB
4(8)
3
2
2 2
2
5
M
CN22
2(4)
CN10
CN11
2
СХЕМА ЭЛЕКТРОПРОВОДКИ
ВНУТРЕННЕГО БЛОКА
ОПЦИЯ
ОПЦИЯ
Только для
электродв. пер.
тока
ВЕНТИЛЯТОР
ВНУТРЕННЕГО
БЛОК А
КОНД.
5 (3 или 2)
ОПЦИЯ
ОПЦИЯ
ОПЦИЯ
ТРАНСФОРМАТОР
ДВИГАТЕЛЬ
ПРИВОД А
Ж А ЛЮЗИ 2
ДВИ
ГА
ТЕ
ЛЬ П
РИ
ВО
Д
А
Ж
АЛ
Ю
ЗИ 1
БЕЛЫЙ
КРАСНЫЙ
СИНИЙ (ЧЕРНЫЙ)
ЖЕЛТЫЙ
ВНУТРЕННИЙ БЛОК
НАРУ ЖНЫЙ БЛОК
Для системы MONO c
функцией дежурного
режима (1 Вт)
Для систем MULTI и
MONO без функции
дежурного режима (1 Вт)
Ж/З
ОП
Ц
ИЯ
МНОГОФУНКЦИОНА ЛЬНАЯ ПЛАТА
УПРАВЛЕНИЯ
ГЛАВНАЯ ПЛАТА
ПЛАЗМА/ УФ-
СТЕРИЛИЗАТОР
МАГНИТНОЕ
КОЛЬЦО (ОПЦИЯ)
ОПЦИЯ
ОПЦИЯ
ОПЦИЯ
ОПЦИЯ
ОПЦИЯ
Д АТЧИК ТЕМПЕРАТУРЫ ТРУБЫ
ДАТЧИК ТЕМПЕРАТУРЫ В ПОМЕЩЕНИИ
ЩИТ УПРАВЛЕНИЯ
ПЛАТА ДИСПЛЕЯ
Д АТЧИК
ТЕМПЕРАТУРЫ В
ПОМЕЩЕНИИ
ОПЦИЯ
К шине связи CCM или
к пульту проводного
управления 485
Пунктиром обозначены
элементы, приобретаемые допол-
нительно. Их внешний вид может
отличаться от показанного на схеме.
НАСТРОЙК А СЕТЕВОГО А ДРЕСА (шина связи ССМ)
(МНОГОФУНКЦИ-
ОНА ЛЬНАЯ ПЛАТА
УПРАВЛЕНИЯ)
ОБОЗНАЧЕНИЕ
СЕТЕВОЙ А ДРЕС
ЗАВОДСКИЕ НАСТРОЙКИ
К произвольно
подключаемому
проводному пульту
управления
К системе
дистанционной
сигнализации
К дистанционному
выключателю
Wi-Fi пульт
управления
Проводной пульт
управления
ВК Л.
ВК Л.
ВК Л.
ВК Л.
МАГНИТНОЕ
КОЛЬЦО
(ОПЦИЯ)
Содержание
- 2 Кондиционеры настенного типа. Y UMO; Содержание; Правила при работе с хладагентами
- 3 Меры предосторожности; Эксплуатация и техническое обслуживание
- 4 ВНИМАНИЕ; статочной прочностью.
- 5 Отсутствие источников воспламенения
- 6 Проверки электрического оборудования; жать возможного искрения.; Ремонтные работы на герметичных компонентах
- 7 Обнаружение присутствия возгораемых хладагентов; • Должна соблюдаться следующая процедура:
- 9 Технические характеристики; Внутренний блок
- 10 мм
- 11 Модель
- 15 Электрические схемы; Сокращения - внутренний блок; Сокращения - наружный блок; Сокращения
- 16 ION; ГЛАВНАЯ ПЛАТА
- 17 ИЯ; КОМПРЕССОР; ГЛАВНАЯ
- 20 Наименование; реального блока имеют приоритетное значение.
- 23 Дисплей
- 24 Функции обеспечения безопасности; -минутная задержка компрессора при перезапуске; чается через 7 секунд.; Резервирование датчиков и автоматическое выключение
- 29 Функция автоматического перезапуска
- 30 Дополнительные функции
- 31 Многофункциональная плата управления; чатной плате и к плате индикации.; проводного управления
- 32 Пульт неполярного проводного управления; одинаковые настройки и состояния.; Выходной сигнал порта аварийного сигнала; нированные кабели. Длина кабелей не должна превышать 50 м.
- 33 Длина и перепад высот трубопровода; Производительность; Внутренний блок установлен
- 34 Проверка после монтажа; Проверка герметичности (с помощью мыльного раствора); Удаление воздуха с помощью вакуумного насоса; Порядок действий
- 35 Контрольный клапан; ОТКРЫТ
- 36 Сбор хладагента в наружном блоке; му отверстию стороны газа 3-ходового клапана.
- 37 Удаление воздуха с помощью вакуумного насоса; должайте откачку еще в течение 20 минут.
- 38 Вакуумирование всей системы; Вакуумный насос
- 39 Заправка хладагента
- 40 Техника безопасности; ОСТОРОЖНО
- 41 Поиск и устранение часто встречающихся неисправностей; Для других ошибок
- 42 Частота мигания светодиода; Нормальный режим ожидания
- 43 Бланк претензии
- 44 Информация о проверке параметров с помощью пульта ДУ
- 47 ошибок; Дистанционное техническое обслуживание; ние на месте, проверьте с заказчиком следующие пункты.
- 51 Быстрое техническое обслуживание с помощью кодов ошибок; EL OC; Подлежащая замене деталь
- 52 Техническое обслуживание с помощью кодов ошибок; Рекомендуется подготовить следующие детали; Отключите электропитание и вновь включите его
- 53 Описание; : Отсутствует связь внутреннего блока с наружным блоком
- 54 S и N
- 56 вращения вентилятора, находящейся вне нормального диапазона)
- 57 Красный Черный Белый Желтый Синий
- 60 блока и платой дисплея)
- 65 Проверьте, надежно ли затянуты винты крепления на
- 69 Порядок проведения проверки; и фактическое значение могут отличаться.
- 70 Сопротивление
- 71 Проверка проводимости блока электропитания; Вт
- 72 Приложение; КОм
- 74 iii) Давление у сервисного порта; БАР
Характеристики
Остались вопросы?Не нашли свой ответ в руководстве или возникли другие проблемы? Задайте свой вопрос в форме ниже с подробным описанием вашей ситуации, чтобы другие люди и специалисты смогли дать на него ответ. Если вы знаете как решить проблему другого человека, пожалуйста, подскажите ему :)













