Кондиционеры KENTATSU KSGP26HZRN1 - инструкция пользователя по применению, эксплуатации и установке на русском языке. Мы надеемся, она поможет вам решить возникшие у вас вопросы при эксплуатации техники.
Если остались вопросы, задайте их в комментариях после инструкции.
"Загружаем инструкцию", означает, что нужно подождать пока файл загрузится и можно будет его читать онлайн. Некоторые инструкции очень большие и время их появления зависит от вашей скорости интернета.

Кондиционеры настенного типа. SEMPAI
16
Сплит-системы
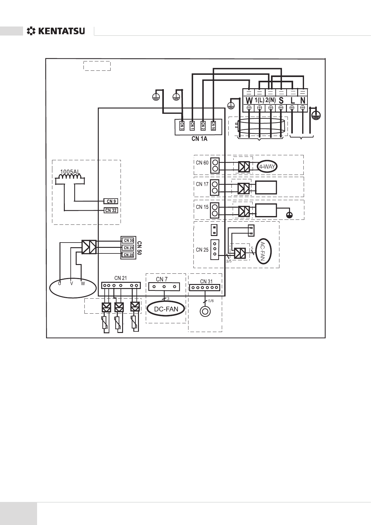
Схема электропроводки наружного блока: KSRP26HZRN1, KSRP35HZRN1
Примечания
Пунктиром обозначены элементы,
приобретаемые дополнительно. Их внешний
вид может отличаться от показанного на схеме.
Ж/З
Ж/З
Ж/З
Ж/З
ОП
ЦИЯ
ОПЦИЯ
ОПЦИЯ
ОПЦИЯ
ОПЦИЯ
ОПЦИЯ
НАГРЕВАТЕЛЬ
К АРТЕРА
НАГРЕВАТЕЛЬ
ПОД ДОНА
КОНДЕНСАТОР
ОПЦИЯ
ОПЦИЯ
ОП
ЦИЯ
СИНИЙ
ЖЕЛТЫЙ ИЛИ ЧЕРНЫЙ
СИНИЙ ИЛИ ЧЕРНЫЙ
ВНУТРЕННИЙ БЛОК
ЭЛЕКТРОПИТАНИЕ
КОРИЧНЕВЫЙ
КРАСН.
Этот символ указывает на то, что данный
элемент имеется в различных положениях.
РЕГУЛЯТОР
СИНИЙ
ИЛИ
БЕЛЫЙ
СИНИЙ ИЛИ БЕЛЫЙ
ОПЦИЯ
ОПЦИЯ
ОПЦИЯ
ОПЦИЯ
ТЕМПЕРАТУРА НА
СТОРОНЕ НАГНЕТАНИЯ
Д
АТ
ЧИ
К Т
ЕМ
П.
КОН
ДЕ
НС
АТ
ОР
А
Д АТЧИК ТЕМ. ОКР. ВОЗДУ Х А
В ПОМЕЩЕНИИ
ЭЛЕКТРОННЫЙ
РАСШИРИТЕЛЬНЫЙ
ВЕНТИЛЬ
ПРИМЕЧАНИЕ. Как требует управление в
режиме ожидания, поперечное сечение
проводов, присоединенных к клеммам
W, 1 (L), 2(N), должно соответствовать
максимальному току системы.
Максимальный ток системы равен
сумме номинальных токов внутреннего и
наружного блоков.
СИНИЙ
СИНИЙ
СИНИЙ
КРАСНЫЙ
КРАСН.
ГЛАВНАЯ
ПЛАТА
БЕЛЫЙ
ЧЕРНЫЙ
ЧЕРН.
КОМПРЕССОР
КРА
СН
Ы
Й
Содержание
- 2 Кондиционеры настенного типа. SEMPAI; Содержание; Правила при работе с хладагентами
- 3 Меры предосторожности; Эксплуатация и техническое обслуживание; ОСТОРОЖНО
- 4 ВНИМАНИЕ; статочной прочностью.
- 5 Отсутствие источников воспламенения
- 6 Проверки электрического оборудования; жать возможного искрения.; Ремонтные работы на герметичных компонентах
- 7 Обнаружение присутствия возгораемых хладагентов; • Должна соблюдаться следующая процедура:
- 9 Технические характеристики; Внутренний блок
- 11 Трубопровод хладагента
- 14 Электрические схемы; Сокращения - внутренний блок; Сокращения - наружный блок; Сокращения
- 15 ОПЦИЯ; ГЛАВНАЯ ПЛАТА
- 16 Примечания; РЕГУЛЯТОР; ГЛАВНАЯ; КОМПРЕССОР
- 18 Наименование
- 19 Дисплей
- 20 Функции обеспечения безопасности; -минутная задержка компрессора при перезапуске; истечении заданного времени или при перемещении жалюзи на место.; Предварительный подогрев компрессора
- 26 Функция автоматического перезапуска; матически выключается и отключает функцию активной очистки.
- 27 Эта функция доступна в режимах охлаж дения, вентиляции и осушки.
- 28 Длина и перепад высот трубопровода; Производительность
- 29 Проверка после монтажа; Проверка герметичности (с помощью мыльного раствора); Удаление воздуха с помощью вакуумного насоса; Порядок действий
- 30 ОТКРЫТ
- 31 Сбор хладагента в наружном блоке; му отверстию стороны газа 3-ходового клапана.
- 32 Удаление воздуха с помощью вакуумного насоса; должайте откачку еще в течение 20 минут.
- 33 Вакуумирование всей системы
- 34 Заправка хладагента
- 35 Техника безопасности
- 36 Поиск и устранение часто встречающихся неисправностей; таймера может включиться или начать мигать, см. следующую таблицу.
- 37 Для других ошибок
- 38 Бланк претензии
- 39 Информация о проверке параметров с помощью пульта ДУ
- 40 Отображаемый код
- 41 nA
- 42 ошибок; Дистанционное техническое обслуживание; ние на месте, проверьте с заказчиком следующие пункты.
- 46 Быстрое техническое обслуживание с помощью кодов ошибок; Подлежащая замене деталь
- 47 Техническое обслуживание с помощью кодов ошибок; Рекомендуется подготовить следующие детали
- 48 Описание
- 50 S и N
- 53 Красный Черный Белый Желтый Синий
- 56 Цвет
- 63 Проверка проводимости блока электропитания
- 64 Проверка компрессора; и фактическое значение могут отличаться.
- 71 Режим охлаж дения; Конфликт режимов отсутствует
- 73 Порядок проведения проверки
- 74 Сопротивление
- 75 Проверка проводимости блока электропитания
- 77 Приложение; КОм
- 79 iii) Давление у сервисного порта; БАР
Характеристики
Остались вопросы?Не нашли свой ответ в руководстве или возникли другие проблемы? Задайте свой вопрос в форме ниже с подробным описанием вашей ситуации, чтобы другие люди и специалисты смогли дать на него ответ. Если вы знаете как решить проблему другого человека, пожалуйста, подскажите ему :)













