Кондиционеры KENTATSU KSGP26HZRN1 - инструкция пользователя по применению, эксплуатации и установке на русском языке. Мы надеемся, она поможет вам решить возникшие у вас вопросы при эксплуатации техники.
Если остались вопросы, задайте их в комментариях после инструкции.
"Загружаем инструкцию", означает, что нужно подождать пока файл загрузится и можно будет его читать онлайн. Некоторые инструкции очень большие и время их появления зависит от вашей скорости интернета.

Кондиционеры настенного типа. SEMPAI
15
Сплит-системы
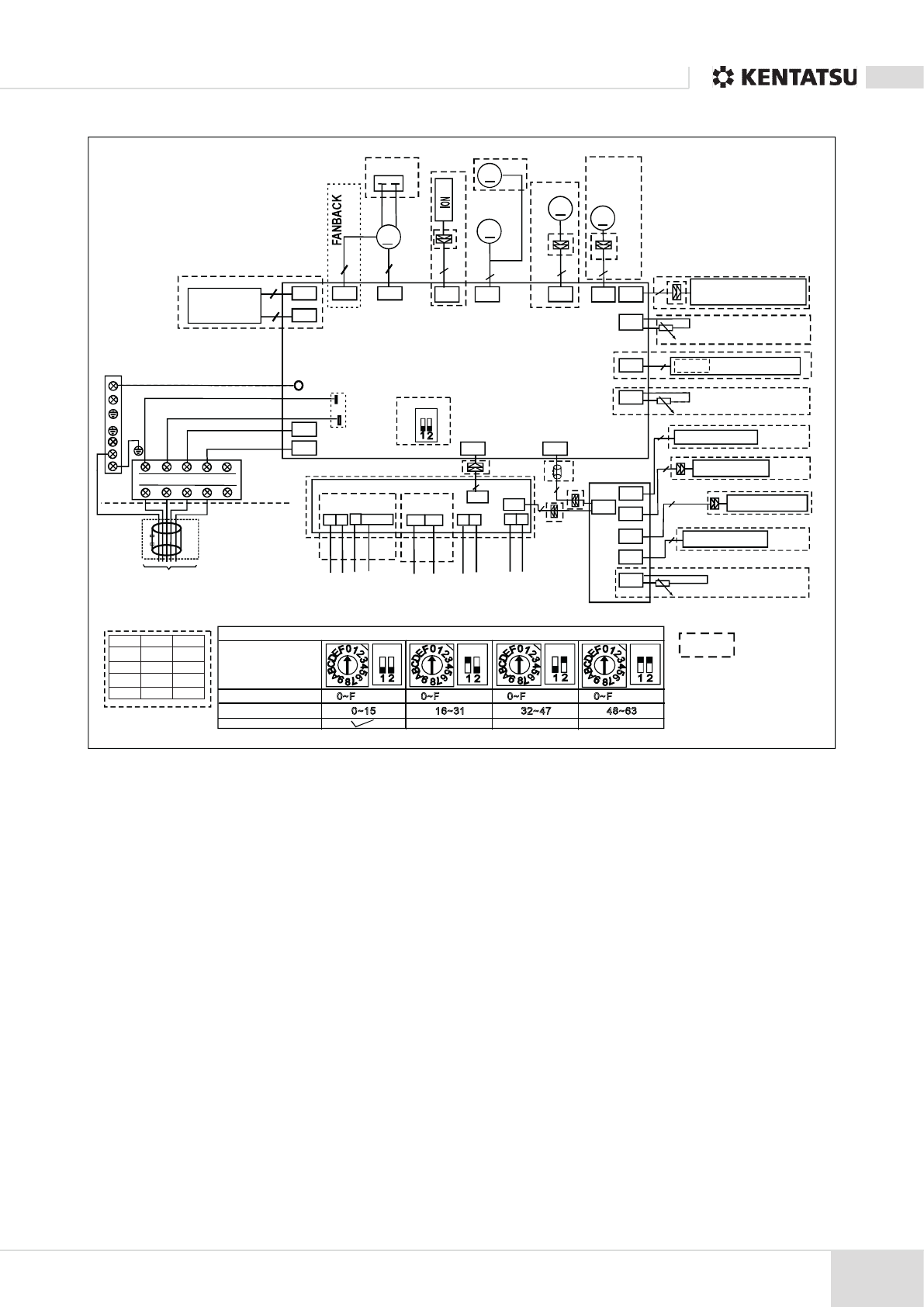
Схемы электропроводки внутреннего блока: KSGP26HZRN1, KSGP35HZRN1
5
M
CN21
M
CN22
CN12
N-IN
CN15
L-OUT
L-IN
CN18
4
CN3
CN26
5
CN2
CN1
CN40
CN43
CN32
2
CN42 CN41
CN45
CN46
CN44
X Y E 12V/5V
HA HB
0
8
1 2
0
8
1 2
0
8
1 2
0
8
1 2
4(8)
3
3
CN13
W
2(N) S
CN14
CAP
M
CN19
5(10)
1(L)
CN21
CN5
5(3 or 4)
5
JX1
P_1
2
CN27
2
1
S1
M
CN29
CN701
2
2
2
CN10
CN11
5(10)
2
CN31
CN4
M
СХЕМА ЭЛЕКТРОПРОВОДКИ
ВНУТРЕННЕГО БЛОКА
ВЕНТИ-
ЛЯТОР
ВНУТРЕН-
НЕГО
БЛОК А
5 (3 или 2)
ДВИ
ГА
ТЕ
ЛЬ П
РИ
ВО
ДА
Ж
АЛ
Ю
ЗИ 1
ДВИ
ГА
ТЕ
ЛЬ П
РИ
ВО
ДА Ж
АЛ
Ю
ЗИ 2
ДВ
ИГ
АТ
ЕЛЬ
В
ЕР
ТИК
АЛЬ
НО
ГО
ОТ
КЛ
ОН
ЕН
ИЯ Ж
АЛ
Ю
ЗИ
ГЕНЕРАТОР ПЛАЗМЫ ИЛИ ИОНОВ
(12 В) ИЛИ УФ=СТЕРИЛИЗАТОР
Датчик температуры трубы
Щит управления
Датчик температуры в помещении
Пульт управления по Wi-Fi
Инфракрасный датчик
Датчик влажности
Датчик температуры в помещении
ОПЦИЯ
ПРИМЕЧАНИЕ. Прямоугольник с
пунктирной границей указывает
на то, что этот компонент является
опцией, приоритет имеет фактиче-
ская конфигурация.
Проводной пульт управления
Трансформатор
платы питания
ГЛАВНАЯ ПЛАТА
Сервисное обслуживание
Сервисное обслуживание
НАСТРОЙК А СЕТЕВОГО А ДРЕСА (шина связи ССМ)
ОБОЗНАЧЕНИЕ
СЕТЕВОЙ А ДРЕС
ЗАВОДСКИЕ НАСТРОЙКИ
ВК Л.
ВК Л.
ВК Л.
ВК Л.
ENC3+F1
(МНОГОФУНКЦИОНА ЛЬНАЯ
ПЛАТА УПРАВЛЕНИЯ)
МНОГОФУНКЦИОНА ЛЬНАЯ ПЛАТА УПРАВЛЕНИЯ
К шине связи CCM или
к пульту проводного
управления 485
К произвольно
подключенному
проводному
пульту
К системе
дистанцион-
ной сигнали-
зации
К дистанционно-
му выключателю
ПЛ
АТ
А
ДИ
СПЛ
ЕЯ
Ж/З
Ж/З
БЕЛЫЙ
КРАСНЫЙ
СИНИЙ (ЧЕРНЫЙ)
ЖЕЛТЫЙ
Внутренний блок
Наружный блок
К наружному блоку
S1_1
S1_2
ТИП
Выкл.
Выкл.
9К
Вкл.
Выкл.
12K
Выкл.
Вкл.
18К
Вкл.
Вкл.
24К
ВК Л.
Содержание
- 2 Кондиционеры настенного типа. SEMPAI; Содержание; Правила при работе с хладагентами
- 3 Меры предосторожности; Эксплуатация и техническое обслуживание; ОСТОРОЖНО
- 4 ВНИМАНИЕ; статочной прочностью.
- 5 Отсутствие источников воспламенения
- 6 Проверки электрического оборудования; жать возможного искрения.; Ремонтные работы на герметичных компонентах
- 7 Обнаружение присутствия возгораемых хладагентов; • Должна соблюдаться следующая процедура:
- 9 Технические характеристики; Внутренний блок
- 11 Трубопровод хладагента
- 14 Электрические схемы; Сокращения - внутренний блок; Сокращения - наружный блок; Сокращения
- 15 ОПЦИЯ; ГЛАВНАЯ ПЛАТА
- 16 Примечания; РЕГУЛЯТОР; ГЛАВНАЯ; КОМПРЕССОР
- 18 Наименование
- 19 Дисплей
- 20 Функции обеспечения безопасности; -минутная задержка компрессора при перезапуске; истечении заданного времени или при перемещении жалюзи на место.; Предварительный подогрев компрессора
- 26 Функция автоматического перезапуска; матически выключается и отключает функцию активной очистки.
- 27 Эта функция доступна в режимах охлаж дения, вентиляции и осушки.
- 28 Длина и перепад высот трубопровода; Производительность
- 29 Проверка после монтажа; Проверка герметичности (с помощью мыльного раствора); Удаление воздуха с помощью вакуумного насоса; Порядок действий
- 30 ОТКРЫТ
- 31 Сбор хладагента в наружном блоке; му отверстию стороны газа 3-ходового клапана.
- 32 Удаление воздуха с помощью вакуумного насоса; должайте откачку еще в течение 20 минут.
- 33 Вакуумирование всей системы
- 34 Заправка хладагента
- 35 Техника безопасности
- 36 Поиск и устранение часто встречающихся неисправностей; таймера может включиться или начать мигать, см. следующую таблицу.
- 37 Для других ошибок
- 38 Бланк претензии
- 39 Информация о проверке параметров с помощью пульта ДУ
- 40 Отображаемый код
- 41 nA
- 42 ошибок; Дистанционное техническое обслуживание; ние на месте, проверьте с заказчиком следующие пункты.
- 46 Быстрое техническое обслуживание с помощью кодов ошибок; Подлежащая замене деталь
- 47 Техническое обслуживание с помощью кодов ошибок; Рекомендуется подготовить следующие детали
- 48 Описание
- 50 S и N
- 53 Красный Черный Белый Желтый Синий
- 56 Цвет
- 63 Проверка проводимости блока электропитания
- 64 Проверка компрессора; и фактическое значение могут отличаться.
- 71 Режим охлаж дения; Конфликт режимов отсутствует
- 73 Порядок проведения проверки
- 74 Сопротивление
- 75 Проверка проводимости блока электропитания
- 77 Приложение; КОм
- 79 iii) Давление у сервисного порта; БАР
Характеристики
Остались вопросы?Не нашли свой ответ в руководстве или возникли другие проблемы? Задайте свой вопрос в форме ниже с подробным описанием вашей ситуации, чтобы другие люди и специалисты смогли дать на него ответ. Если вы знаете как решить проблему другого человека, пожалуйста, подскажите ему :)













