Кондиционеры KENTATSU KSGI53HFAN1 - инструкция пользователя по применению, эксплуатации и установке на русском языке. Мы надеемся, она поможет вам решить возникшие у вас вопросы при эксплуатации техники.
Если остались вопросы, задайте их в комментариях после инструкции.
"Загружаем инструкцию", означает, что нужно подождать пока файл загрузится и можно будет его читать онлайн. Некоторые инструкции очень большие и время их появления зависит от вашей скорости интернета.

Кондиционеры настенного типа. ICHI
20
Сплит-системы
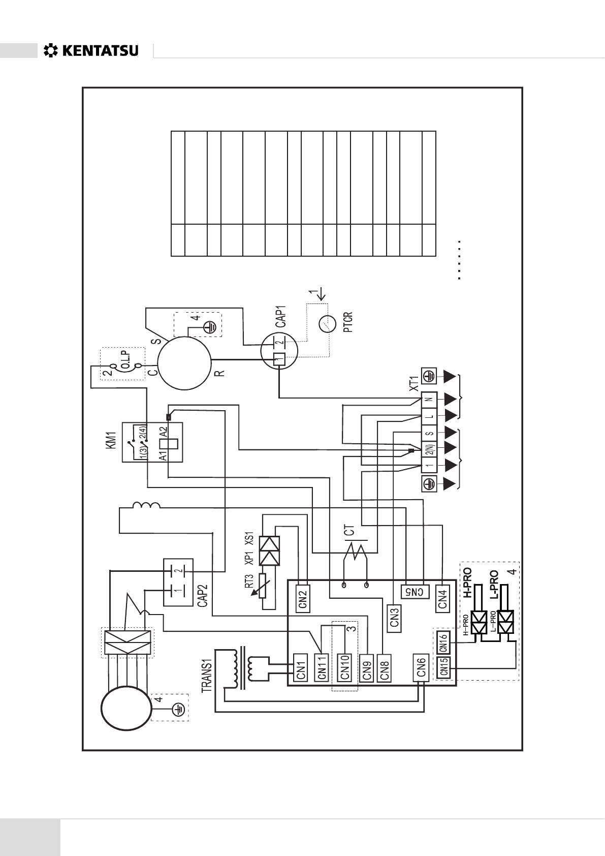
Схема электропроводки внутреннего блока: KSRI70HFAN1.
ДВ
ИГ.
ВЕ
НТ.
ЧЕ
РНЫ
Й
ЧЕ
РНЫ
Й
ЧЕ
РНЫ
Й
ЧЕ
РНЫ
Й
ЧЕ
РНЫ
Й
ЧЕ
РНЫ
Й
ЧЕ
РНЫ
Й
ЧЕ
РНЫ
Й
ЧЕ
РНЫ
Й
ПУ1
ОП
Ц
ИЯ
ЧЕ
РНЫ
Й
КО
РИ
ЧН.
КР
АС
Н.
КРА
СН
Ы
Й
КРА
СН
Ы
Й
КРА
СН
Ы
Й
К
ВН
УТ
РЕ
ННЕ
М
У
БЛ
ОК
У
СЕ
ТЬ
ЭЛЕ
КТ
РО
ПИ
ТА
НИ
Я
БЕ
ЛЫ
Й
КРА
СН
Ы
Й
КРА
СН
Ы
Й
КРА
СН
Ы
Й
БЕ
ЛЫЙ
(И
ЛИ
ЧЕ
РНЫЙ
)
ЭЛЕ
КТ
РИ
ЧЕ
СК
АЯ
С
ХЕ
М
А
(Н
АРУ
Ж
НЫ
Й Б
ЛО
К)
КР
АС
Н.
Ж
ЕЛ
ТЫЙ
СИНИЙ
СИНИЙ
СИНИЙ
КЛА
ПА
Н
КО
М
П.
СИНИЙ
СИНИЙ
Ж
/З
Ж
/З
ОБ
О
ЗН.
Н
АИ
М
ЕНОВ
АН
ИЕ
К
ОМ
ПОН
ЕН
ТА
ПУ1
ПЛ
АТ
А
УПР
АВ
ЛЕ
НИ
Я
Н
АР
УЖ
НОГ
О
БЛ
ОК
А
КО
М
П.
КОМ
ПР
ЕС
СОР
СА
Р1
РА
БО
ЧИ
Й К
ОН
ДЕ
НС
АТ
ОР
КОМ
ПР
ЕС
СОР
А
CA
P2
КОН
ДЕ
НС
АТ
ОР
В
ЕН
ТИ
ЛЯ
ТОР
А
Н
АР
УЖ
НОГ
О
БЛ
ОК
А
FA
N
2
ВЕ
НТ
И
ЛЯ
ТО
Р Н
АР
УЖ
НО
ГО
БЛ
ОК
А
XT1
КЛ
ЕММН
АЯ
К
О
ЛО
ДК
А
XT
3
ПР
ОМ
ЕЖ
УТ
О
ЧН
АЯ
К
ЛЕ
М
М
Н
АЯ
КО
ЛО
ДК
А
ХР
1, X
S1
СО
ЕД
ИНИ
ТЕ
ЛИ
RT
3
Д
АТ
ЧИ
К Т
ЕМ
ПЕ
РА
ТУ
РЫ Т
РУ
БЫ
KM1
КО
НТ
АК
ТО
Р Ц
ЕП
И
ПЕ
РЕ
М
ЕН
НОГ
О
ТОК
А
CT
ИН
ДУКЦ
ИО
НН
АЯ
К
АТ
УШ
КА
TR
AN
S1
ТР
АНС
Ф
ОР
М
АТ
ОР
CN
1-
CN
11
РА
ЗЪ
ЕМ
Ы
П
ЛА
ТЫ
У
ПР
АВ
ЛЕ
НИ
Я
КЛ
АП
АН
РЕ
ВЕ
РС
ИВ
НЫ
Й
КЛ
АП
АН
Пр
им
еч
ани
я
Си
мв
ол
ам
и 1
, 3 и 4 у
ка
за
ны к
ом
по
не
нт
ы, п
ри
об
ре
та
ем
ые д
оп
ол
ни
те
ль
но
.
И
х р
еа
ль
ны
й в
ид м
ож
ет о
тл
ич
ат
ьс
я о
т п
ок
аз
ан
но
го н
а с
хе
ме
.
Си
мв
ол
ом 2 у
ка
за
ны в
ну
тр
ен
ни
е и в
не
ш
ни
е к
ом
по
не
нт
ы к
ом
пр
ес
со
ра
.
Содержание
- 2 Кондиционеры настенного типа. ICHI; Содержание; Правила при работе с хладагентами
- 3 Меры предосторожности; Эксплуатация и техническое обслуживание
- 4 ВНИМАНИЕ; статочной прочностью.
- 5 Правила при работе с хладагентами (для легковоспламеняющихся; Отсутствие источников воспламенения
- 6 Проверки электрического оборудования; жать возможного искрения.; Ремонтные работы на герметичных компонентах
- 7 Обнаружение присутствия возгораемых хладагентов; • Должна соблюдаться следующая процедура:
- 9 Технические характеристики
- 12 Модель
- 16 Электрические схемы; Сокращения - внутренний блок; Сокращения - наружный блок; Сокращения
- 19 К ВНУТРЕННЕМУ БЛОКУ; Разъем; КРАСНЫЙ; СТАРТЕР PTC; КОНДЕНСАТОР; ЧЕРНЫЙ; ЧЕРНЫЙ; КРАСНЫЙ или ЧЕРНЫЙ
- 21 Длина и перепад высот трубопровода; Производительность; Внутренний блок установлен
- 22 Панель управления; Элементы панели управления; Дисплей А; Дисплей
- 23 Функции обеспечения безопасности; -минутная задержка компрессора при перезапуске; чается через 4 секунд.; Резервирование датчиков и автоматическое выключение
- 25 Для моделей 18К и меньшей производительности.
- 27 Режим работы; Охлаждение
- 28 Функция автоматического перезапуска
- 29 Дополнительные функции; происходит следующее.
- 30 Проверка после монтажа; Проверка герметичности (с помощью мыльного раствора); Удаление воздуха с помощью вакуумного насоса; Порядок действий
- 31 ОТКРЫТ
- 32 Сбор хладагента в наружном блоке; му отверстию стороны газа 3-ходового клапана.
- 33 Удаление воздуха с помощью вакуумного насоса; должайте откачку еще в течение 20 минут.
- 34 Вакуумирование всей системы
- 35 Заправка хладагента
- 36 Техника безопасности; ОПАСНО
- 37 Поиск и устранение часто встречающихся неисправностей; Для других ошибок
- 38 Бланк претензии
- 39 Информация о проверке параметров с помощью пульта ДУ
- 40 Отображаемый код; FT
- 41 nA
- 42 Диагностика ошибок, поиск и устранение неисправностей; Дистанционное техническое обслуживание; ние на месте, проверьте с заказчиком следующие пункты.
- 46 Быстрое техническое обслуживание с помощью кодов ошибок; Подлежащая замене деталь
- 47 Техническое обслуживание с помощью кодов ошибок; Рекомендуется подготовить следующие детали
- 49 S и N
- 51 вращения вентилятора, находящейся вне нормального диапазона)
- 52 Красный Черный Белый Желтый Синий
- 53 обрывом или коротким замыканием в цепи датчика температуры)
- 54 блока и платой дисплея)
- 57 Порядок проведения проверки; и фактическое значение могут отличаться.
- 59 КОм
- 61 iii) Давление у сервисного порта; БАР
Характеристики
Остались вопросы?Не нашли свой ответ в руководстве или возникли другие проблемы? Задайте свой вопрос в форме ниже с подробным описанием вашей ситуации, чтобы другие люди и специалисты смогли дать на него ответ. Если вы знаете как решить проблему другого человека, пожалуйста, подскажите ему :)