Кондиционеры KENTATSU KSGI53HFAN1 - инструкция пользователя по применению, эксплуатации и установке на русском языке. Мы надеемся, она поможет вам решить возникшие у вас вопросы при эксплуатации техники.
Если остались вопросы, задайте их в комментариях после инструкции.
"Загружаем инструкцию", означает, что нужно подождать пока файл загрузится и можно будет его читать онлайн. Некоторые инструкции очень большие и время их появления зависит от вашей скорости интернета.

Кондиционеры настенного типа. ICHI
17
Сплит-системы
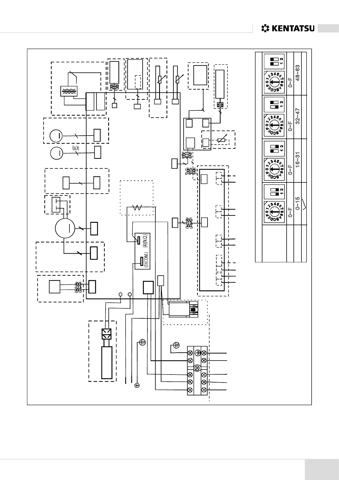
Схема электропроводки внутреннего блока: KSGI21HFAN1, KSGI26HFAN1, KSGI35HFAN1, KSGI53HFAN1.
P1/P
N
P2/P
L
CN
30
N_IN
RY
1
L-OUT
L-IN
1
3
4
CN
18
2(N)
CN
3
CN
2
CN
4
CN
1
CN
40
CN
43
CN
32
2
CN
42
CN
41
CN
45
CN
46
CN
44
X
YE
12
V/
5V
HA
HB
0
8
1
2
0
8
1
2
0
8
1
2
0
8
1
2
4
3
L N
2(4)
CN10
CN
11
2
CN
26
CN29
CN
15
2
4
2
5
CN
70
1
2
CN
14
5
M
CN
16
/T3
M
CN
22
M
IO
N
CN
27
3
CN
13
CN
12
CN
19
3(
2)
22
22
СХ
ЕМ
А Э
ЛЕ
КТ
РО
ПР
ОВ
ОД
КИ
ВН
УТ
РЕ
ННЕ
ГО
Б
ЛО
КА
ОП
ЦИЯ
ОП
ЦИЯ
ОП
ЦИЯ
ГЛА
ВНА
Я
ПЛА
ТА
ГА
ЛЬ
ВА
НОМ
ЕТ
Р
ОП
ЦИЯ
НА
ГР
ЕВ
АТЕ
ЛЬ
К
О
РИ
ЧН
ЕВЫ
Й (
ил
и
К
РА
СН
Ы
Й) (
ил
и
ЧЕ
РНЫЙ
)
С
ИН
ИЙ (
ил
и
Ч
ЕР
НЫ
Й) (
ил
и
Б
ЕЛЫЙ
)
Ж
/З (
ил
и З
ЕЛ
ЕН
Ы
Й)
ЭЛЕ
КТ
РО
ПИ
ТА
НИЕ
КРА
СНЫ
Й
КРА
СН
Ы
Й
Ж
/З
К Г
ЕНЕ
РАТ
ОРУ
АНИОНОВ
ЧЕ
РНЫ
Й
ВН
УТ
РЕ
ННИЙ
БЛ
ОК
НА
РУ
ЖН
Ы
Й
БЛ
ОК
СИНИЙ
(ЧЕ
РНЫ
Й)
ЖЕЛ
ТЫЙ
СИНИЙ
(ЗЕ
ЛЕНЫ
Й)
ОП
Ц
ИЯ
ОП
Ц
ИЯ
ОП
Ц
ИЯ
ОП
ЦИЯ
ОПЦ
ИЯ
М
НОГ
О
Ф
УН
КЦ
ИОН
АЛ
ЬН
АЯ
ПЛ
АТ
А
УПР
АВ
ЛЕ
НИ
Я
К ш
ин
е с
вя
зи C
CM и
ли
к п
ул
ьт
у п
ро
во
дн
ог
о
уп
рав
лен
ия
4
85
ПР
ИМЕ
ЧА
НИ
Я
1. Ц
ве
т п
ро
во
до
в э
ле
кт
ро
пи
та
ни
я (
L, N
, E
) с
оо
тв
ет
ст
ву
ет
сл
еду
ющ
ем
у.
С
та
нд
ар
ту М
ЭК (
КО
РИ
ЧН
ЕВ
Ы
Й, С
ИН
ИЙ
, Ж
ЕЛ
Т./
ЗЕ
Л.
) и
ли
И
нд
ий
ск
ом
у с
та
нд
ар
ту (
КР
АС
НЫ
Й, Ч
ЕР
НЫ
Й, Ж
ЕЛ
Т./
ЗЕ
Л.
) и
ли
С
та
нд
ар
ту U
L (
ЧЕ
РН
Ы
Й, Б
ЕЛ
Ы
Й, З
ЕЛ
ЕН
Ы
Й)
2. К
ом
пон
ен
ты в п
ря
мо
уг
ол
ьн
ой р
ам
ке д
ос
ту
пн
ы д
ля
оп
ре
де
ле
нн
ых
мо
де
лей
к
он
ди
цион
ер
ов
.
К п
ро
из
во
ль
но
по
дк
лю
че
нном
у
пр
ов
од
ном
у
пу
ль
ту
НА
СТ
РО
ЙК
А С
ЕТ
ЕВ
ОГ
О А
ДР
ЕС
А (
CO
M C
om
m
. B
us
)
ENC
3+
F1
(М
НОГ
О
Ф
УН
КЦ
И-
ОН
АЛ
ЬН
АЯ П
ЛА
ТА
УПР
АВ
ЛЕ
НИ
Я)
ОБ
О
ЗН
АЧЕ
НИЕ
СЕ
ТЕ
ВО
Й А
ДР
ЕС
ЗАВ
О
ДС
КИ
Е
Н
АС
ТР
О
ЙКИ
В
К
Л.
В
К
Л.
В
К
Л.
В
К
Л.
К с
ис
те
м
е
ди
ст
ан
цион
ной
сиг
на
ли
за
ции
К
ди
ст
ан
цион
ном
у
вык
лю
ча
те
лю
То
ль
ко д
ля
элек
тр
од
в.
пе
р. т
ок
а
КО
НД
.
ПОР
Т
T3
ТР
АНС
Ф
ОР
М
АТ
ОР
ПЛА
ЗМА
/У
Ф
-
СТ
ЕРИ
ЛИ
ЗА
ТО
Р
Щ
ИТ
У
ПР
АВ
ЛЕ
НИ
Я
Д
АТ
ЧИ
К Т
ЕМ
П. В П
ОМ
ЕЩ
.
Д
АТ
ЧИК
Т
ЕМПЕ
РА
ТУ
РЫ
ВО
ЗД
УХ
А В П
ОМ
ЕЩ
ЕН
ИИ
W
i-F
i п
ул
ьт
уп
рав
лен
ия
Пр
ов
од
ной
п
ул
ьт
уп
рав
лен
ия
Д
АТ
ЧИ
К Т
ЕМ
ПЕ
РА
ТУ
РЫ Т
РУ
БЫ
ПЛ
АТ
А
ДИ
СПЛ
ЕЯ
ДВИГ
АТЕ
ЛЬ ПР
ИВО
ДА
ЖАЛ
ЮЗИ 1
ДВИГ
АТЕ
ЛЬ ПР
ИВО
ДА
ЖАЛ
ЮЗИ 1
ВЕ
НТ
ИЛ
ЯТ
ОР
ВН
УТ
РЕ
ННЕ
ГО
БЛО
КА
5 (
3 и
ли 2
)
ОПЦ
ИЯ
ОПЦ
ИЯ
ОП
ЦИЯ
Содержание
- 2 Кондиционеры настенного типа. ICHI; Содержание; Правила при работе с хладагентами
- 3 Меры предосторожности; Эксплуатация и техническое обслуживание
- 4 ВНИМАНИЕ; статочной прочностью.
- 5 Правила при работе с хладагентами (для легковоспламеняющихся; Отсутствие источников воспламенения
- 6 Проверки электрического оборудования; жать возможного искрения.; Ремонтные работы на герметичных компонентах
- 7 Обнаружение присутствия возгораемых хладагентов; • Должна соблюдаться следующая процедура:
- 9 Технические характеристики
- 12 Модель
- 16 Электрические схемы; Сокращения - внутренний блок; Сокращения - наружный блок; Сокращения
- 19 К ВНУТРЕННЕМУ БЛОКУ; Разъем; КРАСНЫЙ; СТАРТЕР PTC; КОНДЕНСАТОР; ЧЕРНЫЙ; ЧЕРНЫЙ; КРАСНЫЙ или ЧЕРНЫЙ
- 21 Длина и перепад высот трубопровода; Производительность; Внутренний блок установлен
- 22 Панель управления; Элементы панели управления; Дисплей А; Дисплей
- 23 Функции обеспечения безопасности; -минутная задержка компрессора при перезапуске; чается через 4 секунд.; Резервирование датчиков и автоматическое выключение
- 25 Для моделей 18К и меньшей производительности.
- 27 Режим работы; Охлаждение
- 28 Функция автоматического перезапуска
- 29 Дополнительные функции; происходит следующее.
- 30 Проверка после монтажа; Проверка герметичности (с помощью мыльного раствора); Удаление воздуха с помощью вакуумного насоса; Порядок действий
- 31 ОТКРЫТ
- 32 Сбор хладагента в наружном блоке; му отверстию стороны газа 3-ходового клапана.
- 33 Удаление воздуха с помощью вакуумного насоса; должайте откачку еще в течение 20 минут.
- 34 Вакуумирование всей системы
- 35 Заправка хладагента
- 36 Техника безопасности; ОПАСНО
- 37 Поиск и устранение часто встречающихся неисправностей; Для других ошибок
- 38 Бланк претензии
- 39 Информация о проверке параметров с помощью пульта ДУ
- 40 Отображаемый код; FT
- 41 nA
- 42 Диагностика ошибок, поиск и устранение неисправностей; Дистанционное техническое обслуживание; ние на месте, проверьте с заказчиком следующие пункты.
- 46 Быстрое техническое обслуживание с помощью кодов ошибок; Подлежащая замене деталь
- 47 Техническое обслуживание с помощью кодов ошибок; Рекомендуется подготовить следующие детали
- 49 S и N
- 51 вращения вентилятора, находящейся вне нормального диапазона)
- 52 Красный Черный Белый Желтый Синий
- 53 обрывом или коротким замыканием в цепи датчика температуры)
- 54 блока и платой дисплея)
- 57 Порядок проведения проверки; и фактическое значение могут отличаться.
- 59 КОм
- 61 iii) Давление у сервисного порта; БАР
Характеристики
Остались вопросы?Не нашли свой ответ в руководстве или возникли другие проблемы? Задайте свой вопрос в форме ниже с подробным описанием вашей ситуации, чтобы другие люди и специалисты смогли дать на него ответ. Если вы знаете как решить проблему другого человека, пожалуйста, подскажите ему :)













