Кондиционеры Daikin JEHSCU-CM1 - инструкция пользователя по применению, эксплуатации и установке на русском языке. Мы надеемся, она поможет вам решить возникшие у вас вопросы при эксплуатации техники.
Если остались вопросы, задайте их в комментариях после инструкции.
"Загружаем инструкцию", означает, что нужно подождать пока файл загрузится и можно будет его читать онлайн. Некоторые инструкции очень большие и время их появления зависит от вашей скорости интернета.

O-CU06-DEC14-1
All specifications are subjected to change by the manufacturer without prior notice.
The English text is the
original instruction. Other languages are the translations of the original instructions.
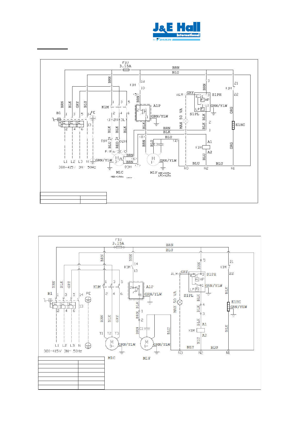
18
Three Phase
JEHCCU0140CM3
JEHSCU0200CM3, JEHSCU0250CM3
,
JEHSCU0300CM3, JEHSCU0350CM3,
JEHSCU0200CL3, JEHSCU0300CL3
NOTE:
REMOVE LINK 2 TO 1 BEFORE CONNECTING TO CONTROLLER
- - IS THE FIELD W IRING
C3: FAN CAPACITOR
< >: TERMINAL IN CO MPRESSOR ELECTRICAL BOX
M1C: CO MPRESSOR
B1: MOTOR CIRCUIT BREAKER
M1F CONDENSER FAN
K1M: CONTACTOR
A1P: FAN SPEED CONTROLLER
F1U: FUSE
S1PH: HIGH PRESSURE SW ITCH
Q1M: EXTERNAL OVERLO AD PROTECTOR
S1PL: LOW PRESSURE SW ITCH
Q2M: EXTERNAL OVERLO AD PROTECTOR
E1HC: CRANKCASE HEATER
Q3M: INTERNAL OVERLOAD PROTECTOR
SETTING, B1
MODEL
VALUE <A>
JEHR/JEHCCU0140B(C)M3
4,0
NOTE:
REMOVE LINK 4 TO 3 BEFORE CONNECTING TO CONTROLLER
- - IS THE FIELD W IRING
B1: MOTOR CIRCUIT BREAKER
K1M: CONTACTOR
F1U: FUSE
C1 FAN CAPACITOR
M1C: CO MPRESSOR
M1F CONDENSER FAN
A1P: FAN SPEED CONTROLLER
S1PH: HIGH PRESSURE SW ITCH
S1PL: LOW PRESSURE SW ITCH
E1HC: CRANKCASE HEATER
SETTING, B1
MODEL
VALUE <A>
JEHS/SCU0200B2(C)M3
5,5
JEHS/SCU0250B2(C)M3
7,0
JEHS/SCU0300B2(C)M3
7,5
JEHS/SCU0350B2(C)M3
9,5
JEHS/SCU0200B2(C)L3
5,5
JEHS/SCU0300B2(C)L3
6,5