Кондиционеры Daikin JEHSCU-CM1 - инструкция пользователя по применению, эксплуатации и установке на русском языке. Мы надеемся, она поможет вам решить возникшие у вас вопросы при эксплуатации техники.
Если остались вопросы, задайте их в комментариях после инструкции.
"Загружаем инструкцию", означает, что нужно подождать пока файл загрузится и можно будет его читать онлайн. Некоторые инструкции очень большие и время их появления зависит от вашей скорости интернета.

O-CU06-DEC14-1
All specifications are subjected to change by the manufacturer without prior notice.
The English text is the
original instruction. Other languages are the translations of the original instructions.
17
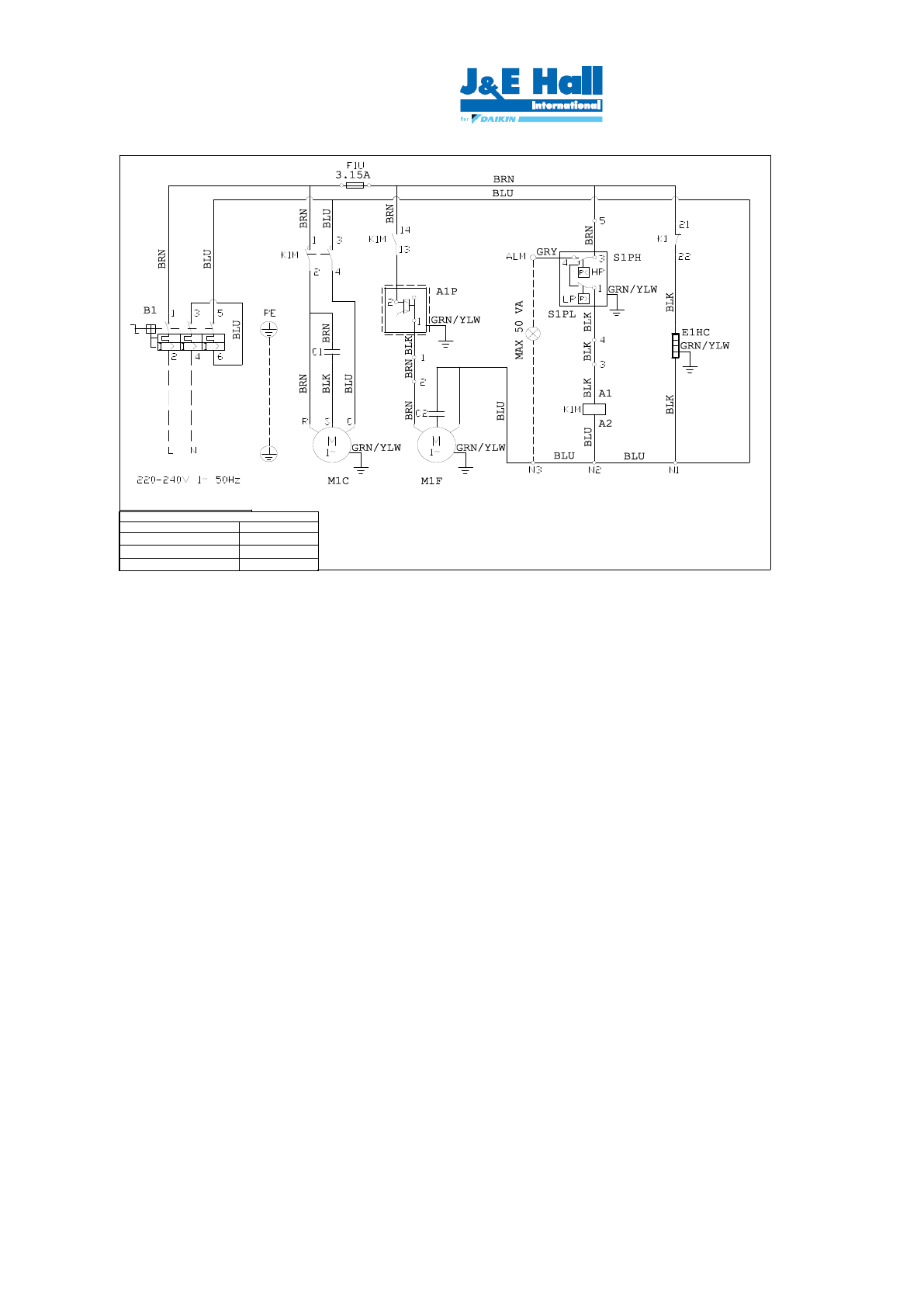
JEHSCU0200CM1, JEHSCU0250CM1
,
JEHSCU0300CM1
NOTE:
REMOVE LINK 4 TO 3 BEFORE CONNECTING TO CONTROLLER
- - IS THE FIELD W IRING
B1: MOTOR CIRCUIT BREAKER
A1P: FAN SPEED CONTROLLER
K1M: CONTACTOR
S1PH: HIGH PRESSURE SW ITCH
F1U: FUSE
S1PL: LOW PRESSURE SW ITCH
C1 RUN CAPACITOR
E1HC: CRANKCASE HEATER
C2: FAN CAPACITOR
M1C: CO MPRESSOR
M1F: CONDENSER FAN
SETTING, B1
MODEL
VALUE <A>
JEHS/JEHSCU0200B<C>M1
13,0
JEHS/JEHSCU0250B<C>M1
13,0
JEHS/JEHSCU0300B<C>M1
17,0