Кондиционеры Daikin JEHSCU-CM1 - инструкция пользователя по применению, эксплуатации и установке на русском языке. Мы надеемся, она поможет вам решить возникшие у вас вопросы при эксплуатации техники.
Если остались вопросы, задайте их в комментариях после инструкции.
"Загружаем инструкцию", означает, что нужно подождать пока файл загрузится и можно будет его читать онлайн. Некоторые инструкции очень большие и время их появления зависит от вашей скорости интернета.

O-CU06-DEC14-1
All specifications are subjected to change by the manufacturer without prior notice.
The English text is the
original instruction. Other languages are the translations of the original instructions.
15
10.
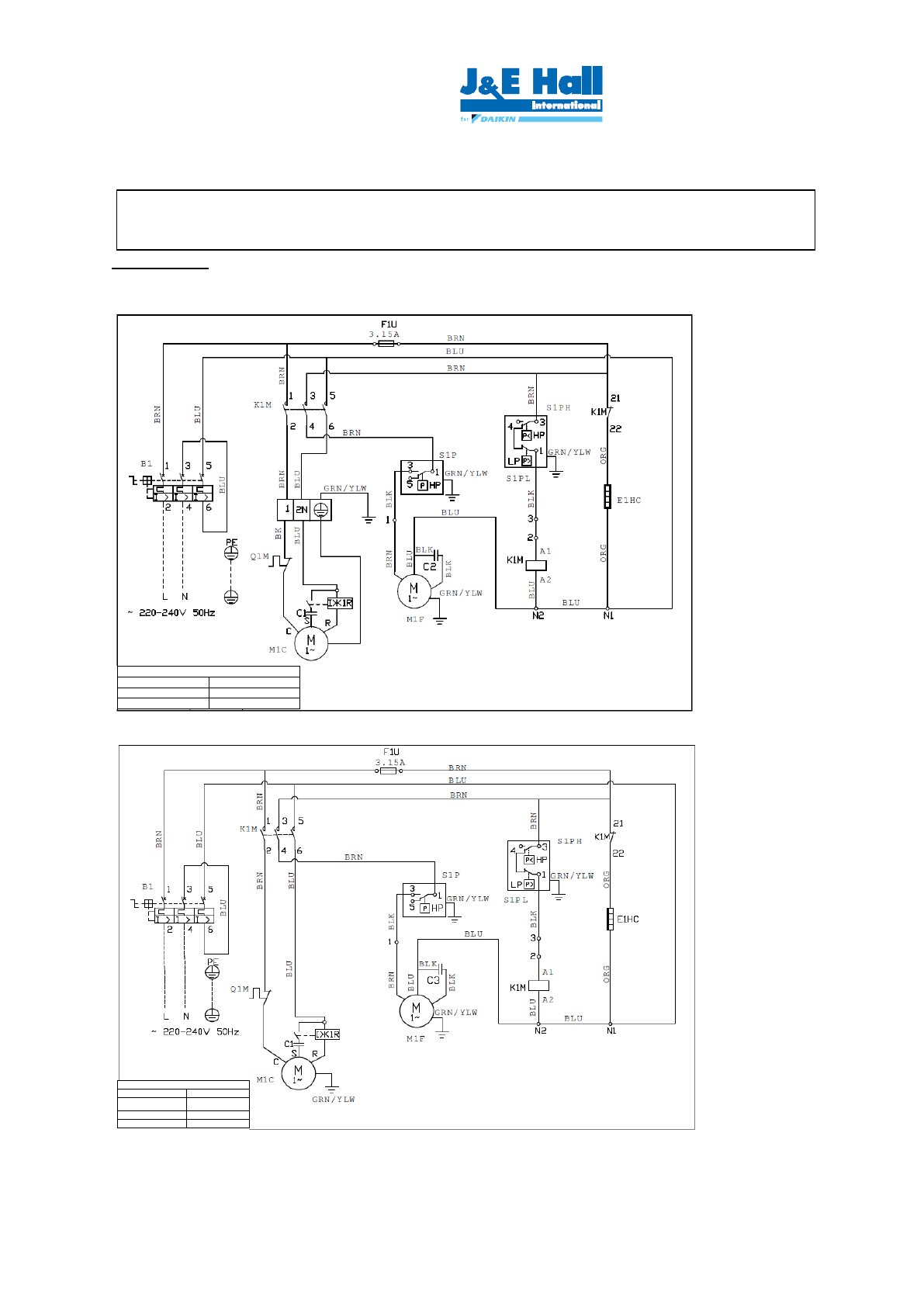
Electrical Data
Single Phase
JEHCCU0040CM1; JEHCCU0050CM1
JEHCCU0051CM1; JEHCCU0063CM1; JEHCCU0077CM1
Important Note:
All wiring and connections to the condensing unit must be
made in accordance to the local codes.
REMOVE LINK 2 TO 3 BEFORE CONNECTING TO INDOOR CONTROLLER
NOTE:
B1: MOTOR CIRCUIT BREAKER
Q1M: O VERLOAD MOTOR PROTECTOR
K1M: CONTACTOR
S1PH: HIGH PRESSURE SW ITCH 1
K1R: START RELAY
S1P: PRESSURE SW ITCH
F1U: FUSE
S1PL: LOW PRESSURE SW ITCH
C1 COMPRESSOR START CAPACITOR
E1HC: CRANKCASE HEATER
C2: FAN CAPACITOR
P1: START RELAY
M1C: CO MPRESSOR
M1F CONDENSER FAN
SETTING, B1
MODEL
VALUE <A>
JEHCCU0050CM1
6.0
JEHCCU0040CM1
4.0
REMOVE LINK 2 TO 3 BEFORE CONNECTING TO INDOOR CONTROLLER
NOTE:
B1: MOTOR CIRCUIT BREAKER
S1PH: HIGH PRESSURE SW ITCH
K1M: CONTACTOR
S1P: PRESSURE SW ITCH
K1R: START RELAY
S1PL: LOW PRESSURE SW ITCH
F1U: FUSE
E1HC: CRANKCASE HEATER
C1: COMPRESSOR START CAPACITOR
C2: COMPRESSOR RUN CAPACITOR
C3: FAN CAPACITOR
M1C: COMPRESSOR
M1F CONDENSER FAN
Q1M: OVERLOAD MOTOR PROTECTOR
SETTING, B1
MODEL
VALUE <A>
JEHCCU0051CM1
6.0
JEHCCU0063CM1
7.0
JEHCCU0077CM1
8.0