Кондиционеры Daikin FVQ-C - инструкция пользователя по применению, эксплуатации и установке на русском языке. Мы надеемся, она поможет вам решить возникшие у вас вопросы при эксплуатации техники.
Если остались вопросы, задайте их в комментариях после инструкции.
"Загружаем инструкцию", означает, что нужно подождать пока файл загрузится и можно будет его читать онлайн. Некоторые инструкции очень большие и время их появления зависит от вашей скорости интернета.

16
Русский
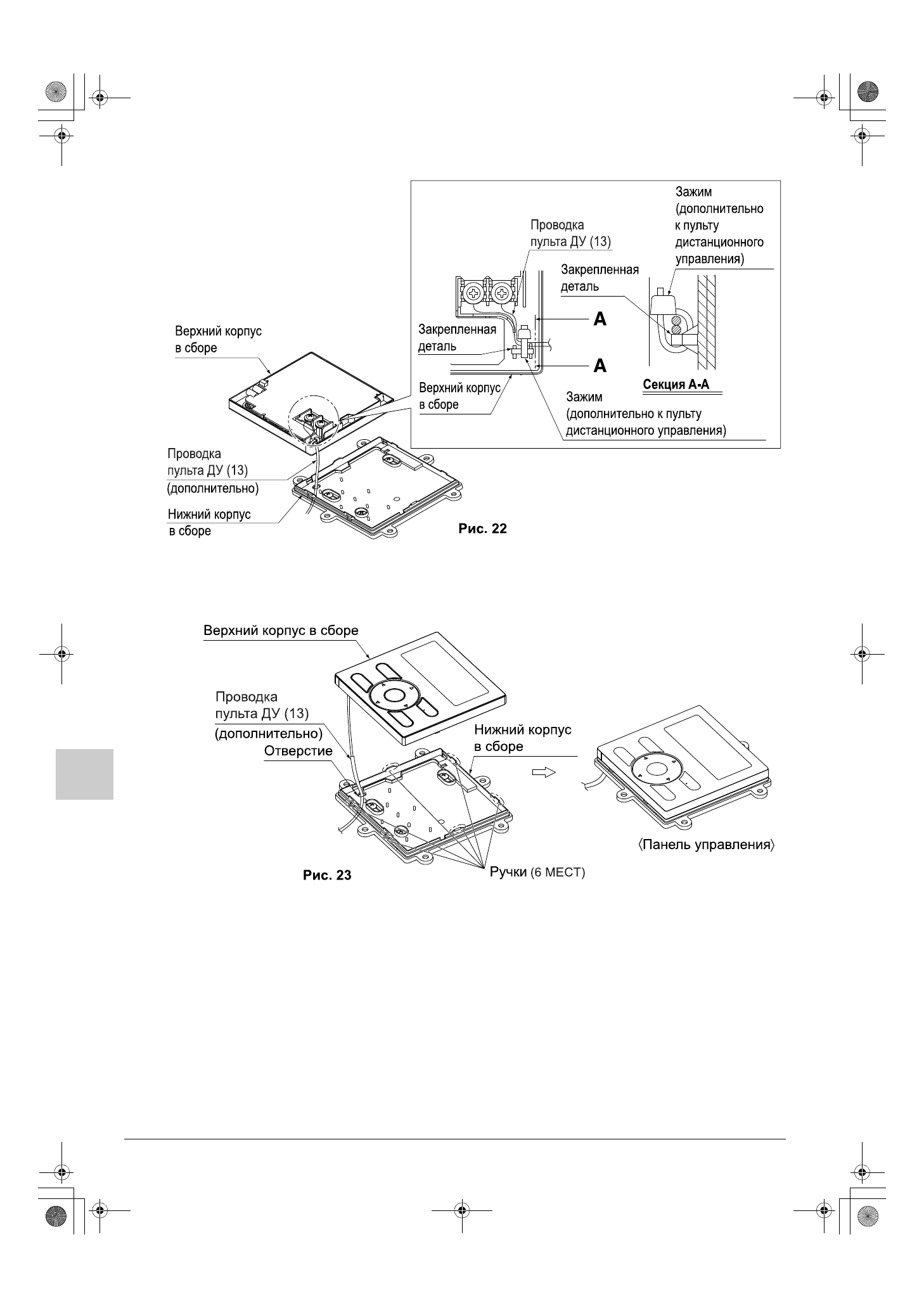
3)
Подключите
проводку
пульта
дистанционного
управления
(
дополнительную
(13)).
4)
Закрепите
и
установите
верхний
корпус
в
нижнем
корпусе
,
совместив
выступы
(6
мест
)
с нижним
корпусом
.
•
Соблюдайте
осторожность
,
чтобы
не
защемить
проводку
.
•
Снимите
защитный
лист
,
закрепленный
к
нижнему
корпусу
.
3P249378-4D_FM6.book Page 16 Thursday, December 15, 2011 11:36 AM