Кондиционеры Daikin EWLD-I-SS - инструкция пользователя по применению, эксплуатации и установке на русском языке. Мы надеемся, она поможет вам решить возникшие у вас вопросы при эксплуатации техники.
Если остались вопросы, задайте их в комментариях после инструкции.
"Загружаем инструкцию", означает, что нужно подождать пока файл загрузится и можно будет его читать онлайн. Некоторые инструкции очень большие и время их появления зависит от вашей скорости интернета.

D
–EIMWC00404-14RU - 65/88
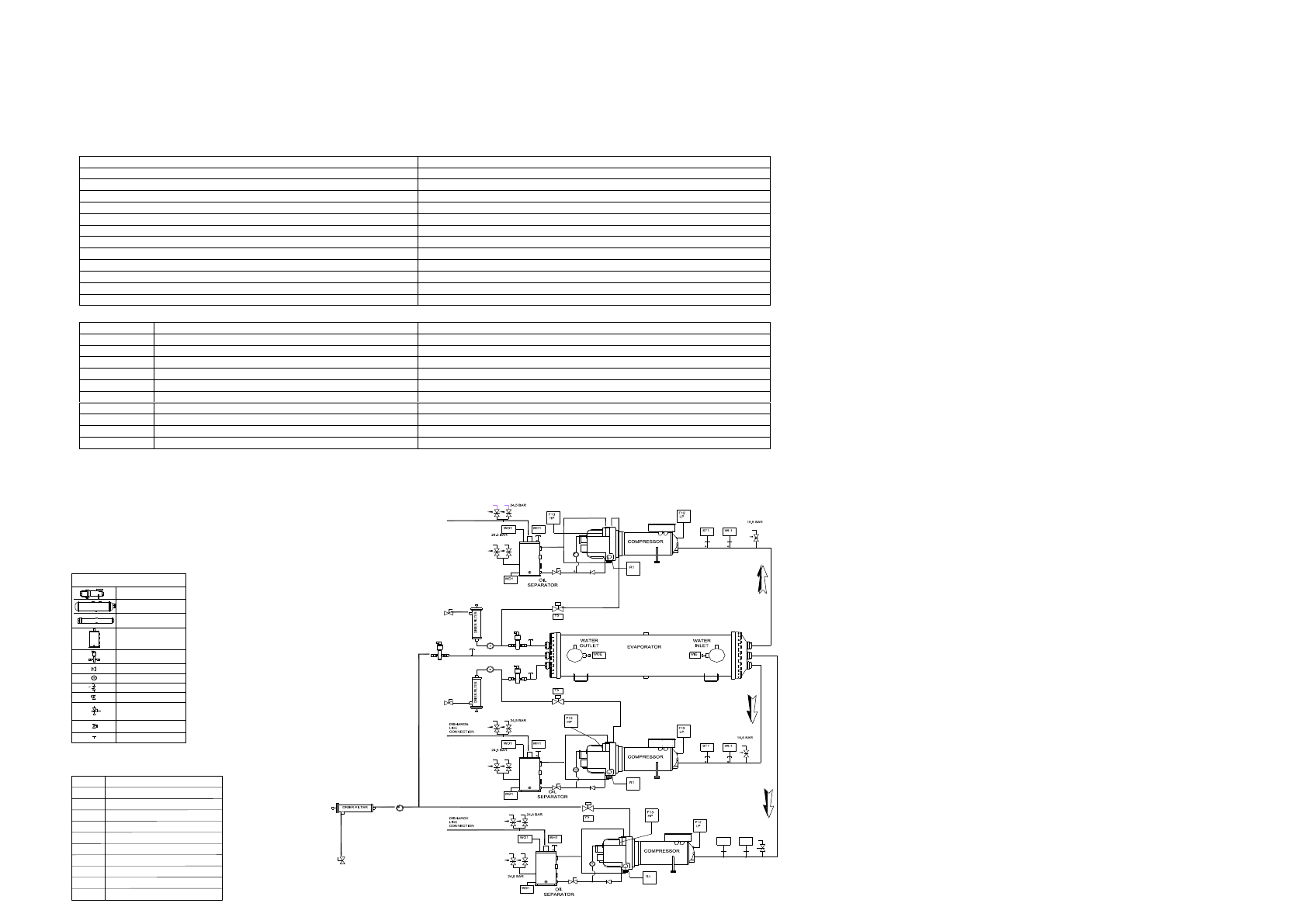
Рис. 21 - Цикл циркуляции хладагента в трехконтурном агрегате модели EWLD I-SS
LEGEND
ОБОЗНАЧЕНИЯ
COMPRESSOR
КОМПРЕССОР
EVAPORATOR
ИСПАРИТЕЛЬ
CONDENSER
КОНДЕНСАТОР
OIL SEPARATOR
МАСЛООТДЕЛИТЕЛЬ
EXPANSION VALVE
РАСШИРИТЕЛЬНЫЙ КЛАПАН
CHECK VALVE
ОБРАТНЫЙ КЛАПАН
SOGHT GLASS
СМОТРОВОЕ СТЕКЛО
SAFETY VALVE
ПРЕДОХРАНИТЕЛЬНЫЙ КЛАПАН
SHUT-OFF VALVE
ЗАПОРНЫЙ КЛАПАН
2 WAY ANGLE VALVE W ITH GAS CHARGE PORT
2-
ХОДОВОЙ УГЛОВОЙ КЛАПАН С ПОРТОМ ДЛЯ ЗАПРАВКИ ГАЗОМ
SOLENOID VALVE
ЭЛЕКТРОМАГНИТНЫЙ КЛАПАН
FLARE VALVE
ЗАЩИТНЫЙ КЛАПАН
R1
COMPRESSOR CRANKCASE HEATER
НАГРЕВАТЕЛЬ КАРТЕРА КОМПРЕССОРА
W01
OIL PRESSURE TRANDUCER
ДАТЧИК ДАВЛЕНИЯ МАСЛА
Y5
LIQUID INJECTION SOL. VALVE
ЭЛЕКТРОМАГН. КЛАПАН ВПРЫСКА ЖИДКОСТИ
F12 HP
LOW PRESSURE SW ITCH
РЕЛЕ НИЗКОГО ДАВЛЕНИЯ
F13 HP
HIGH PRESSURE SW ITCH
РЕЛЕ ВЫСОКОГО ДАВЛЕНИЯ
WH1
HIGH PRESSURE TRANSDUCER (0÷ 30 bar)
ДАТЧИК ВЫСОКОГО ДАВЛЕНИЯ (0-30 бар)
WL1
LOW PRESSURE TRANSDUCER (- 0.5 ÷ 7 bar)
ДАТЧИК НИЗКОГО ДАВЛЕНИЯ (- 0,5–7 бар)
WD1
OIL TEMPERATURE
ТЕМПЕРАТУРА МАСЛА
W0E
LEAVING W ATER TEMPERATURE
ТЕМПЕРАТУРА ВОДЫ НА ВЫХОДЕ
W1E
ENTERING W ATER TEMPERATURE
ТЕМПЕРАТУРА ВОДЫ НА ВХОДЕ
ST1
SUCTION TEMPERATURE
ТЕМПЕРАТУРА ВСАСЫВАНИЯ
LEGEND
EVAPORATOR
CONDENSER
OIL SEPARATOR
COMPRESSOR
CHECK VALVE
SAFETY VALVE
SHUT-OFF VALVE
SOLENOID VALVE
EXPANSION VALVE
FLARE VALVE
SIGHT GLASS
2 WAY ANGLE VALVE
WITH
GAS CHARGE PORT
LOW PRESSURE SWITCH
HIGH PRESSURE SWITCH
F12 LP
F13 HP
LOW PRESSURE TRANSDUCER (-0.5 ÷ 7 bar)
HIGH PRESSURE TRANSDUCER (0 ÷ 30 bar)
LEAVING WATER TEMPERATURE
ENTERING WATER TEMPERATURE
WH1
WOE
WL1
WIE
OIL TEMPERATURE
WD1
ST1
SUCTION TEMPERATURE
LIQUID INJECTION SOL. VALVE
Y5
OIL PRESSURE TRANDUCER
WO1
COMPRESSOR CRANKCASE HEATER
R1
WL1
ST1
15.5 BAR
DISHARGE
LINE
CONNECTION
LIQUID
LINE
CONNECTION
LIQUID
LINE
CONNECTION
LIQUID
LINE
CONNECTION
Содержание
- 2 Содержание
- 6 Общие сведения; ВАЖНО; Предупреждения для оператора
- 9 Технические характеристики; Технические данные – EWWD I-SS
- 22 Уровни звукового давления
- 23 со звукопоглощающим шкафом
- 25 Эксплуатационные ограничения; Хранение; Эксплуатация
- 26 Рабочая зона
- 28 Монтажные работы; Доставка; ПРЕДУПРЕЖДЕНИЕ; Перемещение и подъем
- 33 Рис. 1 - Регулировка защитного реле расхода; Предохранительные клапаны контура хладагента
- 39 Падения давления
- 42 Монтаж электрической системы; Общие характеристики
- 43 Электрические характеристики
- 45 Нагреватели масла
- 46 Ограничения агрегата – электропроводка (дополнительно)
- 47 Указания по удаленной конденсаторной установки; Проектирование трубопроводов хладагента
- 49 Рис. 5 - Конденсатор расположен ниже чиллера; Определение размеров линии жидкости
- 50 Таблица 3 - Размеры линий жидкости; Подбор размеров линии нагнетания (горячего газа)
- 51 Таблица 4 - Размеры линий нагнетания; Заряд масла
- 52 Обязанности оператора; Описание цикла циркуляции хладагента
- 71 Предпусковые проверки; Общие положения
- 72 Агрегаты с внешним водяным насосом; Электропитание; Небаланс напряжения питания; max; Питание электронагревателей масла
- 73 Порядок запуска; Включение агрегата
- 74 Сезонное отключение
- 75 Техническое обслуживание системы; Техническое обслуживание компрессора
- 76 Рис. 27 - Установка устройств управления для компрессора Fr4
- 77 Плановое техническое обслуживание; Замена фильтра-осушителя
- 78 Порядок замены патрона фильтра-осушителя
- 79 Замена масляного фильтра
- 81 Порядок пополнения хладагента
- 82 Стандартные проверки
- 83 Карта проверок; Измерения на стороне воды
- 84 Электрические измерения
- 85 Гарантия на обслуживание и ограниченная гарантия
- 86 Утилизация












