Кондиционеры Daikin EWLD-I-SS - инструкция пользователя по применению, эксплуатации и установке на русском языке. Мы надеемся, она поможет вам решить возникшие у вас вопросы при эксплуатации техники.
Если остались вопросы, задайте их в комментариях после инструкции.
"Загружаем инструкцию", означает, что нужно подождать пока файл загрузится и можно будет его читать онлайн. Некоторые инструкции очень большие и время их появления зависит от вашей скорости интернета.

D
–EIMWC00404-14RU - 31/88
Ù
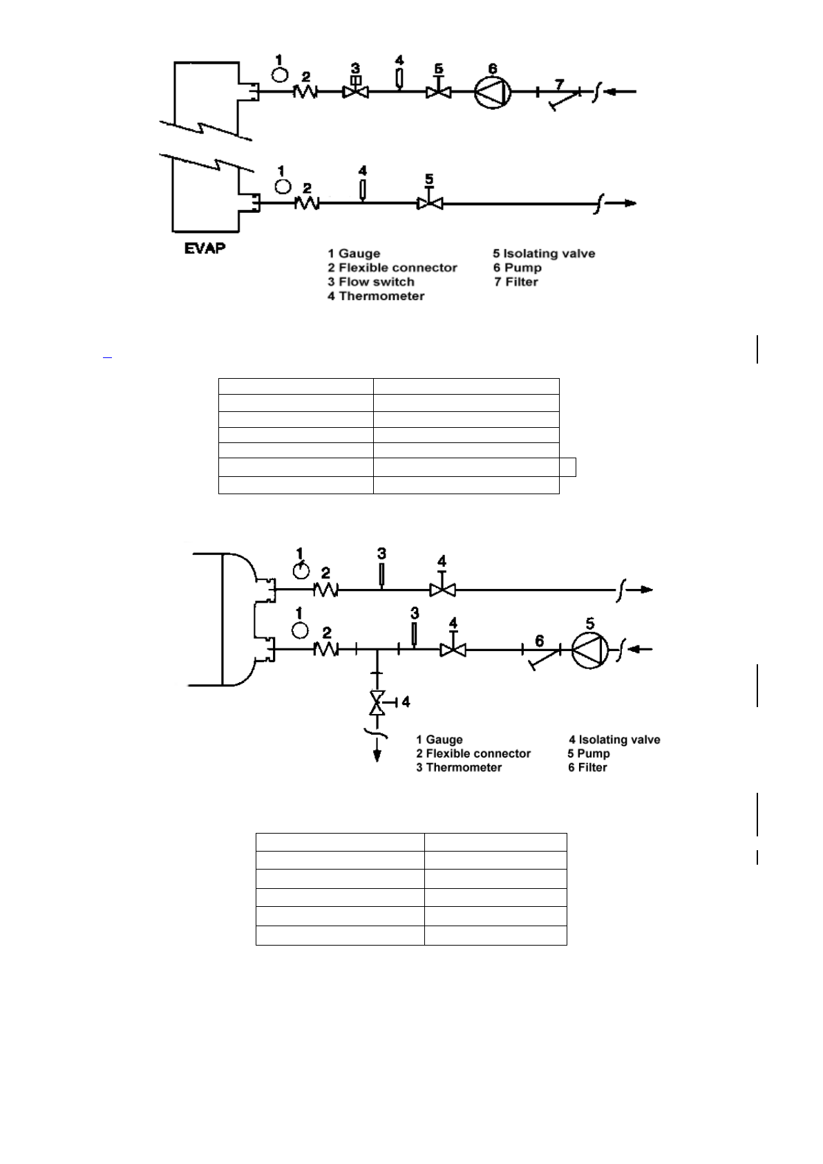
Рис. 3 - Соединение трубопровода воды для испарителя
Рис. 4 - Соединение трубопровода воды для конденсатора и блока теплоутилизации
1 Gauge
1 Манометр
2 Flexible connector
2 Компенсатор
3 Flow switch
3 Реле протока
4 Thermometer
4 Термометр
5 Isolating valve
5 Запорный клапан
6 Pump
6 Насос
7 Filter
7 Фильтр
1 Gauge
1 Манометр
2 Flexible connector
2 Компенсатор
3Thermometer
3 Термометр
4 Isolating valve
4 Запорный клапан
5 Pump
5 Насос
6 Filter
6
Фильтр
Содержание
- 2 Содержание
- 6 Общие сведения; ВАЖНО; Предупреждения для оператора
- 9 Технические характеристики; Технические данные – EWWD I-SS
- 22 Уровни звукового давления
- 23 со звукопоглощающим шкафом
- 25 Эксплуатационные ограничения; Хранение; Эксплуатация
- 26 Рабочая зона
- 28 Монтажные работы; Доставка; ПРЕДУПРЕЖДЕНИЕ; Перемещение и подъем
- 33 Рис. 1 - Регулировка защитного реле расхода; Предохранительные клапаны контура хладагента
- 39 Падения давления
- 42 Монтаж электрической системы; Общие характеристики
- 43 Электрические характеристики
- 45 Нагреватели масла
- 46 Ограничения агрегата – электропроводка (дополнительно)
- 47 Указания по удаленной конденсаторной установки; Проектирование трубопроводов хладагента
- 49 Рис. 5 - Конденсатор расположен ниже чиллера; Определение размеров линии жидкости
- 50 Таблица 3 - Размеры линий жидкости; Подбор размеров линии нагнетания (горячего газа)
- 51 Таблица 4 - Размеры линий нагнетания; Заряд масла
- 52 Обязанности оператора; Описание цикла циркуляции хладагента
- 71 Предпусковые проверки; Общие положения
- 72 Агрегаты с внешним водяным насосом; Электропитание; Небаланс напряжения питания; max; Питание электронагревателей масла
- 73 Порядок запуска; Включение агрегата
- 74 Сезонное отключение
- 75 Техническое обслуживание системы; Техническое обслуживание компрессора
- 76 Рис. 27 - Установка устройств управления для компрессора Fr4
- 77 Плановое техническое обслуживание; Замена фильтра-осушителя
- 78 Порядок замены патрона фильтра-осушителя
- 79 Замена масляного фильтра
- 81 Порядок пополнения хладагента
- 82 Стандартные проверки
- 83 Карта проверок; Измерения на стороне воды
- 84 Электрические измерения
- 85 Гарантия на обслуживание и ограниченная гарантия
- 86 Утилизация












