Кондиционеры Daikin EWAD-D-HS - инструкция пользователя по применению, эксплуатации и установке на русском языке. Мы надеемся, она поможет вам решить возникшие у вас вопросы при эксплуатации техники.
Если остались вопросы, задайте их в комментариях после инструкции.
"Загружаем инструкцию", означает, что нужно подождать пока файл загрузится и можно будет его читать онлайн. Некоторые инструкции очень большие и время их появления зависит от вашей скорости интернета.

D–EIMAC00204-14EU - 23/152
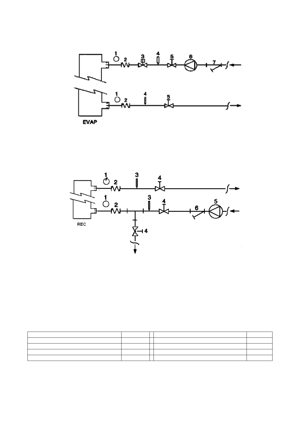
Abbildung 5 – Anschluss der Wasserleitungen am Verdampfer
1.
Manometer
2.
Elastisches Verbindungsstück
3.
Durchflusswächter
4.
Temperaturfühler
5.
Absperrventil
6.
Pumpe
7.
Filter
Abbildung 6 - Anschluss der Wasserleitungen an die Rückgewinnungswärmetauscher
1.
Manometer
2.
Elastisches Verbindungsstück
3.
Temperaturfühler
4.
Absperrventil
5.
Pumpe
6.
Filter
Wasserbehandlung
Vor Inbetriebnahme der Einheit den Wasserkreislauf reinigen.
Schmutz, Kalk, Rostsplitter oder anderes Material können sich
im
Wärmetauscher
ablagern
und
dadurch
dessen
Wärmeaustauschvermögen reduzieren. Es kann auch der
Druckabfall zunehmen und den Wasserdurchfluss reduzieren.
Eine geeignete Wasserbehandlung kann somit die Gefahr von
Korrosion, Erosion, Kalkbildung usw. reduzieren. Welche die
geeignetste Wasserbehandlung ist, muss vor Ort je nach Art
der Anlage und den Eigenschaften des Wassers festgelegt
werden.
Der Hersteller haftet nicht für Schäden oder Betriebsstörungen
des
Geräts
infolge
unterlassener
oder
ungeeigneter
Wasserbehandlung.
Tabelle 1 – Grenzwerte für akzeptable Wasserqualität
pH (25°C)
6,8
÷
8,0
Gesamthärte (mg CaCO
3
/ l)
<
200
Elektrische Leitfähigkeit
µ
S/cm (25°C)
<
800
Eisen (mg Fe / l)
<
1,0
Chloridionen (mg Cl
-
/ l)
<
200
Sulfidionen (mg S
2 -
/ l)
Keine
Sulfationen (mg SO
2
4
-
/ l)
<
200
Ammoniumionen (mg NH
4
+
/ l)
<
1,0
Alkalinität (mg CaCO
3
/ l)
<
100
Kieselerde (mg SiO
2
/ l)
<
50