Кондиционеры Daikin EWAD-D-HS - инструкция пользователя по применению, эксплуатации и установке на русском языке. Мы надеемся, она поможет вам решить возникшие у вас вопросы при эксплуатации техники.
Если остались вопросы, задайте их в комментариях после инструкции.
"Загружаем инструкцию", означает, что нужно подождать пока файл загрузится и можно будет его читать онлайн. Некоторые инструкции очень большие и время их появления зависит от вашей скорости интернета.

D–EIMAC00204-14EU - 114/152
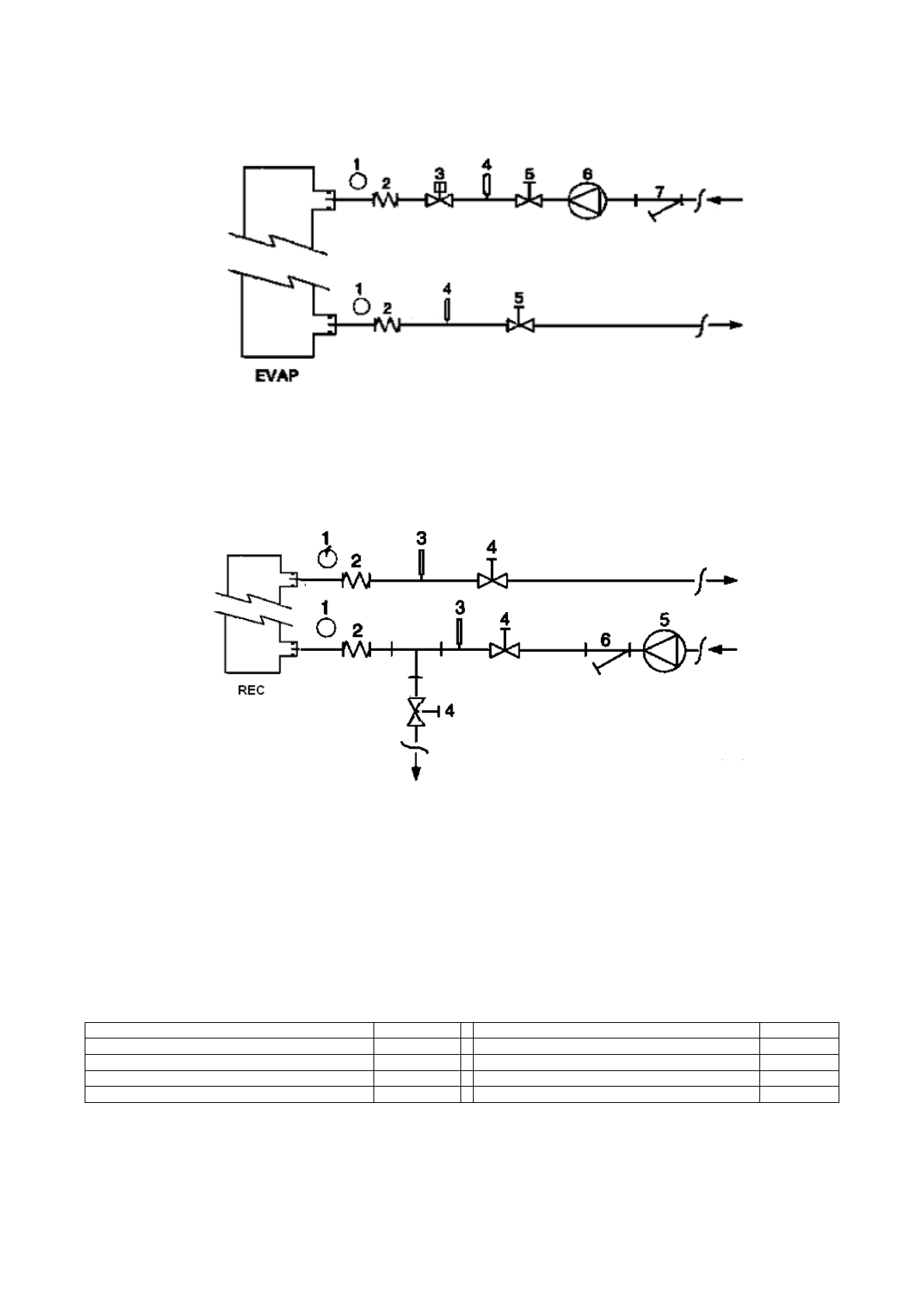
Slika 5 – Spajanje cijevi za vodu za ispariva
č
1. Manometar
2. Fleksibilna spojka
3. Mjera
č
dotoka
4. Temperaturna sonda
5. Ventil za izolaciju
6. Pumpa
7. Filtar
Slika 6 – Spajanje cijevi za vodu za izmjenjiva
č
e koji nadokna
đ
uju toplinu
1. Manometar
2. Fleksibilna spojka
3. Temperaturna sonda
4. Ventil za izolaciju
5. Pumpa
6. Filtar
Tretiranje vode
Prije nego što pokrenete cjelinu, o
č
istite krug za vodu.
Prljavština, kamenac, otpaci hr
đ
e i drugi materijal se mogu
nagomilati u unutrašnjosti izmjenjiva
č
a topline te na taj na
č
in
smanjiti njegovu sposobnost termijskog izmjenjivanja. Može se
pove
ć
ati i pad pritiska i na taj na
č
in se smanjuje dotok vode.
Adekvatni tretman vode stoga smanjuje rizik od korozije,
erozije, stvaranja kamenca itd. Najprikladniji tretman vode se
treba odrediti lokalno s obzirom na vrstu sustava te na
karakteristike vode.
Proizvo
đ
a
č
ne
ć
e biti odgovoran za eventualna ošte
ć
enja ili
nepravilan rad aparature a koji su posljedica neobavljenog ili
nepravilnog tretmana vode.
Tablica 1 – Prihvatljive grani
č
ne vrijednosti kvalitete vode
pH (25°C)
6,8
÷
8,0
Ukupna tvrdo
ć
a (mg CaCO
3
/ l)
<
200
Elektri
č
na provodljivost
µ
S/cm (25°C)
<
800
Željezo (mg Fe / l)
<
1,0
Kloratni ion (mg Cl
-
/ l)
<
200
Sulfidni ion (mg S
2 -
/ l)
Nessuno
Sulfatni ion (mg SO
2
4
-
/ l)
<
200
Amonij ion (mg NH
4
+
/ l)
<
1,0
Alkalnost (mg CaCO
3
/ l)
<
100
Silicij (mg SiO
2
/ l)
<
50