Кондиционеры Daikin EWAD-D-HS - инструкция пользователя по применению, эксплуатации и установке на русском языке. Мы надеемся, она поможет вам решить возникшие у вас вопросы при эксплуатации техники.
Если остались вопросы, задайте их в комментариях после инструкции.
"Загружаем инструкцию", означает, что нужно подождать пока файл загрузится и можно будет его читать онлайн. Некоторые инструкции очень большие и время их появления зависит от вашей скорости интернета.

D–EIMAC00204-14EU - 128/152
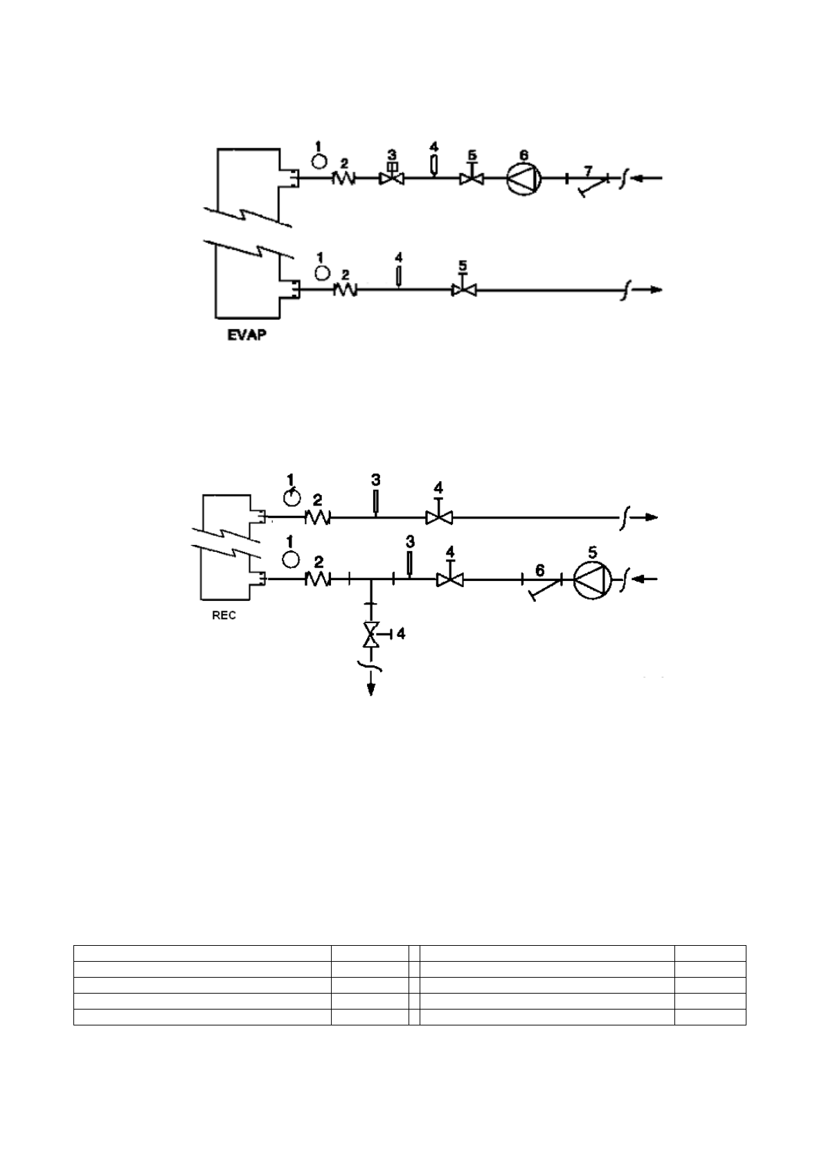
Figure 5 – Conectarea tuburilor de ap
ă
la vaporizator
1. Manometru
2. Conector flexibil
3. Indicator de debit
4. Sond
ă
de temperatur
ă
5. Valv
ă
de izolare
6. Pomp
ă
7. Filtru
Figura 6 - Conectarea tuburilor de ap
ă
pentru schimb
ă
toarele de recuperare a c
ă
ldurii
1. Manometru
2. Conector flexibil
3. Sond
ă
de temperatur
ă
4. Valv
ă
de izolare
5. Pomp
ă
6. Filtru
Tratarea apei
Înainte de a pune în func
ţ
iune unitatea, cur
ăţ
a
ţ
i circuitul de
ap
ă
. Murd
ă
ria, calcarul, resturile datorate corod
ă
rii
ş
i alte
materiale care se pot acumula în interiorul schimb
ă
torului de
c
ă
ldur
ă
reducând capacitatea de schimb termic a acestuia.
Poate duce
ş
i la reducerea presiunii, reducând fluxul de ap
ă
.
Tratamentul adecvat al apei poate reduce riscul de coroziune,
eroziune
ş
i formare a calcarului etc. Tratamentul adecvat al
apei trebuie stabilit local, în func
ţ
ie de tipul sistemului
ş
i
caracteristicilor apei.
Produc
ă
torul nu este responsabil de eventuale daune sau
defecte ale aparatului datorate lipsei sau tratamentului
neadecvat al apei.
Tabel 1 – Limite acceptabile ale calit
ăţ
ii apei
pH (25°C)
6,8
÷
8,0
Duritate total
ă
(mg CaCO
3
/ l)
<
200
Conductivitate electric
ă
µ
S/cm (25°C)
<
800
Fier (mg Fe / l)
<
1,0
Ion clorur
ă
(mg Cl
-
/ l)
<
200
Ion sulfur
ă
(mg S
2 -
/ l)
Niciunul
Ion sulfur
ă
(mg SO
2
4
-
/ l)
<
200
Ion amoniu (mg NH
4
+
/ l)
<
1,0
Alcalinitate (mg CaCO
3
/ l)
<
100
Siliciu (mg SiO
2
/ l)
<
50