Кондиционеры Daikin EKCBX-BBV3 - инструкция пользователя по применению, эксплуатации и установке на русском языке. Мы надеемся, она поможет вам решить возникшие у вас вопросы при эксплуатации техники.
Если остались вопросы, задайте их в комментариях после инструкции.
"Загружаем инструкцию", означает, что нужно подождать пока файл загрузится и можно будет его читать онлайн. Некоторые инструкции очень большие и время их появления зависит от вашей скорости интернета.

Installation manual
10
EKCBX/H008BBV3
Unit for air to water heat pump system
4PW66983-1C – 08.2011
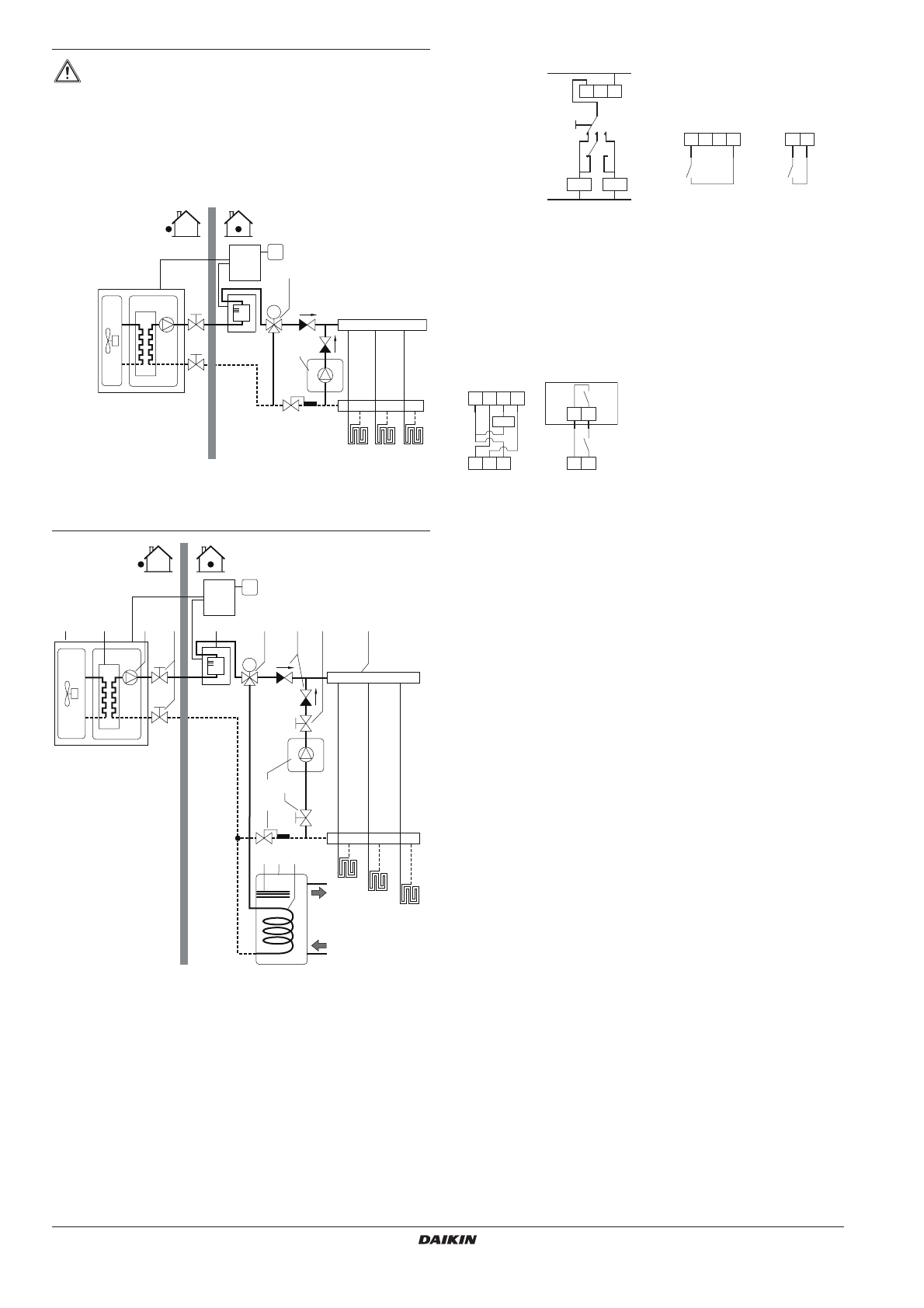
1
Outdoor unit
2
Heat exchanger
3
Pump
4
Shut-off valve
5
Heater kit (optional)
6
Collector (field supply)
7
Motorised 3-way valve
(delivered with the domestic hot water tank)
9
Booster heater
10
Heat exchanger coil
11
Domestic hot water tank (optional)
14
Boiler (field supply)
15
Aquastat valve (field supply)
16
Shut-off valve (field supply)
17
Non-return valve (field supply)
FHL1...3
Floor heating loop (field supply)
C
Control box
I
User interface
Field wiring configuration A
Field wiring configuration B
Operation
■
Configuration A
When the room thermostat requests heating, either the EBHQ*
unit or the boiler starts operating, depending on the position of
the auxiliary contact (A).
■
C
onfiguration B
When the room thermostat requests heating, either the EBHQ*
unit or the boiler starts operating, depending on the outdoor
temperature (status of "permission signal for the auxiliary
boiler").
When the permission is given towards the boiler, the space
heating operation by the EBHQ* unit will be automatically
switched off.
For more details see field setting [C-02~C-04].
CAUTION
■
Be sure that the boiler and the integration of the boiler
in the system is in accordance with the applicable
legislation.
■
Always install a 3-way valve, even if no domestic hot
water tank is installed. This to ensure that the freeze
protection function (see
) can operate when the boiler is
active.
1
Motorised 3-way valve
2
Boiler
■
Daikin can not be put responsible for incorrect or
unsafe situations in the boiler system.
FHL1 FHL2 FHL3
2
M
1
I
C
FHL1
FHL2
FHL3
17
15
16
14
6
16
9 11 10
M
7
I
C
4
3
2
5
1
Boiler
thermostat input
Boiler thermostat input
A
Auxiliary contact (normal closed)
H
Heating demand room thermostat (optional)
K1A
Auxiliary relay for activation of EBHQ* unit
(field supply)
K2A
Auxiliary relay for activation of boiler (field supply)
Boiler
thermostat input
Boiler thermostat input
C
Cooling demand room thermostat (optional)
H
Heating demand room thermostat (optional)
Com
Common room thermostat (optional)
K1A
Auxiliary relay for activation of boiler unit
(field supply)
KCR
Permission signal for the auxiliary boiler
1
2
3
4
K1A
K1A
K2A
X Y
K2A
Boiler
thermostat input
L
N
EKCB(H/X)*/auto
/
Boiler
A
EKCB(H/X)*
X2M
H
Com
X1 X2
X Y
K1A
KCR
EKRP1HB
Boiler
thermostat input
1
2
3
4
C
Com
H
K1A
EKCB(H/X)*
X2M
EKRTW*