Компрессоры PATRIOT REMEZA СБ 4/Ф-500 LB 75 ТБ - инструкция пользователя по применению, эксплуатации и установке на русском языке. Мы надеемся, она поможет вам решить возникшие у вас вопросы при эксплуатации техники.
Если остались вопросы, задайте их в комментариях после инструкции.
"Загружаем инструкцию", означает, что нужно подождать пока файл загрузится и можно будет его читать онлайн. Некоторые инструкции очень большие и время их появления зависит от вашей скорости интернета.

30
QS
QF1
QF2
3~50Гц
В
380
FU2
FU1
K1
K1
K2
K2
M
M
M1
M2
KK1
KK1
KK2
KK2
T
1A
1A
A
A1
A2
A3
B
B1
B2
C
1
2
3
4
5
6
7
C1
C2
C3
~2 4 V
~5 V
FU3
2A
01
0
0
02
BР
P>
PE
HL
SA1
SA2
KT
BP
Прессостат
FU1,FU2
FU3
HL
K1,K2
KK1,KK2
KT
M1,M2
QF1,QF2
QS
SA1,SA2
T
Предохранители цепи управления 380 V,1А
Предохранитель цепи управления 24 V,2А
Сигнализация ”Сеть”
Магнитные пускатели
Тепловое реле
Реле времени
Электродвигатели привода
Автоматические выключатели
Вводной выключатель
Поворотные выключатели
Трансформатор цепи управления
5,5 кВт
5,5 кВт
7,5 кВт
7,3...11,0А
11,0...16,5А
11,0...16,5А
4,0 кВт
5,5 кВт
7,5 кВт
16...20А
20...25А
25...32А
0,063 кВА 380В/24-5В
механическое реле времени
1НЗ+1НР , 1НР контакт
зеленого цвета
15 кВт
15 кВт
22 кВт
380 В
А
, 1
24 В, 2 А
11 бар, 400 В, 16 А
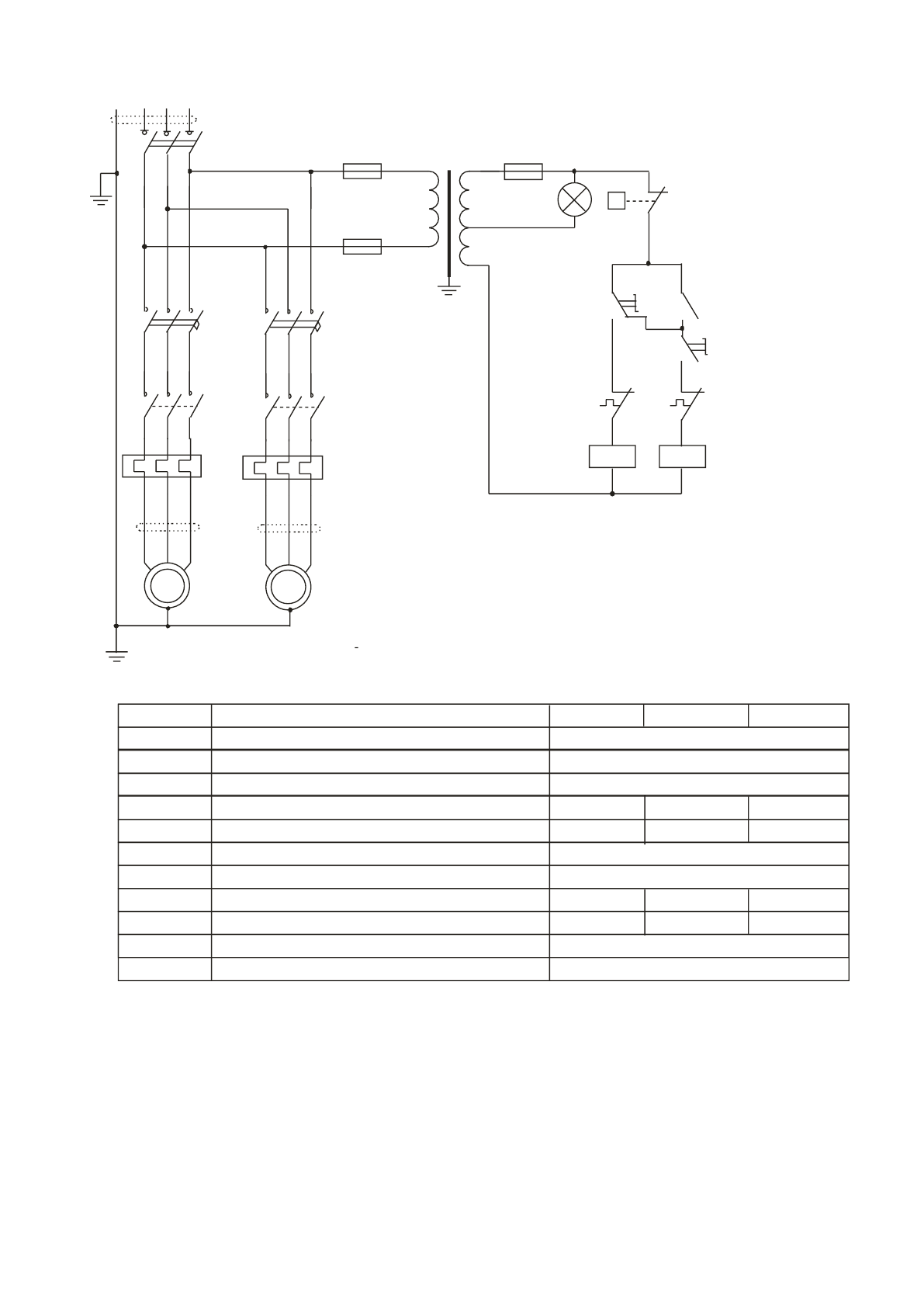
Рисунок А.3 - Схема электрическая принципиальная компрессора
СБ4/Ф-500.LB75Т
Содержание
- 4 Указание мер безопасности
- 8 Подготовка компрессора к работе
- 13 Остановка; Для остановки компрессора необходимо:; Устройство и порядок работы
- 23 3 Очистка компрессора от пыли и загрязнений
- 24 Возможные неисправности и способы их устранения; Наименование; Нарушения в цепи питания
- 25 Гарантии изготовителя
- 29 Рисунок А.1 - Схема электрическая принципиальная компрессоров
- 30 Рисунок А.3 - Схема электрическая принципиальная компрессора
- 31 Журнал учета проведения обслуживания; Карта учета проведения обслуживания
- 33 Гарантийный талон; ремонт компрессорного оборудования; Уважаемый покупатель!
- 34 Для проведения гарантийного ремонта предъявите:; Свидетельство о приемке и упаковывании.; Гарантийные обязательства изготовителя прекращаются, в случае:; Нарушения; Гарантийные обязательства не распространяется:
Характеристики
Остались вопросы?Не нашли свой ответ в руководстве или возникли другие проблемы? Задайте свой вопрос в форме ниже с подробным описанием вашей ситуации, чтобы другие люди и специалисты смогли дать на него ответ. Если вы знаете как решить проблему другого человека, пожалуйста, подскажите ему :)













