Компрессоры DEFORT DCC-252-Lt 93728335 - инструкция пользователя по применению, эксплуатации и установке на русском языке. Мы надеемся, она поможет вам решить возникшие у вас вопросы при эксплуатации техники.
Если остались вопросы, задайте их в комментариях после инструкции.
"Загружаем инструкцию", означает, что нужно подождать пока файл загрузится и можно будет его читать онлайн. Некоторые инструкции очень большие и время их появления зависит от вашей скорости интернета.
Загружаем инструкцию

КОНСЕРВАЦИЯ И УТИЛИЗАЦИЯ
54-74
Приложение
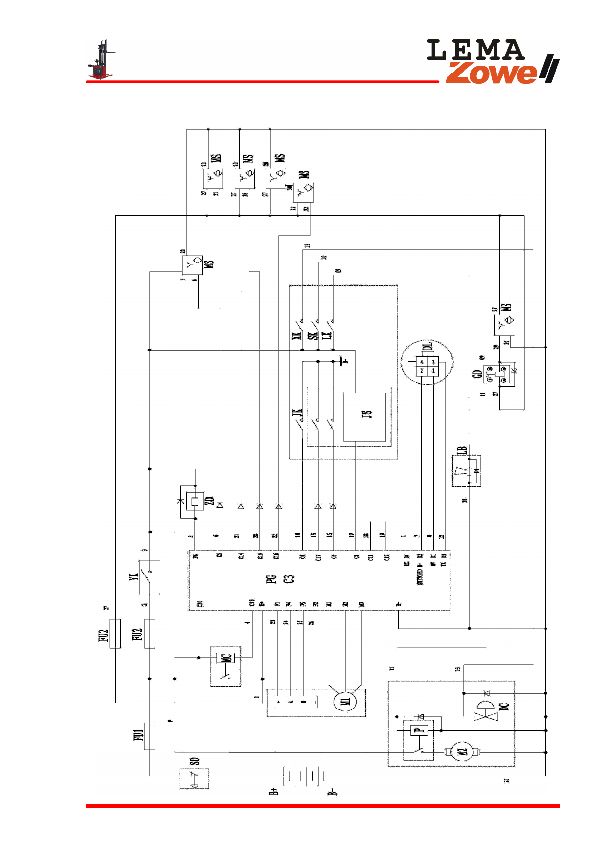
Электрическая схема штабелера
Содержание
- 5 Поздравляем с покупкой самоходного штабелера; Обслуживание клиентов
- 6 Введение – Основные инструкции; Введение; Основные обозначения; Внимательно прочитайте следующие предупреждения
- 7 Служба сервиса клиентов; ОПАСНО ДЛЯ ЛЮДЕЙ; Зоны с опасностью взрыва
- 8 Ограничения применения; Штабелер должен эксплуатироваться в следующих условиях:
- 9 Ограничения в эксплуатации и обслуживании; При невозможности соблюдения нижеописанных процедур; Описание штабелера
- 10 Дополнительное оборудование; Доставка штабелера
- 11 Инструкции по технике безопасности; Общие правила техники безопасности
- 13 Масло гидравлической системы:
- 18 Устройства для обеспечения безопасности
- 20 Технические данные штабелера STR-15
- 21 Таблица мачт
- 22 Технические данные штабелера STR-20
- 24 Уровень шума; Шильда
- 25 Грузоподъемность – График кривой нагрузки; При загрузке руководствуйтесь графиком кривой нагрузки на
- 26 Погрузка и транспортировка штабелера; Транспортировка
- 27 Выполните следующие действия, чтобы поднять штабелер:
- 28 Ознакомление со штабелером; Общий вид
- 29 Определение направления движения; Ручка управления
- 30 Кнопка противоотката
- 31 Выполняйте следующие действия во время разгрузки:; Позиции ручки управления
- 32 Панель управления
- 33 Замковый выключатель; Эксплуатация
- 34 Индикатор ошибок; Доступ к внутреннему оборудованию
- 35 Подножка оператора
- 36 Ежедневная проверка перед использованием; Подъем грузов
- 37 Запуск штабелера
- 38 Остановка штабелера; Подъем груза; Подъем и опускание вил
- 39 Зарядка АКБ с помощью внешнего зарядного
- 40 Использование штабелера с подготовкой для
- 41 Поиск и устранение неисправностей штабелеров; Неисправность
- 42 Обслуживание; Техническое обслуживание; Существует два вида технического обслуживания:; Предварительные операции по техническому; При работе под поднятыми вилами или поднятым
- 43 Обслуживание по необходимости; Чистка штабелера
- 45 Снятие кожуха
- 46 Замена предохранителей; Характеристики предохранителей; Снятие ведущего колеса
- 47 Замена/Регулировка опорных колес; Плановое техническое обслуживание
- 48 Периодичность технического обслуживания:; Проверка затяжки колес
- 50 Карта смазки; Порядок проведения; Позиция Область применения
- 51 Консервация и утилизация; Общие характеристики; Временная консервация; Выполните следующие действия, если штабелер не будет
- 52 Проверка и осмотр после длительного хранения
- 59 Эксплуатация АКБ; ударов или вибрации.
- 61 Ввод в эксплуатацию; Действия, описанные в главах «Подготовка к использованию»,; Подготовка к использованию
- 62 Подготовка для электролита
- 63 Зарядка; Поставляемый аккумулятор всегда имеет начальную; Начальная зарядка; Для банок без начальной зарядки.
- 64 Регулировка плотности и уровня электролита.; Обычная зарядка
- 65 Компенсационная зарядка; Цель уравнительной зарядки; Уравнительная зарядка должна проводиться в следующих; Метод уравнительной зарядки
- 66 B: Зарядное устройство с микропроцессорным управлением; Требования к записи измерений зарядки; Недостаточная зарядка
- 67 Чрезмерная разрядка; Поиск и исправление неисправностей
- 68 Особенности причин неисправностей и методы устранения:; Внутреннее короткое замыкание
- 69 Обслуживание банок; Замена электролита; Транспортировка и хранение
- 70 Обратите внимание
- 71 Гарантийная политика; Определения
- 72 Порядок предоставления гарантии; В случае возникновения неисправности Покупатель должен:; Ограничения в рамках гарантийного
- 73 Претензии по гарантии