Компрессоры COMPRAG F-0710 11410202 - инструкция пользователя по применению, эксплуатации и установке на русском языке. Мы надеемся, она поможет вам решить возникшие у вас вопросы при эксплуатации техники.
Если остались вопросы, задайте их в комментариях после инструкции.
"Загружаем инструкцию", означает, что нужно подождать пока файл загрузится и можно будет его читать онлайн. Некоторые инструкции очень большие и время их появления зависит от вашей скорости интернета.

86
Версия 1.4
(2) подает сигнал на электромагнитный клапан (3), клапан открывается, давлением воздуха
из бака сепаратора (4) закрывает заслонку (5) всасывающего клапана (1), одновременно
происходит разгрузка пневмосистемы компрессора через дроссель.
Загрузка:
С увеличением потребления воздуха, давление в пневмосети падает до минимального
установ-ленного предела, контроллер (2) перестает подачу сигнала на электромагнитный клапан
(3), прекращается подача давления на заслонку (5). Всасывание воздуха возобновляется.
Компрессор переходит в режим 100% нагрузки.
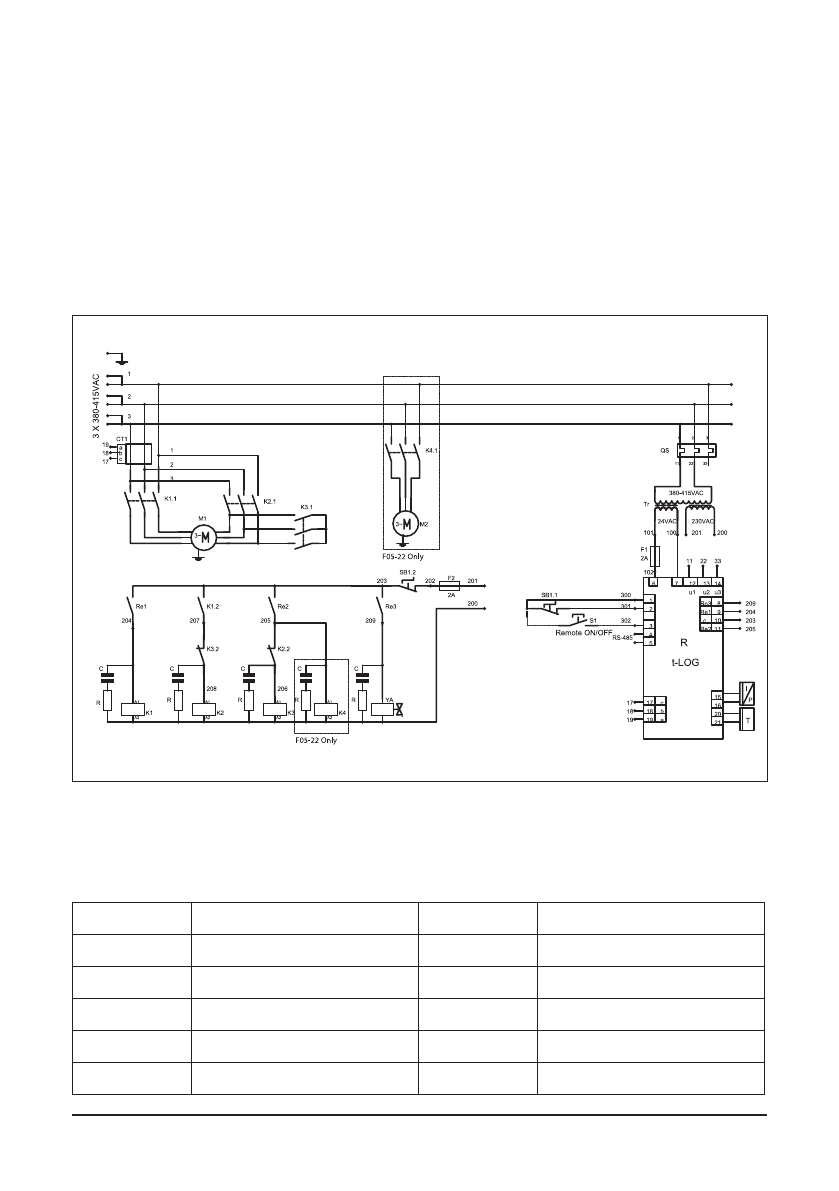
2.6 Схема электрическая принципиальная
Рис. 2.6.1. Схема электрическая F05.. – F22.., FR05.. – FR22.., FRD05.. – FRD22.*
*Для компрессоров серии RDX с рефрижераторным осушителем смотрите документацию на сам
осушитель.
.
Основные компоненты
К1, K2, К3, К4 Контактор
YA
Клапан электромагнитный
М1
Электродвигатель
R
Блок управления
Т
Датчик температуры
I/P
Датчик давления
SB
Кнопка экстренной остановки
CT1
Трансформатор тока
F1, F2
Предохранитель
TR
Трансформатор
М2
Электродвигатель вентилятора
QS
Выключатель автоматический
Содержание
- 75 COMPRAG Компрессор воздушный винтовой F-Серия; Содержание
- 76 Правила техники безопасности; Общие правила безопасности
- 77 Меры безопасности при вводе в эксплуатацию
- 78 Меры безопасности при эксплуатации
- 79 Меры безопасности при обслуживании и ремонте
- 81 Технические данные
- 85 Система регулировки
- 86 Схема электрическая принципиальная
- 87 Ввод в эксплуатацию; Такелажные работы
- 88 Габаритные размеры
- 90 Подготовка помещения
- 91 Подсоединение к линии сжатого воздуха
- 92 Подключение к электропитанию
- 93 Панель управления
- 102 Выключение компрессора; Настройка и сервисное обслуживание; График технического обслуживания
- 103 Проверка уровня масла; Проверка приводных ремней
- 104 Замена масла и масляного фильтра
- 105 Замена воздушного фильтра
- 107 Очистка радиатора; Проверка всасывающего клапана
- 108 Устранение неисправностей; Возможные неисправности; Хранение и утилизация













