Компрессоры COMPRAG F-0710 11410202 - инструкция пользователя по применению, эксплуатации и установке на русском языке. Мы надеемся, она поможет вам решить возникшие у вас вопросы при эксплуатации техники.
Если остались вопросы, задайте их в комментариях после инструкции.
"Загружаем инструкцию", означает, что нужно подождать пока файл загрузится и можно будет его читать онлайн. Некоторые инструкции очень большие и время их появления зависит от вашей скорости интернета.

12
Version 1.4
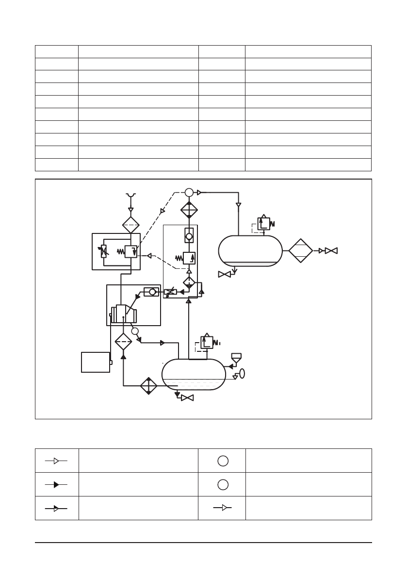
Fig. 2.3.2 Function diagram FR07..-FR22.., FRD07..-FRD22..
Main components
1
Electric motor
11
Min. Pressure valve
2
Belt drive
12
Non-return valve
3
Air end
13
Heat-exchanger, Air section
4
Air filter
14
Heat-exchanger, Oil section
5
Intake valve
16
Oil filter
6
Air-Oil separation tank
17
Drain valve
7
Safety valve
18
Oil filling plug
8
Air-Oil separator
19
Oil level sight glass
9
Throttle valve
20
Air outlet valve
10
Non-return valve
Т
Р
Air flow
Т
Р
Temperature sensor
Т
Р
Oil flow
Т
Р
Pressure sensor
Т
Р
Air/Oil mix flow
Т
Р
Pneumatic control line
M
1
2
3
6
7
8
11
12
9
10
13
20
4
5
18
14
16
17
19
P
T
7
17
22
21
слив конденсата
к потребителю
to the user
condensate drainage
Содержание
- 75 COMPRAG Компрессор воздушный винтовой F-Серия; Содержание
- 76 Правила техники безопасности; Общие правила безопасности
- 77 Меры безопасности при вводе в эксплуатацию
- 78 Меры безопасности при эксплуатации
- 79 Меры безопасности при обслуживании и ремонте
- 81 Технические данные
- 85 Система регулировки
- 86 Схема электрическая принципиальная
- 87 Ввод в эксплуатацию; Такелажные работы
- 88 Габаритные размеры
- 90 Подготовка помещения
- 91 Подсоединение к линии сжатого воздуха
- 92 Подключение к электропитанию
- 93 Панель управления
- 102 Выключение компрессора; Настройка и сервисное обслуживание; График технического обслуживания
- 103 Проверка уровня масла; Проверка приводных ремней
- 104 Замена масла и масляного фильтра
- 105 Замена воздушного фильтра
- 107 Очистка радиатора; Проверка всасывающего клапана
- 108 Устранение неисправностей; Возможные неисправности; Хранение и утилизация













