Компрессоры COMPRAG DACS-3 11130300 - инструкция пользователя по применению, эксплуатации и установке на русском языке. Мы надеемся, она поможет вам решить возникшие у вас вопросы при эксплуатации техники.
Если остались вопросы, задайте их в комментариях после инструкции.
"Загружаем инструкцию", означает, что нужно подождать пока файл загрузится и можно будет его читать онлайн. Некоторые инструкции очень большие и время их появления зависит от вашей скорости интернета.

29
6.5
Смазочно
-
охлаждающая жидкость
Смазочно-охлаждающая жидкость (СОЖ) применяется в соответствии с руководством по эксплу-
атации двигателя.
6.6
Замена
смазочно
-
охлаждающей жидкости
Слейте всю СОЖ из системы охлаждения
в
заранее подготовленную ёмкость.
Для этого ослабьте
хомут
поз.6
Рис.6.
4.1
рукава радиатора и отсоедините рукав
поз.5
Рис.6.
4.1
от радиатора.
Затем
соедините всё обратно.
Открутите пробку на
расширительном
бачке и залейте в расширитель-
ный
бачок
около 15 л
СОЖ. Запустите двигатель на 5-10 минут. Отключите двигатель и
проверьте
уровень СОЖ в расширительном бачке, он должен находится между отметками «MIN» и «MAX
».
При необходимости долейте СОЖ.
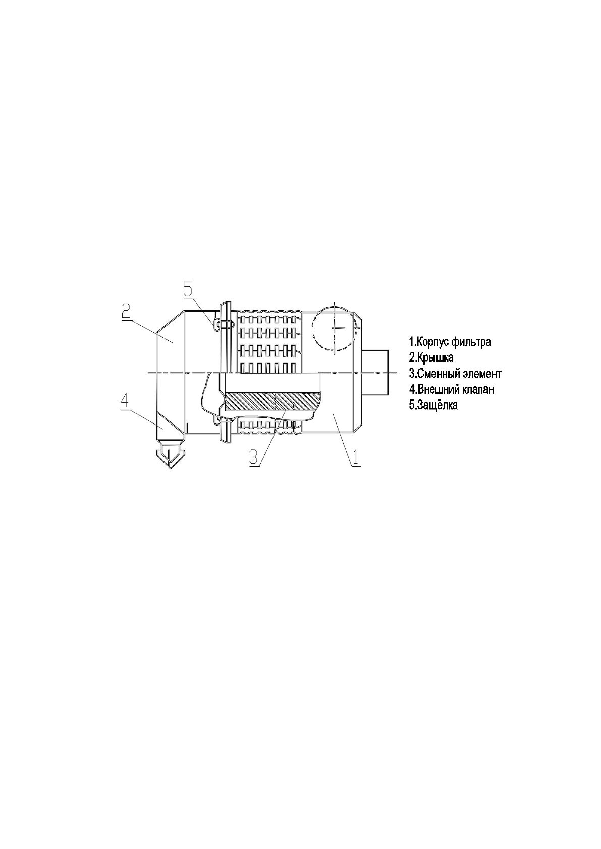
6.7
Замена
воздушного фильтра двигателя
.
Рис. 6.
5
Для замены сменного фильтрующего элемента воздушного фильтра двигателя выполните
следующие действия:
1.
Отщёлкните защёлки фильтра поз.5 Рис.6.
5.
2.
Снимите крышку поз.2 Рис.6.
5
. и выньте сменный элемент фильтра поз.3 Рис.6.
5.
3.
Вставьте новый сменный элемент фильтра.
4.
Установите на место крышку фильтра и защёлкните защёлки.
6.8
Замена
воздушного фильтра компрессора.
Замена воздушного фильтра компрессора выполняется аналогично замене воздушного
фильтра двигателя п.6.
7.
6.9
Очистка пыльника
Для
удаления
пыли из воздушного фильтра резко сдавите рукой резиновый внешний клапан
поз.4 Рис.6.
7
несколько раз до тех пор, пока из него перестанет выходить пыль.













