Компрессоры Abac MICRON.E 2.208-200 4152012026 - инструкция пользователя по применению, эксплуатации и установке на русском языке. Мы надеемся, она поможет вам решить возникшие у вас вопросы при эксплуатации техники.
Если остались вопросы, задайте их в комментариях после инструкции.
"Загружаем инструкцию", означает, что нужно подождать пока файл загрузится и можно будет его читать онлайн. Некоторые инструкции очень большие и время их появления зависит от вашей скорости интернета.

.
. 2200780040 00 -
08/2011 - 35
27.0
!
:
.
,
,
,
,
.
1)
2)
R134a
Ɍɟɦɩɟɪɚɬɭɪɚ
ɢɫɩɚɪɟɧɢɹ
°C
Ⱦɚɜɥɟɧɢɟ
ɜ
ɢɫɩɚɪɢɬɟɥɟ
,
ɛɚɪ
ɇɈɆɂɇȺɅɖɇɕȿ
ɁɇȺɑȿɇɂə
(
Ɍɟɦɩɟɪɚɬɭɪɚ
20
°C)
1 ÷ 2
R134A
2,1 ÷ 2,3
27.1
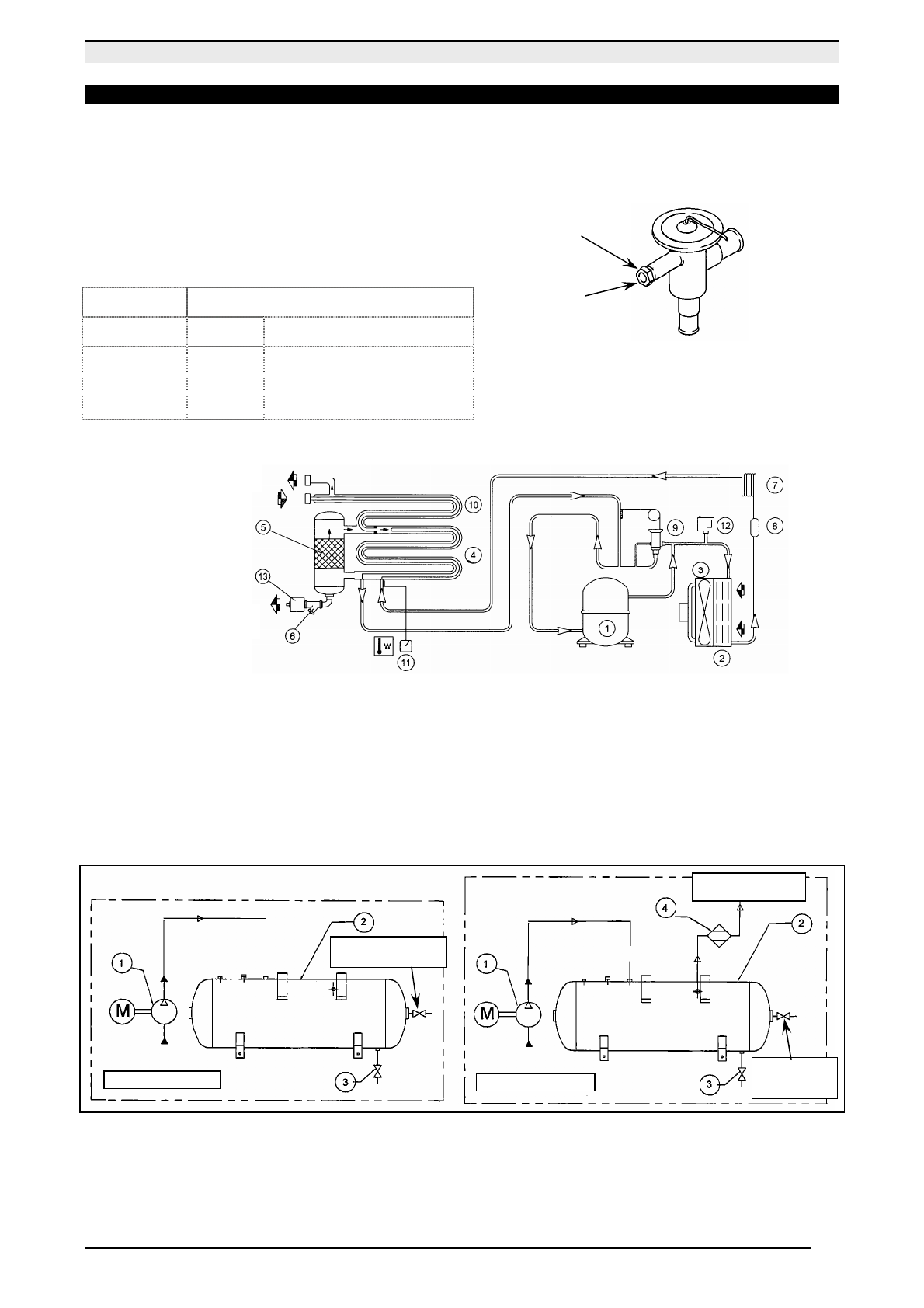
1
ɄɈɆɉɊȿɋɋɈɊ
ɏɅȺȾȺȽȿɇɌȺ
8
ɎɂɅɖɌɊ
ɈɏɅȺɀȾȺɘɓȿɃ
ɀɂȾɄɈɋɌɂ
2
ɄɈɇȾȿɇɋȺɌɈɊ
ɏɅȺȾȺȽȿɇɌȺ
9
ɉȿɊȿɉɍɋɄɇɈɃ
ɄɅȺɉȺɇ
ȽɈɊəɑȿȽɈ
ȽȺɁȺ
3
ȾȼɂȽȺɌȿɅɖ
ȼȿɇɌɂɅəɌɈɊȺ
10
ȼɈɁȾɍɏɈ
-
ȼɈɁȾɍɒɇɕɃ
ɌȿɉɅɈɈȻɆȿɇɇɂɄ
4
ɂɋɉȺɊɂɌȿɅɖ
11
ɌȿɊɆɈɆȿɌɊ
ɌɈɑɄɂ
ɊɈɋɕ
5
ȼɅȺȽɈɍɅɈȼɂɌȿɅɖ
,
ɈɌȾȿɅɂɌȿɅɖ
ɄɈɇȾȿɇɋȺɌȺ
12
ȾȺɌɑɂɄ
ȾȺȼɅȿɇɂə
,
ɂɋɉɈɅɖɁɍɘɓɂɃɋə
ȾɅə
ɍɉɊȺȼɅȿɇɂə
ȼȿɇɌɂɅəɌɈɊɈɆ
6
ɈɌȾȿɅɂɌȿɅɖ
ɉɊɂɆȿɋȿɃ
13
ɗɅȿɄɌɊɈɆȺȽɇɂɌɇɕɃ
ɄɅȺɉȺɇ
ɋȻɊɈɋȺ
ɄɈɇȾȿɇɋȺɌȺ
7
ɊȺɋɒɂɊɂɌȿɅɖɇȺə
ɄȺɉɂɅɅəɊɇȺə
ɌɊɍȻɄȺ
27.2
1
ȼɂɇɌɈȼɈɃ
ɄɈɆɉɊȿɋɋɈɊ
3
ɄɅȺɉȺɇ
ɋȻɊɈɋȺ
ɄɈɇȾȿɇɋȺɌȺ
2
ȼɈɁȾɍɒɇɕɃ
ɊȿɋɂȼȿɊ
4
ɈɋɍɒɂɌȿɅȿɆ
2
1
ɋɌȺɇȾȺɊɌɇȺə
ɉɊɈɂɁȼɈȾɂɌȿɅɖɇɈɋɌɖ
ɋɌȺɇȾȺɊɌɇȺə
ɉɊɈɂɁȼɈȾɂɌȿɅɖ
ɇɈɋɌɖ
ɋɌȺɇȾȺɊɌɇȺə
ɉɊɈɂɁȼɈȾɂɌȿɅɖɇɈɋɌɖ













