Источники бесперебойного питания APC (SY100) - инструкция пользователя по применению, эксплуатации и установке на русском языке. Мы надеемся, она поможет вам решить возникшие у вас вопросы при эксплуатации техники.
Если остались вопросы, задайте их в комментариях после инструкции.
"Загружаем инструкцию", означает, что нужно подождать пока файл загрузится и можно будет его читать онлайн. Некоторые инструкции очень большие и время их появления зависит от вашей скорости интернета.

250/500 kW 400/480 V
Fuses, Breakers, and Cables in the US
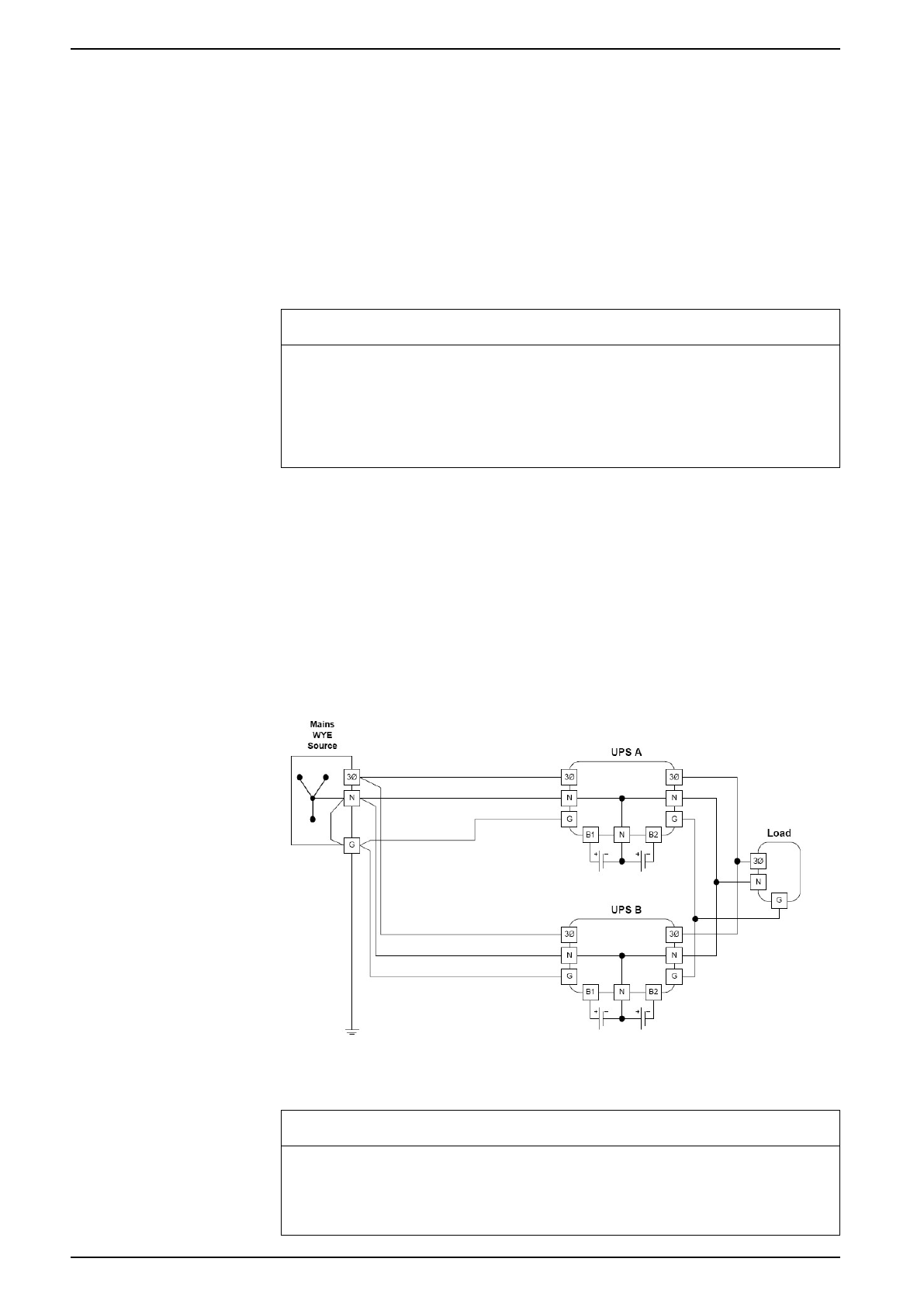
In single utility/mains systems, supply the UPS from a grounded 4–wire WYE
service.
Schneider Electric also supports 3–wire installations if the utility/mains transformer
is a grounded WYE transformer located in the same building. In this installation,
the UPS system must be installed as a separately derived system. Leakage
currents will occur in the bonding jumper and the technical/system earth.
In dual utility/mains systems, use a 4–wire supply for the bypass and a 3–wire
supply for the input. Both must be WYE sources. Delta input supply for either input
or bypass is not permitted.
NOTICE
HAZARD OF EQUIPMENT DAMAGE
In 3–wire systems, Schneider Electric recommends that you add a label with the
following wording: “Notice! The UPS is installed as a 3–wire system so the
system must only be loaded with phase-to-phase load.”
Failure to follow these instructions can result in equipment damage.
NOTE:
3–wire installations using bonding wire will result in a higher leakage
current. Leakage current for a typical installation is usually within UL and
industry standard requirements.
Parallel Systems
NOTE:
For parallel systems, the cable lengths for bypass and output must be
the same for all parallel UPS units to ensure correct load sharing in bypass
operation. In single utility/mains installations this applies to input cables.
Schneider Electric recommends that the Symmetra PX 250/500 kW parallel
system is supplied from a grounded 4–wire WYE service.
However if the load is a 3–phase load, the three alternatives below for 3–wire
installations are allowed:
NOTICE
HAZARD OF MALFUNCTIONING
Phase-Neutral loading is not permitted.
Failure to follow these instructions can result in equipment damage.
28
990-3880G-001
Характеристики
Остались вопросы?Не нашли свой ответ в руководстве или возникли другие проблемы? Задайте свой вопрос в форме ниже с подробным описанием вашей ситуации, чтобы другие люди и специалисты смогли дать на него ответ. Если вы знаете как решить проблему другого человека, пожалуйста, подскажите ему :)