Hintek PROF-05220 5 кВт 04.000049 - Инструкция по эксплуатации

Hintek PROF-05220 5 кВт 04.000049

Обогреватель Hintek PROF-05220 5 кВт 04.000049 - инструкция пользователя по применению, эксплуатации и установке на русском языке. Мы надеемся, она поможет вам решить возникшие у вас вопросы при эксплуатации техники.

Если остались дополнительные вопросы — свяжитесь с нами через контактную форму.

1 Страница 1
2 Страница 2
3 Страница 3
4 Страница 4
5 Страница 5
6 Страница 6
7 Страница 7
8 Страница 8
9 Страница 9
10 Страница 10
11 Страница 11
12 Страница 12
13 Страница 13
14 Страница 14
15 Страница 15
16 Страница 16
17 Страница 17
18 Страница 18
19 Страница 19
20 Страница 20
Страница: / 20

Содержание:

  • Страница 3 – СОДЕРЖАНИЕ; Транспортирование, хранение и утилизация; Возможные неисправности
  • Страница 4 – Уважаемый покупатель!
  • Страница 5 – ТРЕБОВАНИЯ БЕЗОПАСНОСТИ
  • Страница 7 – ТЕХНИЧЕСКИЕ ХАРАКТЕРИСТИКИ
  • Страница 8 – УСТРОЙСТВО И ПРИНЦИП РАБОТЫ
  • Страница 9 – ПОДгОТОВКА К РАБОТЕ
  • Страница 12 – СЕРТИфИКАЦИЯ ПРОДУКЦИИ
  • Страница 13 – По заказу / организация, уполномоченная принимать претен-; ВОЗМОЖНЫЕ НЕИСПРАВНОСТИ
  • Страница 14 – 021 «Тепловентиляторы электрические». и признана годной для
  • Страница 15 – гАРАНТИИ ИЗгОТОВИТЕЛЯ
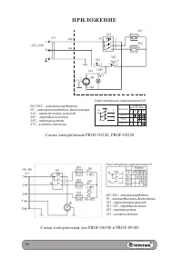
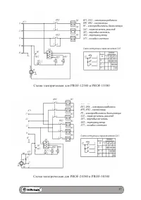
  • Страница 16 – ПРИЛОЖЕНИЕ
Загрузка инструкции

ТЕПЛОВАЯ ПУШКА

ПАСПОРТ И РУКОВОДСТВО

ПО ЭКСПЛУАТАЦИИ

PROF-03220, PROF-05220,

PROF-06380, PROF-09380,

PROF-12380, PROF-15380,

PROF-24380, PROF-30380

"Загрузка инструкции" означает, что нужно подождать пока файл загрузится и можно будет его читать онлайн. Некоторые инструкции очень большие и время их появления зависит от вашей скорости интернета.

Краткое содержание

Страница 3 - СОДЕРЖАНИЕ; Транспортирование, хранение и утилизация; Возможные неисправности

3 СОДЕРЖАНИЕ 1. Общие указания .............................................................. 4 2. Требования безопасности ............................................. 5 3. Технические характеристики ...................................... 7 4. Комплектность ............................................

Страница 4 - Уважаемый покупатель!

4 Уважаемый покупатель! Поздравляем Вас с приобретением новой тепловой пушки. При правильном обращении она прослужит Вам долгие годы. Вся про- дукция торговой марки HINTEK производится в соответствии с международными и российскими стандартами безопасности и качества. Перед использованием тепловой пу...

Страница 5 - ТРЕБОВАНИЯ БЕЗОПАСНОСТИ

5 ния напряжения от 198 до 242 В). Тепловые пушки Hintek PROF- 06380, PROF-09380, PROF-12380, PROF-15380, PROF-24380 и PROF-30380, рассчитаны на питание от электросети переменно- го тока частотой 50Гц, номинальное напряжение сети 380В (±10% допустимые колебания напряжения от 342 до 418 В). 1.5 Внима...

Характеристики

Другие модели - Обогреватели Hintek

Все обогреватели Hintek