Graco SaniForce BESE1A- Инструкция по эксплуатации

Graco SaniForce BESE1A

Graco SaniForce BESE1A- инструкция пользователя по применению, эксплуатации и установке на русском языке. Мы надеемся, она поможет вам решить возникшие у вас вопросы при эксплуатации техники.

Если остались дополнительные вопросы — свяжитесь с нами через контактную форму.

1 Страница 1
2 Страница 2
3 Страница 3
4 Страница 4
5 Страница 5
6 Страница 6
7 Страница 7
8 Страница 8
9 Страница 9
10 Страница 10
11 Страница 11
12 Страница 12
13 Страница 13
14 Страница 14
15 Страница 15
16 Страница 16
17 Страница 17
18 Страница 18
19 Страница 19
20 Страница 20
21 Страница 21
22 Страница 22
23 Страница 23
24 Страница 24
25 Страница 25
26 Страница 26
27 Страница 27
28 Страница 28
29 Страница 29
30 Страница 30
31 Страница 31
32 Страница 32
33 Страница 33
34 Страница 34
35 Страница 35
36 Страница 36
37 Страница 37
38 Страница 38
39 Страница 39
40 Страница 40
41 Страница 41
42 Страница 42
43 Страница 43
44 Страница 44
45 Страница 45
46 Страница 46
47 Страница 47
48 Страница 48
49 Страница 49
50 Страница 50
51 Страница 51
52 Страница 52
53 Страница 53
54 Страница 54
55 Страница 55
56 Страница 56
57 Страница 57
58 Страница 58
59 Страница 59
60 Страница 60
61 Страница 61
62 Страница 62
Страница: / 62
Загрузка инструкции

3A2507T

RU

Èíñòðóêöèÿ ïî ýêñïëóàòàöèè
è ñïåöèôèêàöèÿ äåòàëåé

SaniForce

Áóíêåðíàÿ îòêà÷íàÿ ñèñòåìà

Äëÿ ïðèìåíåíèÿ ñîâìåñòíî ñ ìåøêàìè îáúåìîì 1135 ë â áóíêåðíûõ êîíòåéíåðàõ.
Òîëüêî äëÿ ïðîôåññèîíàëüíîãî èñïîëüçîâàíèÿ.
Îáîðóäîâàíèå íå ñîîòâåòñòâóåò òðåáîâàíèÿì Äèðåêòèâ ÀÒÅÕ.

Íà ñòð. 3 ïðèâîäèòñÿ èíôîðìàöèÿ î ìîäåëÿõ îáîðóäîâàíèÿ (â òîì ÷èñëå î ìàêñèìàëüíîì ðàáî÷åì äàâëåíèè
è ñîîòâåòñòâèè ñòàíäàðòàì).

Âàæíûå èíñòðóêöèè ïî òåõíèêå áåçîïàñíîñòè
Âíèìàòåëüíî ïðî÷òèòå âñå ñîäåðæàùèåñÿ
â äàííîì ðóêîâîäñòâå ïðåäóïðåæäåíèÿ
è èíñòðóêöèè. Ñîõðàíèòå ýòè èíñòðóêöèè.

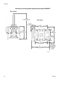
Íà èëëþñòðàöèè ïðåäñòàâëåíà
ìîäåëü BESE1A

ti16236a

"Загрузка инструкции" означает, что нужно подождать пока файл загрузится и можно будет его читать онлайн. Некоторые инструкции очень большие и время их появления зависит от вашей скорости интернета.

Характеристики

Другие модели - Graco

Все другое Graco