Graco Reactor E-XP2i_kompressor- Инструкция по эксплуатации

Graco Reactor E-XP2i_kompressor

Graco Reactor E-XP2i_kompressor- инструкция пользователя по применению, эксплуатации и установке на русском языке. Мы надеемся, она поможет вам решить возникшие у вас вопросы при эксплуатации техники.

Если остались дополнительные вопросы — свяжитесь с нами через контактную форму.

1 Страница 1
2 Страница 2
3 Страница 3
4 Страница 4
5 Страница 5
6 Страница 6
7 Страница 7
8 Страница 8
9 Страница 9
10 Страница 10
Страница: / 10

Содержание:

  • Страница 2 – УВЕДОМЛЕНИЕ
  • Страница 3 – Установка воздушного бака
  • Страница 4 – Подсоединение линий подачи воздуха
  • Страница 5 – Подключение кабеля питания
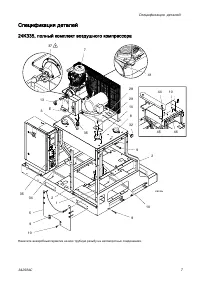
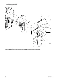
  • Страница 7 – Спецификация деталей; 4K335, полный комплект воздушного компрессора
  • Страница 10 – Стандартная гарантия компании Graco; Сведения о компании Graco
Загрузка инструкции

Инструкции и детали

Комплект воздушного
компрессора

3A2934C

RU

Воздушный компрессов и приемный бак для интегрированных многокомпонентных систем

дозирования Reactor® E-30i и E-XP2i. Для профессионального использования вне помещений.

Не подлежит применению во взрывоопасных средах.

Важные инструкции по технике безопасности

Прочтите все содержащиеся в данном руководстве

предупреждения и инструкции. Сохраните эти инструкции.

24K335

PROVEN QUALITY. LEADING TECHNOLOGY.

"Загрузка инструкции" означает, что нужно подождать пока файл загрузится и можно будет его читать онлайн. Некоторые инструкции очень большие и время их появления зависит от вашей скорости интернета.

Краткое содержание

Страница 2 - УВЕДОМЛЕНИЕ

Contents Установка воздушного компрессора ....................... 2Установка воздушного бака ................................... 3Подсоединение линий подачи воздуха ................... 3 Подключение кабеля питания ................................ 5Спецификация деталей ..................................

Страница 3 - Установка воздушного бака

Установка воздушного бака Установка воздушного бака См. иллюстрации деталей в спецификации деталей на стр. 8. 1. Подсоедините ниппель (26), дренажный клапан для воды (16), соединитель (15) и соединитель (31) к перегородке (30). Нанесите на резьбу ленту из ПТФЭ для уплотнения трубных соединений. 2. У...

Страница 4 - Подсоединение линий подачи воздуха

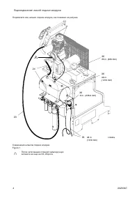
Подсоединение линий подачи воздуха Подключите все шланги подачи воздуха, как показано на рисунке. 36 36 23 ti18580a 25 in. (635 mm) 48 in.(1219 mm) 48 in.(1219 mm) 36 9 in. (228.6 mm) 36 24 24 36 Соединения шлангов подачи воздуха Figure 1 1 После затягивания стяжной гайки вручную затяните ее еще на ...

Характеристики

Другие модели - Graco

Все другое Graco