Страница 2 - Содержание
2 313691L Содержание Сопутствующие руководства . . . . . . . . . . . . . . . . . . . . . . . 3 Предупреждения . . . . . . . . . . . . . . . . . . . . . . . . . . . . . . . . . . . 4 Важная информация о двухкомпонентных материалах . . . . . . . . . . . . . . . . . . . . . . . . . . . . . . . . . . . ...
Страница 3 - Сопутствующие руководства
Сопутствующие руководства 313691L 3 Сопутствующие руководства Руководство Описание 312792 Поршневой насос Merkur 312793 Поршневой сильфонный насос Merkur 312794 Блок насоса Merkur 312795 Блок сильфонного насоса Merkur 312796 Пневматический двигатель NXT ™ 312797 Распылительные аппараты Merkur без по...
Страница 4 - Предупреждения; WARNING; ПРЕДУПРЕЖДЕНИЕ
Предупреждения 4 313691L Предупреждения Следующие предупреждения относятся к установке, эксплуатации, заземлению, техническому обслуживанию и ремонту данного оборудования. Символом восклицательного знака отмечены общие предупреждения, а знаки опасности указывают на риск, связанный с определенной про...
Страница 6 - Важная информация о двухкомпонентных материалах
Важная информация о двухкомпонентных материалах 6 313691L Важная информация о двухкомпонентных материалах Меры предосторожности при работе с изоцианатами Самовоспламенение материала Раздельное хранение компонентов A и B Чувствительность изоцианатов к воздействию влаги Изоцианаты (ISO) – это катализа...
Страница 7 - Модели
Модели 313691L 7 Модели Проверьте 6-значный номер артикула вашего аппарата, указанный на паспортной табличке. Для определения компонентов аппарата воспользуйтесь приведенными ниже матрицей и таблицами. Например, аппарат номер G30C76 представляет собой аппарат Merkur (G) с соотношением 30:1 (30) , с ...
Страница 8 - Соответствие стандартам контролирующих организаций
Модели 8 313691L Соответствие стандартам контролирующих организаций Аппараты Merkur 15:1 для работы при температуре окружающей среды (G15Cxx и G15Wxx) Максимальное давление воздуха на входе: 0,7 МПа (7 бар, 100 фунтов на кв. дюйм) Максимальное рабочее давление жидкости: 10,3 МПа (103 бар, 1500 фунто...
Страница 9 - Аппараты Merkur 15:1 с сильфонными насосами для работы при; Аппараты Merkur 18:1 для работы при температуре окружающей среды
Модели 313691L 9 Аппараты Merkur 15:1 с сильфонными насосами для работы при температуре окружающей среды (G15Bxx) Максимальное давление воздуха на входе: 0,7 МПа (7 бар, 100 фунтов на кв. дюйм) Максимальное рабочее давление жидкости: 10,3 МПа (103 бар, 1500 фунтов на кв. дюйм) * Фильтр жидкости соде...
Страница 10 - Аппараты Merkur 23:1 для работы при температуре окружающей среды; Аппараты Merkur 24:1 для работы при температуре окружающей среды
Модели 10 313691L Аппараты Merkur 23:1 для работы при температуре окружающей среды (G23Cxx и G23Wxx) Максимальное давление воздуха на входе: 0,7 МПа (7 бар, 100 фунтов на кв. дюйм) Максимальное рабочее давление жидкости: 15,9 МПа (159 бар, 2300 фунтов на кв. дюйм) Аппараты Merkur 23:1 с сильфонными ...
Страница 11 - Аппараты Merkur 24:1 с сильфонными насосами для работы при; Аппараты Merkur 28:1 для работы при температуре окружающей среды
Модели 313691L 11 Аппараты Merkur 24:1 с сильфонными насосами для работы при температуре окружающей среды (G24Bxx) Максимальное давление воздуха на входе: 0,7 МПа (7 бар, 100 фунтов на кв. дюйм) Максимальное рабочее давление жидкости: 16,5 МПа (165 бар, 2400 фунтов на кв. дюйм) * Фильтр жидкости сод...
Страница 12 - Аппараты Merkur 30:1 для работы при температуре окружающей среды
Модели 12 313691L Аппараты Merkur 30:1 для работы при температуре окружающей среды (G30Wxx и G30Cxx) Максимальное давление воздуха на входе: 0,7 МПа (7 бар, 100 фунтов на кв. дюйм)Максимальное рабочее давление жидкости: 20,7 МПа (207 бар, 3000 фунтов на кв. дюйм ) Аппараты Merkur 30:1 с подогревом (...
Страница 13 - Установка
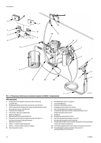
Установка 313691L 13 Установка Компоненты комплекта могут изменяться. Для определения компонентов, включенных в вашу модель, см. стр. 8–12. Позиции, определяемые как "вспомогательные устройства", не входят в комплектацию аппарата. Обозначения. A Воздушный запорный клапан (вспомогательное уст...
Страница 15 - Общие сведения; Подготовка оператора; Насосы с монтажом на стену
Установка 313691L 15 Общие сведения ПРИМЕЧАНИЕ. Указанные в тексте справочные номера и буквы в скобках относятся к сноскам на рисунках и чертежах деталей. ПРИМЕЧАНИЕ. Всегда используйте оригинальные детали и вспомогательные устройства от компании Graco, которые можно приобрести у дистрибьютора компа...
Страница 16 - Вентиляция камеры распыления; Поставляется только с электростатическими; Шланги для подачи воздуха и жидкости
Установка 16 313691L Вентиляция камеры распыления Система подачи воздуха на пистолет должна быть связана с вентиляторами электрической цепью таким образом, чтобы работа пистолета была невозможна при выключенных вентиляторах. Изучите и соблюдайте все национальные, государственные и местные правила и ...
Страница 17 - Заземление
Установка 313691L 17 Заземление Ниже приведены минимальные требования к заземлению для базовой электростатической системы. Ваша система может также включать иное оборудование и предметы, требующие заземления. Подробные инструкции по заземлению см. в местных электротехнических правилах и нормах. Сист...
Страница 18 - Настройка; Аппараты для работы при температуре; Аппараты с подогревом; Доступ к электрическому корпусу.
Установка 18 313691L Настройка Аппараты для работы при температуре окружающей среды 1. См. Р ИС . 1. Прикрепите синий шланг подачи жидкости (Z) к выходу фильтра (F). 2. Прикрепите правый резьбовой конец воздушного шланга (AA) к регулятору подачи воздуха в пистолет (T ). 3. Прикрепите левый резьбовой...
Страница 20 - Эксплуатация; Процедура снятия давления; Блокировка пускового
Эксплуатация 20 313691L Эксплуатация Процедура снятия давления 1. Включите блокиратор пускового курка. 2. Переведите выключатель ВКЛЮЧЕНИЯ/ ВЫКЛЮЧЕНИЯ электростатического поля пистолета в положение ВЫКЛЮЧЕНИЯ. 3. Закройте главный воздушный кран стравливающего типа. 4. Выключите блокиратор пускового ...
Страница 21 - Смачиваемая крышка
Эксплуатация 313691L 21 Смачиваемая крышка Перед началом эксплуатации заполните смачиваемую крышку на 1/3 жидкостью для щелевых уплотнений Graco (TSL) или совместимым растворителем. Заправка насоса 1. Переведите выключатель ВКЛЮЧЕНИЯ/ВЫКЛЮЧЕНИЯ электростатического поля пистолета в положение ВЫКЛЮЧЕН...
Страница 22 - Установка распылительного
Эксплуатация 22 313691L Установка распылительного наконечника Выполните инструкции раздела Процедура снятия давления , стр. 20. Установите распылительный наконечник и защитный щиток согласно инструкциям, приведенным в отдельном руководстве к пистолету (входит в комплект). Будьте осторожны, чтобы не ...
Страница 23 - Регулировка формы распыла; Окончание работы
Эксплуатация 313691L 23 Регулировка формы распыла 1. См. Р ИС . 7. Перекройте подачу воздуха, регулирующего факел распыла, поворачивая регулятор подачи по часовой стрелке до упора. В результате в пистолете будет установлен самый широкий распыл. 2. См. Р ИС . 8. При нажатии на курок установите давлен...
Страница 24 - Техническое обслуживание; График профилактического
Техническое обслуживание 24 313691L Техническое обслуживание График профилактического обслуживания Периодичность проведения обслуживания зависит от конкретных условий эксплуатации системы. Составьте график проведения профилактического обслуживания и укажите определенные виды обслуживания и время их ...
Страница 25 - Поиск и устранение неисправностей
Поиск и устранение неисправностей 313691L 25 Поиск и устранение неисправностей • Прежде чем разбирать насос, проверьте оборудование на предмет обнаружения всевозможных неполадок и их причин. • Для решения всех проблем, связанных с электростатическим оборудованием, см. раздел "Поиск и устранение ...
Страница 26 - Элементы управления и индикаторы модуля DataTrak
Элементы управления и индикаторы модуля DataTrak 26 313691L Элементы управления и индикаторы модуля DataTrak Расшифровка обозначений на Р ИС . 9 AA Ограничение разгона, в циклах в минуту (задается пользователем; 00 = ВЫКЛ) AB Нижнее смещение (задается пользователем) AC Единицы расхода (задаются поль...
Страница 27 - Эксплуатация модуля DataTrak; Режим настройки; Режим работы; Разгон
Эксплуатация модуля DataTrak 313691L 27 Эксплуатация модуля DataTrak ПРИМЕЧАНИЕ. Дисплей (AE) выключится через 1 минуту для продления срока службы аккумулятора. Для включения дисплея нажмите любую кнопку. Режим настройки 1. См. Р ИС . 9. Нажмите и удерживайте кнопку в течение 5 секунд, пока не появи...
Страница 28 - Счетчик/общий счетчик; Дисплей; Диагностика
Эксплуатация модуля DataTrak 28 313691L Заправка/промывка 1. См. Р ИС . 9. Для входа в режим заправки/промывки нажмите любую кнопку, чтобы включить дисплей, а затем нажмите . На дисплее появится символ заправки/промывки, и светодиодный индикатор начнет мигать . 2. При включенном режиме заправки/пром...
Страница 30 - Замена аккумулятора или предохранителя модуля DataTrak; Замена аккумулятора; Замена предохранителя
Эксплуатация модуля DataTrak 30 313691L Замена аккумулятора или предохранителя модуля DataTrak Замена аккумулятора 1. Отвинтите кабель от задней поверхности блока язычкового переключателя. См. Р ИС . 11. 2. Извлеките кабель из двух кабельных зажимов. 3. Снимите модуль DataTrak с кронштейна. См. Р ИС...
Страница 31 - Спецификация деталей; Модели для работы при температуре окружающей среды, монтаж
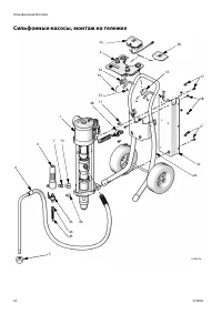
Спецификация деталей 313691L 31 Спецификация деталей Модели для работы при температуре окружающей среды, монтаж на тележке или на стене 1 2 3a 4 5 48 16 7 13 3b Показана модель G30C76. ti13169a 6 65 53 8 9 10 22 9a 9b 37 ti12637b
Страница 34 - Модели с подогревом, монтаж на тележке или на стене
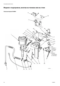
Спецификация деталей 34 313691L Модели с подогревом, монтаж на тележке или на стене 64 67 67 63 62 66 61 48 69 70 71 72 4 5 74 73 81 82 2 3a 3b ti13018a ti13112a 84 75 76 Показана модель G30W86 1 61a 61b 60 6 77 83b(моделис монтажомна тележке) 83a(модели смонтажомна стене)
Страница 37 - Комплекты; Комплект 24A578 для настенного монтажа (не для сильфонных
Комплекты 313691L 37 Комплекты Комплект 24A578 для настенного монтажа (не для сильфонных насосов) ПРИМЕЧАНИЕ. Монтажный комплект 24E883 для системы управления подачей воздуха требуется также для настенного монтажа аппарата с панелью управления. См. стр. 40. Комплект 256427 для монтажа на тележке (не...
Страница 38 - сильфонных насосов на тележке
Комплекты 38 313691L Комплект 24E879 для монтажа сильфонных насосов на тележке Комплект монтажа системы управления воздухом для сильфонных насосов В состав комплекта 24E884 входят монтажные клинья для правой и левой сторон (55 и 56), стопорные гайки (32) и винты (37). Справ. Описание Кол-во 15a Шайб...
Страница 39 - Комплекты панели управления для пистолета и насоса
Комплекты 313691L 39 Комплекты панели управления для пистолета и насоса Комплекты 24A581 и 24A584 301 302 303 304 305 306 307 308 312 314 317 309 308 304 310 316 ti13565a 311 307 313 319 321 303 310 ti13467a 315 325 324 Справ. Деталь Описание Кол-во 301 114362 КЛАПАН, шаровой 1 302 15T643 ВЕРТЛЮГ, т...
Страница 41 - Монтажные размеры; Кронштейн для настенного монтажа (не для сильфонных насосов)
Монтажные размеры 313691L 41 Монтажные размеры Кронштейн для настенного монтажа (не для сильфонных насосов) 102 мм 279 мм (11 дюймов) Четыре монтажных отверстия размером 10 мм (0,40 дюйма) ti12833a (4 дюйма)
Страница 42 - Технические данные
Технические данные 42 313691L Технические данные Электростатические распылительные аппараты Merkur США Метрическая система Максимальное рабочее давление жидкости См. табл. Модели на стр. 7. Максимальное давление жидкости на входе (сильфонный насос) 15 фунтов на кв. дюйм 0,1 МПа, 1,0 бар Максимальное...
Страница 43 - Массы аппаратов; Для работы при температуре
Массы аппаратов 313691L 43 Массы аппаратов Для работы при температуре окружающей среды С подогревом Соотношение, аппарат Масса в фунтах (кг) Монтаж на тележке 15:1, G15C85 112 (51) 15:1, G15C86 113 (51) 15:1, G15B83 137 (62) 15:1, G15B84 138 (63) 18:1, G18C09 111 (50) 18:1, G18C10 112 (51) 23:1, G23...
Страница 44 - Стандартная гарантия компании Graco
Все письменные и визуальные данные, содержащиеся в настоящем документе, отражают самую свежую информацию об изделии, имеющуюся на момент публикации. Компания Graco оставляет за собой право в любой момент вносить изменения без предварительного уведомления. Перевод оригинальных инструкций. This manual...