Генераторы MOSA TS 300 KSX/EL 411041 - инструкция пользователя по применению, эксплуатации и установке на русском языке. Мы надеемся, она поможет вам решить возникшие у вас вопросы при эксплуатации техники.
Если остались вопросы, задайте их в комментариях после инструкции.
"Загружаем инструкцию", означает, что нужно подождать пока файл загрузится и можно будет его читать онлайн. Некоторые инструкции очень большие и время их появления зависит от вашей скорости интернета.
Загружаем инструкцию

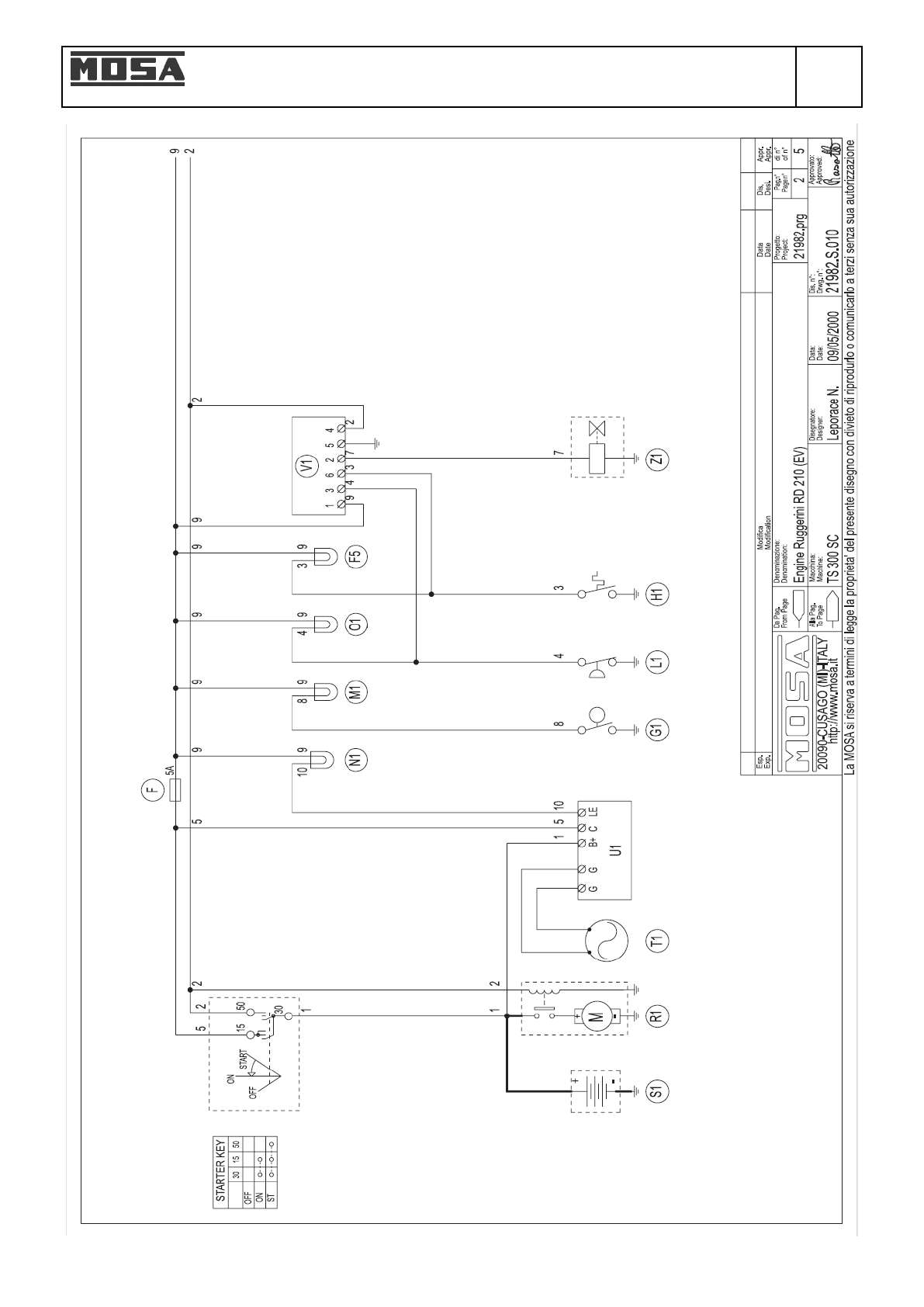
Электрическая схема
TS 300 KSX
© MOSA
1.1-12/05
M
61.1
Содержание
- 2 Система качества; CISQ
- 3 Содержание
- 4 Авторские права; ВНИМАНИЕ
- 5 Примечания; Введение; не являющихся; Примечание относительно Руководства
- 6 ПРИМЕЧАНИЯ; ДЕКЛАРАЦИЯ СООТВЕТСТВИЯ; TS; Инженер Бенсо Марелли
- 7 ПРЕДУПРЕЖДЕНИЯ; ВАЖНЫЙ СОВЕТ
- 8 ОБОЗНАЧЕНИЯ; персоналу и имуществу)
- 9 СПИСОК АББРЕВИАТУР
- 10 СИМВОЛЫ; УСЛОВНЫЕ ОБОЗНАЧЕНИЯ И ТЕКУЩИЕ ОПРЕДЕЛЕНИЯ
- 11 ОСТОРОЖНО
- 12 Установка и правила техники безопасности
- 13 закрепить; ПЕРЕМЕЩЕНИЕ АГРЕГАТА; выключен
- 15 УПАКОВКА И ТРАНСПОРТИРОВКА; ПРИМЕЧАНИЕ
- 16 НЕ ЗАГРУЖАЙТЕ; ПОДНИМАЙТЕ ТОЛЬКО МАШИНУ
- 19 Рекомендуемые виды масла
- 21 ДВИГАТЕЛЬ СО СВЕЧАМИ ПРЕДПУСКОВОГО ПОДОГРЕВА; Дождитесь окончания времени АВТОМАТИЧЕСКОГО подогрева,; НЕРЕГУЛЯРНОЕ ИСПОЛЬЗОВАНИЕ ДВИГАТЕЛЯ; МАШИНА С АВАРИЙНОЙ КНОПКОЙ; от максимальной мощности агрегата, и постоянно
- 22 обязательно; ДВИГАТЕЛИ С РЫЧАГОМ АКСЕЛЕРАТОРА
- 23 Обозначения панели управления
- 26 Пульт ДУ ТС...
- 27 МАШИНЫ С ИНВЕРТЕРОМ ПОЛЯРНОСТИ
- 28 Применение в качестве генератора; Номинальное; МАШИНЫ С ТЕРМОЗАЩИТОЙ
- 29 МОДИФИКАЦИЯ TS ... PL; необходимо; автоматически обеспечит увеличение
- 30 Использование принадлежностей
- 31 позиции; Обе позиции имеют одинаковую полярность; ВСТАВЬТЕ И ПОВЕРНИТЕ
- 33 ЗАЩИТА ДВИГАТЕЛЯ ES-EV; Защита двигателя ES-EV; климате
- 34 ПРОБЛЕМА
- 35 ТЕХНИЧЕСКОЕ ОБСЛУЖИВАНИЕ
- 36 СНЯТИЕ С ЭКСПЛУАТАЦИИ; Бензиновый двигатель
- 37 УТИЛИЗАЦИЯ
- 38 Технические данные; МОЩНОСТЬ; УРОВЕНЬ ЗВУКОВОЙ МОЩНОСТИ; rx
- 39 СВАРКА; Приблизительные значения
- 41 РУТИЛОВЫЕ ЭЛЕКТРОДЫ: Е 6013
- 50 Запасные части, общие сведения; При оформлении заказов на запасные части необходимо указывать:; ПОЯСНЕНИЕ УСЛОВНЫХ ОБОЗНАЧЕНИЙ:
- 64 БЛАНК ДЛЯ ОФОРМЛЕНИЯ ЗАКАЗА НА ЗАПАСНЫЕ ЧАСТИ; ЗАПАСНЫЕ ЧАСТИ ОТ ФИРМЫ «MOSA»:; НОВЫЕ ТАБЛИЦЫ; ЗАПАСНЫЕ ЧАСТИ К ДВИГАТЕЛЮ:
- 65 Официальный дистрибьютер в России:; «РУТЕКТОР»