Генераторы Generac RG 02224 RNAX - инструкция пользователя по применению, эксплуатации и установке на русском языке. Мы надеемся, она поможет вам решить возникшие у вас вопросы при эксплуатации техники.
Если остались вопросы, задайте их в комментариях после инструкции.
"Загружаем инструкцию", означает, что нужно подождать пока файл загрузится и можно будет его читать онлайн. Некоторые инструкции очень большие и время их появления зависит от вашей скорости интернета.

Руководство
пользователя
стационарных
аварийных
генераторов
Эксплуатация
оборудования
ВАЖНОЕ
ПРИМЕЧАНИЕ
.
Всегда
пользуйтесь
соответствующим
руководством
пользователя
для
безобрывного
переключателя
для
получения
необходимых
инструкций
по
работе
с
ним
в
ручном
режиме
.
Представленная
здесь
информация
описывает
безобрывный
переключатель
,
который
не
используется
в
трехфазных
установках
.
См
.
соответствующее
руководство
пользователя
безобрывного
переключателя
для
трехфазной
установки
.
4.10.1 —
Переключение
на
питание
от
генератора
При
сбое
в
сети
питания
вручную
переключите
на
резервный
источник
питания
и
запустите
генератор
,
как
указано
ниже
.
1.
Нажмите
OFF (
ВЫКЛ
)
на
панели
управления
.
Сработает
красный
светодиод
,
подтверждающий
выключение
системы
.
2.
Переведите
главный
выключатель
вниз
в
положение
OFF (
ВЫКЛ
) (
Разомкнутое
положение
).
3.
Отключите
подачу
сетевого
питания
на
безобрывный
переключатель
доступным
способом
(
например
,
с
помощью
главного
выключателя
).
4.
С
помощью
рукоятки
ручного
переключения
внутри
безобрывного
переключателя
переведите
главные
контакты
в
положение
STANDBY (
РЕЗЕРВНЫЙ
) (
нагрузки
подключены
к
резервному
источнику
питания
).
5.
Нажмите
MANUAL (
РУЧНОЙ
)
на
панели
управления
.
Двигатель
прокрутится
и
запустится
.
6.
Дайте
двигателю
две
минуты
,
чтобы
он
вернулся
к
нормальной
рабочей
температуре
.
7.
Переведите
главный
выключатель
в
положение
ON (
ВКЛ
) (
Замкнутое
положение
).
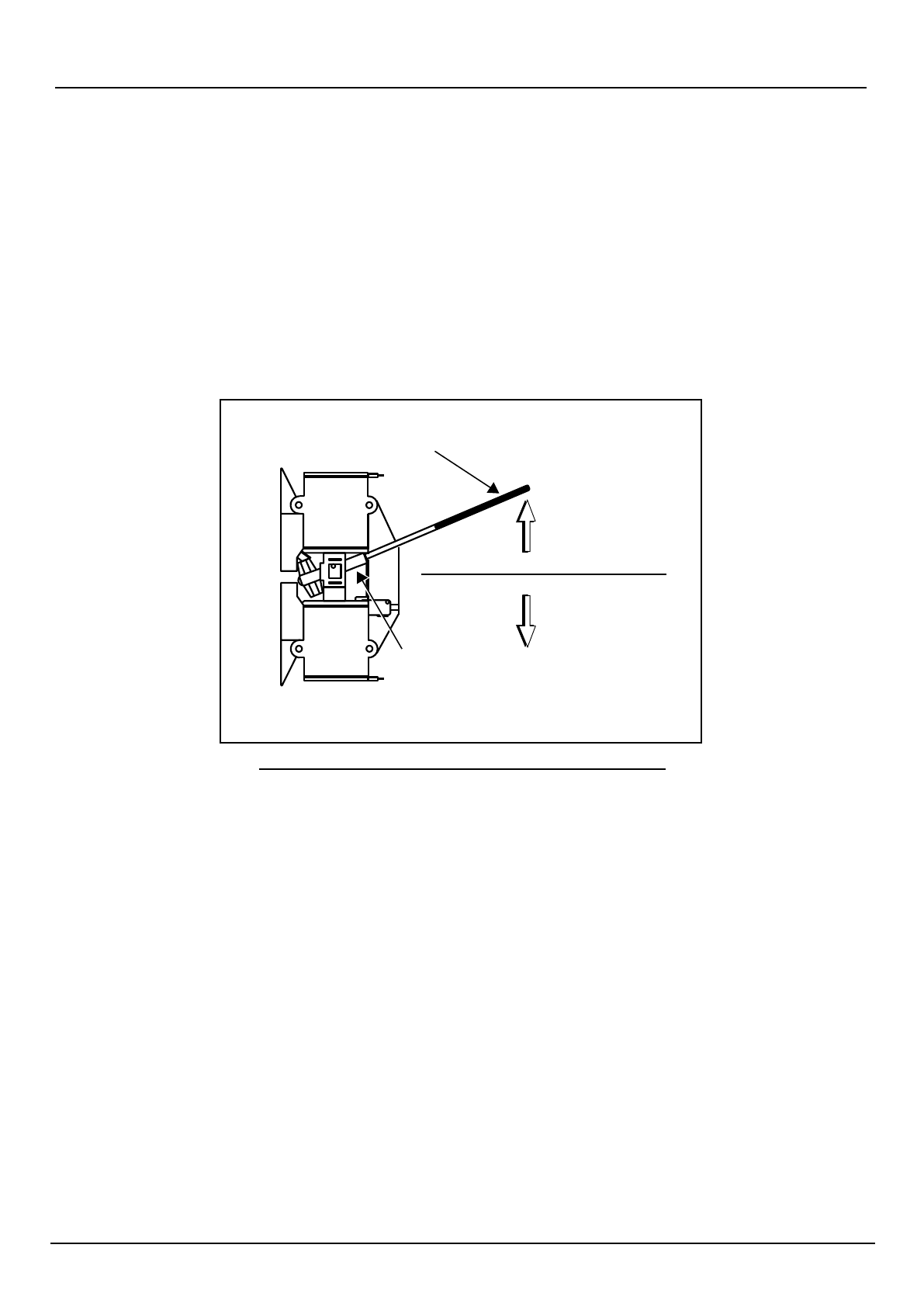
Рис
. 4-4.
Работа
безобрывного
переключателя
в
ручном
режиме
(
Стандартная
)
4.10.2 —
Обратное
переключение
на
сетевое
питание
При
восстановлении
сетевого
питания
вручную
переключитесь
на
сетевое
питание
и
выключите
генератор
,
как
указано
ниже
.
ПРИМЕЧАНИЕ
.
Убедитесь
в
том
,
что
сетевое
напряжение
вернулось
к
соответствующему
значению
.
1.
Переведите
главный
выключатель
вниз
в
положение
OFF (
ВЫКЛ
) (
Разомкнутое
положение
).
2.
Дайте
двигателю
поработать
без
нагрузки
в
течение
двух
минут
,
чтобы
он
вернулся
к
нормальной
рабочей
температуре
.
3.
Нажмите
OFF (
ВЫКЛ
)
на
панели
управления
,
чтобы
выключить
двигатель
.
4.
Убедитесь
в
том
,
что
подача
сетевого
питания
на
безобрывный
переключатель
отключена
.
5.
С
помощью
рукоятки
ручного
переключения
внутри
безобрывного
переключателя
переведите
главные
контакты
в
положение
UTILITY (
СЕТЬ
) (
нагрузки
подключены
к
сетевому
источнику
питания
).
6.
Включите
подачу
сетевого
питания
на
безобрывный
переключатель
с
помощью
имеющихся
средств
.
7.
Нажмите
AUTO (
АВТО
)
на
панели
управления
.
Сработает
зеленый
светодиод
,
подтверждающий
переход
системы
в
режим
AUTO (
АВТО
).
Рукоятка
ручного
переключения
Рычаг
управления
безобрывным
переключателем
Нагрузка
подключена
к
сети
Нагрузка
подключена
к
резервному
источнику
питания
ПРИМЕЧАНИЕ
. V-
образный
безобрывный
переключатель
не
используется
в
трехфазных
установках
.
31