Генераторы Generac RG 02224 RNAX - инструкция пользователя по применению, эксплуатации и установке на русском языке. Мы надеемся, она поможет вам решить возникшие у вас вопросы при эксплуатации техники.
Если остались вопросы, задайте их в комментариях после инструкции.
"Загружаем инструкцию", означает, что нужно подождать пока файл загрузится и можно будет его читать онлайн. Некоторые инструкции очень большие и время их появления зависит от вашей скорости интернета.

Руководство
пользователя
стационарных
аварийных
генераторов
Эксплуатация
оборудования
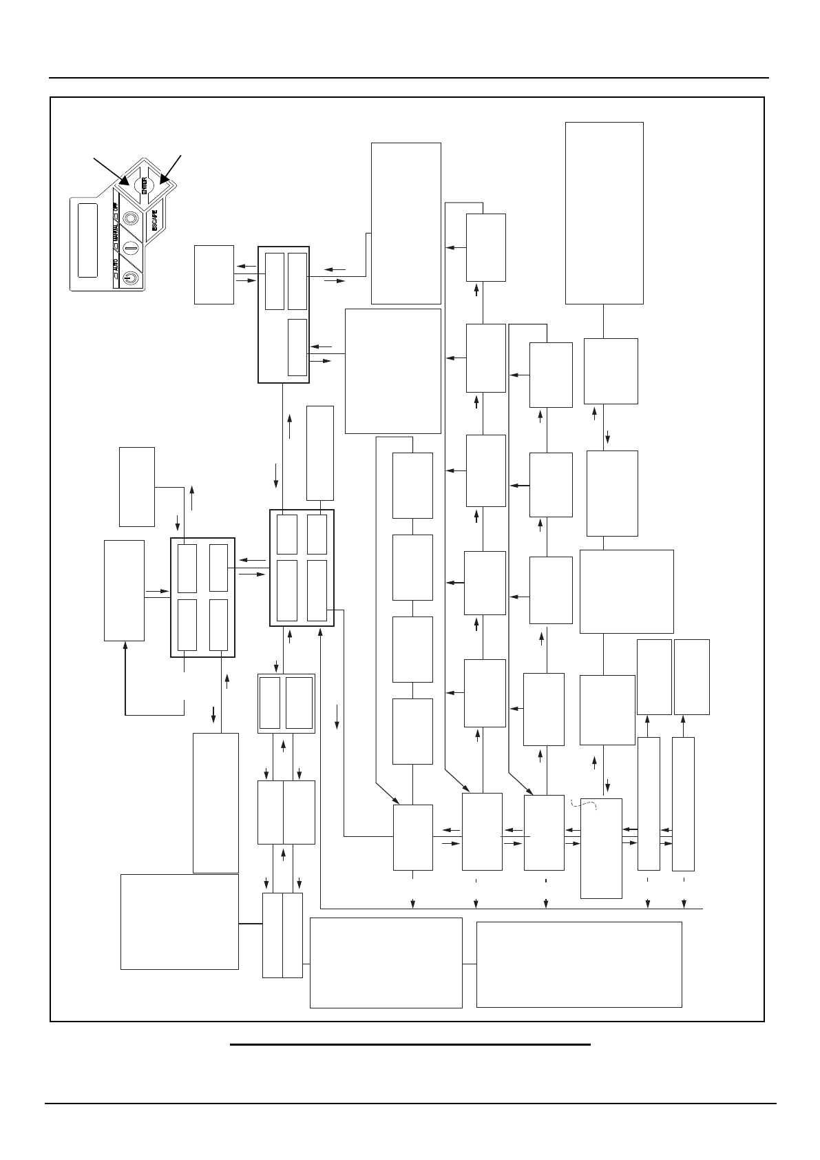
Рис
. 4-3.
Меню
навигации
«Run Log»
ɀ
ɭɪɧɚɥɪɚɛɨ
ɬɵ
ESC
ȼɕɏ
Ɉ
Ⱦ
ENTER
ȼȼ
Ɉ
Ⱦ
ENTER
ȼȼ
Ɉ
Ⱦ
(6&ȼɕɏ
Ɉ
Ⱦ
SYSTEM
ɋɂɋ
ɌȿɆȺ
BA
TTER
Y
ȺɄɄ
ɍɆɍ
ɅəɌ
ɈɊ
DA
TE/TIME
ȾȺ
Ɍ
ȺȼɊȿɆə
SUB MENUS
ɉɈ
ȾɆȿɇɘ
+,67
25
<
ɀ
ɍɊɇȺ
Ʌ
EDIT
ɊȿȾȺɄɌɂɊ
Ɉȼ
Ⱥɇɂȿ
MAINT
ɈȻ
ɋ
Ʌɍɀ
DEALER
ȾɂɅȿɊ
([HUFLVH
7
LPHȼɪɟɦɹ
ɩɪɨɮɢɥɚɤ
ɬɢɤɢ
ß 14:00 W
ednesday à
ɫɪɟ
ɞɚj
(6&ȼɕɏ
Ɉ
Ⱦ
ESC
ȼɕɏ
Ɉ
Ⱦ
ENTER
ȼȼ
Ɉ
Ⱦ
ESC
ȼɕɏ
Ɉ
Ⱦ
ENTER
ȼȼ
Ɉ
Ⱦ
Current Date/T
ime
Ɍ
ɟɤ
ɭɳɚɹɞɚ
ɬɚɜɪɟɦɹ
ß 9/12/14 12:22 à
j
ESC
ȼɕɏ
Ɉ
Ⱦ
ESC
ȼɕɏ
Ɉ
Ⱦ
ENTER
ȼȼ
Ɉ
Ⱦ
ESC
ȼɕɏ
Ɉ
Ⱦ
ESC
ȼɕɏ
Ɉ
Ⱦ
ESC
ȼɕɏ
Ɉ
Ⱦ
(17(5ȼȼ
Ɉ
Ⱦ
ENTER
ȼȼ
Ɉ
Ⱦ
ENTER
ȼȼ
Ɉ
Ⱦ
ENTER
ȼȼ
Ɉ
Ⱦ
ESC
ȼɕɏ
Ɉ
Ⱦ
ESC
ȼɕɏ
Ɉ
Ⱦ
ENTER
ȼȼ
Ɉ
Ⱦ
MAINT
ɈȻ
ɋ
Ʌɍɀ
0DLQW/RJ
ɀ
ɭɪɧɚɥɨɛ
ɫɥɭ
ɠ
ENTER
ȼȼ
Ɉ
Ⱦ
ESC
ȼɕɏ
Ɉ
Ⱦ
ENTER
ȼȼ
Ɉ
Ⱦ
Select Day
ȼɵɛɨɪɞɧɹ
- W
ednesday +
±ɋɪɟ
ɞɚ
ENTER
ȼȼ
Ɉ
Ⱦ
ENTER
ȼȼ
Ɉ
Ⱦ
ENTER
ȼȼ
Ɉ
Ⱦ
6HOHFW0RQWK
ȼɵɛɨɪɦɟɫɹɰɚ±`
- 2 +
6HOHFW'DWH
ȼɵɛɨɪɞɚ
ɬɵ±`
- 14 +
6HOHFW
<
HDU
ȼɵɛɨɪɝ
ɨɞɚ±`
- 14 +
ENTER
ȼȼ
Ɉ
Ⱦ
ENTER
ȼȼ
Ɉ
Ⱦ
ENTER
ȼȼ
Ɉ
Ⱦ
6ZLWFKHGWR³2))´ɉɟɪɟɤ
ɥɸ
ɱɟɧɨɜ
ɩɨ
ɥ
ɨ
ɠɟɧɢɟ2))ȼɕɄɅ`
+RXUVRI3URWHFWLRQɑɚɫɵɡɚɳɢɬɵ
+ɱ`
Access Requires Password
Ⱦɥɹɞɨɫɬ
ɭɩɚɧɭ
ɠɟɧɩɚɪɨ
ɥɶ
/DQJXDJHəɡɵɤ
ß English à
Ⱥɧɝ
ɥɢɣɫɤɢɣj
«Are Y
ou
Sure?»
ȼɵɭɜ
ɟɪɟɧɵ"
«-
Y
es or No +»
±Ⱦɚɢɥɢɧɟ
ɬ
«Alarm Log»
ɀ
ɭɪɧɚɥ
ɫɢɝɧɚɥ
ɨɜɬɪɟɜ
ɨɝɢ
-
Alarm Log +
±ɀ
ɭɪɧɚɥɫɢɝɧɚɥ
ɨɜ
ɬɪɟɜ
ɨɝɢ
- Run Log +
±ɀ
ɭɪɧɚɥɪɚɛɨ
ɬɵ
WKUX±Ɉɬɞɨ
WKUX±Ɉɬɞɨ
ESC
ȼɕɏ
Ɉ
Ⱦ
ENTER
ȼȼ
Ɉ
Ⱦ
5XQ+UVȼɪɟɦɹ
ɪɚɛɨ
ɬɵ
6FKHGXOHGɉɨ
ɝɪɚɮɢɤ
ɭ
ESC
ȼɕɏ
Ɉ
Ⱦ
ENTER
ȼȼ
Ɉ
Ⱦ
5XQ+RXUV+
ȼɪɟɦɹɪɚɛɨ
ɬɵɱ`
ESC
ȼɕɏ
Ɉ
Ⱦ
ENTER
ȼȼ
Ɉ
Ⱦ
Running Manual
Ɋ
ɚɛɨ
ɬɚɜɪ
ɭɱɧɨɦɪɟ
ɠɢɦɟ
Running-Utility Lost
Ɋ
ɚɛɨ
ɬɚɫɛɨɣɜɫɟ
ɬɢ
Running-Remote Start
Ɋ
ɚɛɨ
ɬɚɞɢɫɬ
ɚɧɰɢɨɧɧɵɣɡɚɩɭ
ɫɤ
5XQQLQJ:LUH6WDUWɊ
ɚɛɨ
ɬɚ
ɩɪɨɜ
ɨɞɧɚɹɫɢɫɬ
ɟɦɚɡɚɩɭ
ɫɤ
ɚ
Running - Exercise
Ɋ
ɚɛɨ
ɬɚɩɪɨɮɢɥɚɤ
ɬɢɤ
ɚ
6ZLWFKHG2I
Iȼɵɤ
ɥɸ
ɱɟɧɨ
Stopped -
Auto
Ɉɫɬ
ɚɧɨɜɤ
ɚɚɜ
ɬɨ
Stopped -
Alarm
Ɉɫɬ
ɚɧɨɜɤ
ɚɫɢɝɧɚɥɬɪɟɜ
ɨɝɢ
6HOHFW0LQ
ȼɵɛɨɪɤ
ɨɥɢɱɟɫɬɜ
ɚ
ɦɢɧɭɬ±`
- 0 +
ESC
ȼɕɏ
Ɉ
Ⱦ
6HOHFW+RXU
ȼɵɛɨɪɤ
ɨɥɢɱɟɫɬɜ
ɚ
ɱɚɫ
ɨɜ±`
- 14 +
(6&ȼɕɏ
Ɉ
Ⱦ
6HOHFW0LQ
ȼɵɛɨɪɤ
ɨɥɢɱɟɫɬɜ
ɚ
ɦɢɧɭɬ±`
- 0 +
(6&ȼɕɏ
Ɉ
Ⱦ
6HOHFW+RXU
ȼɵɛɨɪɤ
ɨɥɢɱɟɫɬɜ
ɚ
ɱɚɫ
ɨɜ±`
- 14 +
(6&ȼɕɏ
Ɉ
Ⱦ
Quiet
T
est Mode ?
Ɋ
ɟ
ɠɢɦ4XLHW
7HVW"
-
YES or NO +
±ȾȺɢɥɢɇȿɌ
/DQJXDJHəɡɵɤ
+ English -
Ⱥɧɝ
ɥɢɣɫɤɢɣ±
/DQJXDJHəɡɵɤ
+ Espanol -
ɂɫɩɚɧɫɤɢɣ±
/DQJXDJHəɡɵɤ
+ Francais -
Ɏɪɚɧɰɭɡ
ɫɤɢɣ±
/DQJXDJHəɡɵɤ
+ Portuguese -
ɉɨɪ
ɬɭɝ
ɚɥɶɫɤɢɣ±
+
-
+
-
+
-
+
ESC
ȼɕɏ
Ɉ
Ⱦ
ESC
ȼɕɏ
Ɉ
Ⱦ
ENTER
ȼȼ
Ɉ
Ⱦ
Firmware Update
Ɉɛɧɨɜ
ɥɟɧɢɟ
ɦɢɤɪɨɩɪɨɝɪɚɦɦɧɨɝ
ɨ
ɨɛ
ɟɫɩɟ
ɱɟɧɢɹ
ß Insert USB à
ȼɫɬ
ɚɜɶ
ɬɟ86%j
ESC
ȼɕɏ
Ɉ
Ⱦ
ENTER
ȼȼ
Ɉ
Ⱦ
ɋ
ɈɈȻɓȿɇɂəɈɋɂȽɇȺ
ɅȺɏ
ɌɊȿȼ
ɈȽɂ
©+,*+(1*,1(7(03
ªȼɕɋ
ɈɄȺə
ɌȿɆɉȾȼɂȽ
Ⱥ
ɌȿɅə
©/2:2,/
35(6685(ªɇɂɁɄɈȿ
ȾȺȼ
ɅȿɇɂȿɆȺ
ɋ
ɅȺ
©29(5&5$1.ªɁȺ
Ɍ
əɇɍɌɕɃ
ɁȺ
ɉɍɋɄ
©29(563(('ªɉɈȼɕɒȿɇɇȺə
ɋɄɈɊ
Ɉɋ
Ɍɖ
©5306(16(/266ªɉɈɌȿɊ
ə
ɋɂȽɇȺ
ɅȺȾȺ
ɌɑɂɄȺɈȻɈɊ
ɈɌ
Ɉȼ
©ɉɈɇɂɀȿɇɇȺəɋɄɈɊ
Ɉɋ
Ɍɖª
©81'(563(('ªɈɒɂȻɄȺ
ɄɈɇɌɊ
Ɉ
ɅɅȿɊ
Ⱥ
©,*1,7,21)
$8/
7&2'(ªɄɈ
Ⱦ
ɋȻɈ
əɁȺɀɂȽ
Ⱥɇɂə
©:,5,1*(5525ªɈɒɂȻɄȺ
ɉɊ
Ɉȼ
Ɉ
ȾɄɂ
©29(592/
7$*(ªɉɈȼɕɒȿɇɇɈȿ
ɇȺ
ɉɊ
əɀȿɇɂȿ
©81'(592/
7$*(ªɉɈɇɂɀȿɇɇɈȿ
ɇȺ
ɉɊ
əɀȿɇɂȿ
©29(5/2$'ªɉȿɊȿȽɊ
ɍɁɄȺ
©&$1%86(5525ªɈɒɂȻɄȺ
ɒɂɇɕ&$1
«MISSING CAM PULSE»
ɈɌɋ
ɍɌɋ
Ɍȼ
ɍȿɌɂɆɉɍ
Ʌɖ
ɋ
Ɋ
Ⱥ
ɋɉɊȿȾȼ
Ⱥ
ɅȺ
«MISSING CRANK PULSE»
ɈɌɋ
ɍɌɋ
Ɍȼ
ɍȿɌɂɆɉɍ
Ʌɖ
ɋ
ɁȺ
ɉɍɋɄȺ
©/2:)8(/
35(6685(ªɇɂɁɄɈȿ
ȾȺȼ
ɅȿɇɂȿɌ
ɈɉɅɂȼ
Ⱥ
©(67
23ªȺȼ
ȺɊɂɃɇɈȿ
ɈɌɄɅɘ
ɑȿɇɂȿ
ɉɪɢɦɟ
ɱɚɧɢɟ(ɤ
ɨ
ɞɵɧɟɩɨɤɚ
ɡɚɧɵ
ɋ
ɈɈȻɓȿɇɂəɋ
ɉɊȿȾ
ɍɉɊȿɀȾȿɇɂəɆɂ
©/2:%$
77(5
<ªɇɂɁɄɂɃɁȺɊ
əȾ
ȺɄɄ
ɍɆɍ
ɅəɌ
ɈɊ
Ⱥ
©(;(5&,6(6(7(5525ªɈɒɂȻɄȺ ɁȺ
ȾȺɇɂəɐɂɄɅȺɉɊ
ɈɎɂɅȺɄ
ɌɂɄɂ
«SCHEDULE A
MAINT»
ɈȻ
ɋ
Ʌɍɀɂȼ
ȺɇɂȿɉɈȽɊ
Ⱥ
ɎɂɄ
ɍ©Ⱥª
«SCHEDULE B MAINT»
ɈȻ
ɋ
Ʌɍɀɂȼ
ȺɇɂȿɉɈȽɊ
Ⱥ
ɎɂɄ
ɍ©%ª
«SCHEDULE C MAINT»
ɈȻ
ɋ
Ʌɍɀɂȼ
ȺɇɂȿɉɈȽɊ
Ⱥ
ɎɂɄ
ɍ©&ª
©%$
77(5
<
352%/(0ªɇȿɉɈ
ɅȺ
ȾɄȺ
ȺɄɄ
ɍɆɍ
ɅəɌ
ɈɊ
Ⱥ
«CHARGER W
ARNING»
ɉɊȿȾ
ɍɉɊȿɀȾȿɇɂȿɈɁȺɊ
əȾɇɈɆ
ɍɋ
ɌɊ
ɈɃɋ
Ɍȼȿ
©ɉɊȿȾ
ɍɉɊȿɀȾȿɇɂȿɈɁȺɊ
əȾɇɈɆ
ɍɋ
ɌɊ
ɈɃɋ
ɌȼȿªɈɌɋ
ɍɌɋ
Ɍȼ
ɍȿɌ
ɉȿɊȿɆɌ
ɈɄȼɁȺɊ
əȾɇɈɆ
ɍɋ
ɌɊ
ɈɃɋ
Ɍȼȿ
«USB W
ARNING»
ɉɊȿȾ
ɍɉɊȿɀȾȿɇɂȿɈ86%
©'2:1/2$')
$,/85(ªɋȻɈɃ
ɋɄȺ
ɑɂȼ
Ⱥɇɂə
©&+(&.(1*,1(ªɉɊ
ɈȼȿɊɄȺ
ȾȼɂȽ
Ⱥ
ɌȿɅə
ȼɵɛ
ɟɪɢɬ
ɟ
<
HVȾɚɢɧɚɠɦɢɬ
ɟ(QWHUȼɜ
ɨɞɱɬ
ɨɛɵɩɪɨ
ɞɨ
ɥɠɢɬɶɢɥɢ
ɧɚɠɦɢɬ
ɟɤɧɨɩɤ
ɭ(6&$3(ȼɕɏ
Ɉ
Ⱦɱɬ
ɨɛɵɩɪɟɪɜ
ɚɬɶɨɛɧɨɜ
ɥɟɧɢɟ
ɉɨɫɥɟɜɤ
ɥɸ
ɱɟɧɢɹɤ
ɨɧɬɪɨ
ɥɥɟɪɚɧɚɫɚɦɨɦɩɟɪɜ
ɨɦɷɤɪɚɧɟɜɬ
ɟɱɟɧɢɟ
ɧɟɫɤ
ɨɥɶɤɢɯɫɟɤ
ɭɧɞɨ
ɬɨɛɪɚɠɚɟ
ɬɫ
ɹɧɨɦɟɪɜ
ɟɪɫɢɢ
ɉɨɫɥɟɡɚɜ
ɟɪɲɟɧɢɹɨɛɧɨɜ
ɥɟɧɢɹɢɡɜ
ɥɟɤɢɬ
ɟ86%ɧɚɤ
ɨɩɢɬ
ɟɥɶɢ
ɩɟɪɟɣɞɢɬ
ɟɜɦɟɧɸɦɚɫɬ
ɟɪɚɭ
ɫɬ
ɚɧɨɜɤɢ
ɉɊɂɆȿɊ
©Ɉɫɦɨ
ɬɪɚɤɤ
ɭɦ
ɭɥɹɬ
ɨɪɚɱɟɪɟ
ɡɱɪɚɛɨ
ɬɵɢɥɢª
©6HUYLFH6FKHGXOH
$%RU&ªȽ
ɪɚɮɢɤɨɛ
ɫɥɭ
ɠɢɜ
ɚɧɢɹ©Ⱥª
©%ªɢɥɢ©&ª
©1H[W0DLQWHQDQFH5Q+URUªɋɥɟ
ɞɭɸɳ
ɟɟ
ɨɛ
ɫɥɭ
ɠɢɜ
ɚɧɢɟɱɟɪɟ
ɡɱɪɚɛɨ
ɬɵɢɥɢ
WKUX±Ɉɬɞɨ
©6FKHGXOH
$
6HUYLFHGªɈɛ
ɫɥɭ
ɠɢɜ
ɚɧɢɟɩɨɝɪɚɮɢɤ
ɭ
©Ⱥªɜɵɩɨ
ɥɧɟɧɨ
©6FKHGXOH%6HUYLFHGªɈɛ
ɫɥɭ
ɠɢɜ
ɚɧɢɟɩɨɝɪɚɮɢɤ
ɭ
©ȼªɜɵɩɨ
ɥɧɟɧɨ
©6FKHGXOHɋ6HUYLFHGªɈɛ
ɫɥɭ
ɠɢɜ
ɚɧɢɟɩɨɝɪɚɮɢɤ
ɭ
©ɋªɜɵɩɨ
ɥɧɟɧɨ
©0DLQWHQDQFH5HVHWªɋɛɪɨɫɬ
ɟɯɧɢɱɟɫɤ
ɨɝ
ɨ
ɨɛ
ɫɥɭ
ɠɢɜ
ɚɧɢɹ
©6HUYLFH6FKHGXOH
$ªȽ
ɪɚɮɢɤɨɛ
ɫɥɭ
ɠɢɜ
ɚɧɢɹ©Ⱥª
©6HUYLFH6FKHGXOHȼªȽ
ɪɚɮɢɤɨɛ
ɫɥɭ
ɠɢɜ
ɚɧɢɹ©ȼª
©6HUYLFH6FKHGXOHɋªȽ
ɪɚɮɢɤɨɛ
ɫɥɭ
ɠɢɜ
ɚɧɢɹ©ɋª
%DWWHU\&RQGLWLRQɋɨɫɬ
ɨɹɧɢɟɚɤɤ
ɭɦ
ɭɥɹɬ
ɨɪɚ
«Good» «Inspect Battery» or «Check Battery»
©ȼɧɨɪɦɟª©ɉɪɨɜ
ɟɪɶ
ɬɟɚɤɤ
ɭɦ
ɭɥɹɬ
ɨɪªɢɥɢ
©Ɉɫɦɨ
ɬɪɢɬ
ɟɚɤɤ
ɭɦ
ɭɥɹɬ
ɨɪª
Current Date/T
ime
Ɍ
ɟɤ
ɭɳɚɹɞɚ
ɬɚɜɪɟɦɹ
02/14/14 04:00
«Main V XXX
T
o V XXX»
Ƚ
ɥɚɜɧ9;;;ɤ9;;;
«GUI V XXX
T
o XXX» (GUI V
;;;ɤ9;;;
ȼɨ
ɡɦɨ
ɠɧɵɟɫ
ɨɨɛɳ
ɟɧɢɹ
&RUUXSWHG)LOHɎɚɣɥ
ɩɨɜɪɟ
ɠɞɟɧ
,QYDOLG)LOHɎɚɣɥ
ɧɟ
ɞɟɣɫɬɜɢɬ
ɟɥɟɧ
)LOH1RW)RXQGɎɚɣɥɧɟ
ɧɚɣɞɟɧ
Unsupported Device
ɍ
ɫɬɪɨɣɫɬɜ
ɨɧɟ
ɩɨ
ɞɞɟɪɠɢɜ
ɚɟ
ɬɫ
ɹ
&RQWUROOHU)DXOWɈɲɢɛɤ
ɚ
ɤɨɧɬɪɨ
ɥɥɟɪɚ
ß 2–1500 à
'HIDXOWɉɨɭ
ɦɨ
ɥ
ɱɚɧɢɸ
Vɫ
ß 5–1500 à
'HIDXOWɉɨɭ
ɦɨ
ɥ
ɱɚɧɢɸ
Vɫ
6WDUWXS'HOD\VHFɁɚɞɟɪɠɤ
ɚɡɚɩɭ
ɫɤ
ɚɫɟɤ
ɭɧɞɵ`
:
DUPXS
7
LPHVHFȼɪɟɦɹɩɪɨɝɪɟɜ
ɚɫɟɤ
ɭɧɞɵ`
ESC
ȼɕɏ
Ɉ
Ⱦ
)LUPZDUH8SGDWHɈɛɧɨɜ
ɥɟɧɢɟ
ɦɢɤɪɨɩɪɨɝɪɚɦɦɧɨɝ
ɨɨɛ
ɟɫɩɟ
ɱɟɧɢɹ
ß Press Enter à
ɇɚɠɦɢɬ
ɟ©ȼɜ
ɨɞª
ɉɊɂɆȿɑȺɇɂȿɇɚɠɚ
ɬɢɟɥɸɛɨɣɤɧɨɩɤɢɤɪɨɦɟɤɧɨɩɤɢɜɜ
ɨɞɚɩɪɢɜ
ɟɞ
ɟɬ
ɤɜɵɯ
ɨɞɭɢɡɪɟ
ɠɢɦɚɨɛɧɨɜ
ɥɟɧɢɹɦɢɤɪɨɩɪɨɝɪɚɦɦɧɨɝ
ɨɨɛ
ɟɫɩɟ
ɱɟɧɢɹ
ENTER
ȼȼ
Ɉ
Ⱦ
ESC
ȼɕɏ
Ɉ
Ⱦ
ENTER
ȼȼ
Ɉ
Ⱦ
ESC
ȼɕɏ
Ɉ
Ⱦ
ENTER
ȼȼ
Ɉ
Ⱦ
ESC
ȼɕɏ
Ɉ
Ⱦ
ENTER
ȼȼ
Ɉ
Ⱦ
Стр
елк
а
вв
е
р
х
= (+)
Стрелка
вн
из
= (–)
Гл
ав
н
ы
й
экр
а
н
Гл
ав
н
о
е
меню
27