Генераторы EuroPower EP 14 TDE - инструкция пользователя по применению, эксплуатации и установке на русском языке. Мы надеемся, она поможет вам решить возникшие у вас вопросы при эксплуатации техники.
Если остались вопросы, задайте их в комментариях после инструкции.
"Загружаем инструкцию", означает, что нужно подождать пока файл загрузится и можно будет его читать онлайн. Некоторые инструкции очень большие и время их появления зависит от вашей скорости интернета.

1
2
3
4
8
12
5
A
B
C
11
10
13
6
14
15
7
DETAIL A
SCALE 1 : 2
9
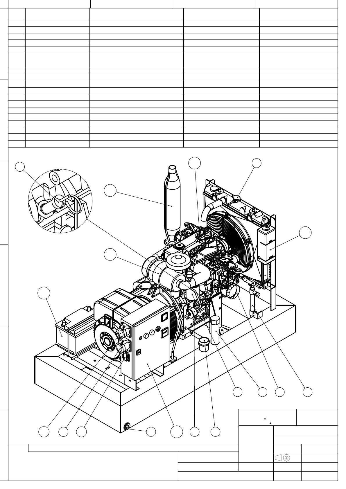
Item
nr.
Nederlands
Français
English
Deutsch
1
OLIEPOMP
POMPE D'HUILE
OIL PUMP
ÖLPUMPE
2
OLIEFILTER
FILTRE D'HUILE
OIL FILTER
ÖLFILTER
3
DIESELVULDOP
BOUCHON REMPLISSAGE CARBURANT
DIESEL FILL CAP
DIESEL-FÜLLSTUTZEN
4
BRANDSTOFPEILMETER
JAUGE CARBURANT
FUEL LEVEL METER
KRAFTSTOFFUHR
5
BRANDSTOFAFLAATSTOP
BOUCHON VIDANGE CARBURANT
FUEL DRAIN PLUG
KRAFTSTOFFABLAβVERSCHLUSS
6
KOELWATERVULDOP
BOUCHON REMPLISSAGE EAU DE
REFROIDISSEMENT
COOLING WATER FILL CAP
KÜHLWASSERFÜLLSTUTZEN
7
DIESELFILTER
FILTRE DIESEL
DIESEL FILTER
DIESELFILTER
8
12V DIESELPOMP
POMPE DIESEL 12V
12V FUEL PUMP
12V DIESELPUMPE
9
OLIEPEILSTOK
JAUGE D'HUILE
OIL DIPSTICK
ÖLMESSTAB
10
LUCHTFILTER
FILTRE À AIR
AIR FILTER
LUFTFILTER
11
74Ah ACCU
74Ah BATTERIE
74Ah BATTERY
74Ah AKKU
12
CONTROLEPANEEL
TABLEAU DE COMMANDE
CONTROL PANEL
SCHALTTAFEL
13
OLIEVULDOP
BOUCHON REMPLISSAGE D'HUILE
OIL FILL CAP
ÖL-FÜLLSTUTZEN
14
EXPANSIEVAT
VASE D'EXPANSION
EXPANSION TANK
AUSGLEICHSBEHÄLTER
15
UITLAAT
ÉCHAPPEMENT
EXHAUST
AUSPUFF
A
SCHUKO 16A 230V
SCHUKO 16A 23V
SCHUKO 16A 230V
SCHUKO 16A 230V
B
CEE 3p 32A 230V
CEE 3p 32A 230V
CEE 3p 32A 230V
CEE 3p 32A 230V
C
CEE 5p 16A 400V
CEE 5p 16A 400V
CEE 5p 16A 400V
CEE 5p 16A 400V
C
2
3
1
4
B
A
D
E
F
-
A4
SHEET 1 OF 4
SCALE:1:10
DIRECTORY:
MATERIAL:
DEBUR AND
BREAK SHARP
EDGES
UNLESS OTHERWISE SPECIFIED:
DIMENSIONS ARE IN MILLIMETERS
APPV'D:
REVISED:
DRAWN:
DESIGN:
HZ
MH
MH
VV/SH
REVISED ON:
SENT ON:
25/05/2011
-
INBOUWMATEN - DIMENSIONS GÉNÉRALES -
MAIN DIMENSIONS - EINBAU-
ABMESSUNGEN EP14TDE KU/LS
REV.NR.:
04
OD.NR.:
-
-
TITLE:
-
CUSTOMER:
EUROPOWER
Generators
ART.NR.:
981111403
TOL. LINEAR:
TOL. ANGULAR:
REMARKS:
1mm
1°
