Генераторы Champion 4.5/5 Квт 200А 100кг эл.старт колеса GW200AE - инструкция пользователя по применению, эксплуатации и установке на русском языке. Мы надеемся, она поможет вам решить возникшие у вас вопросы при эксплуатации техники.
Если остались вопросы, задайте их в комментариях после инструкции.
"Загружаем инструкцию", означает, что нужно подождать пока файл загрузится и можно будет его читать онлайн. Некоторые инструкции очень большие и время их появления зависит от вашей скорости интернета.

23
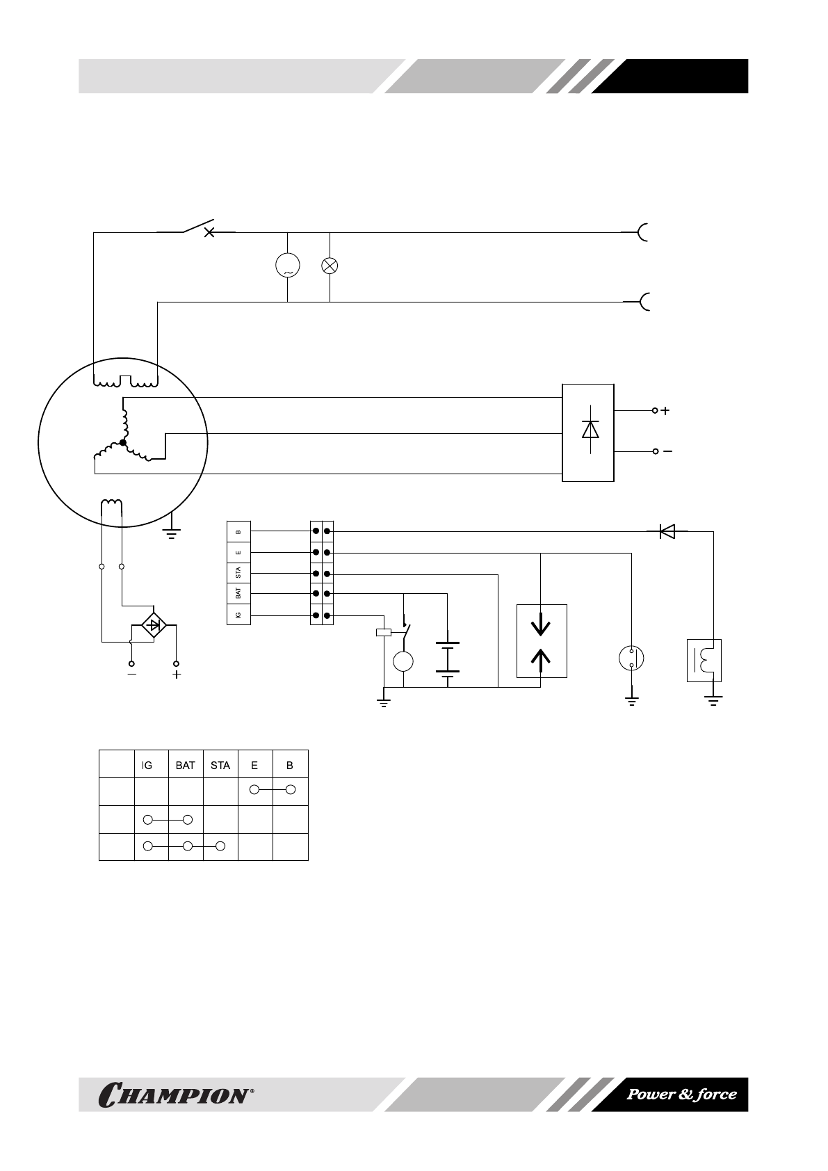
ЭЛЕКТРИЧЕСКАЯ СХЕМА
V
ВЫКЛ.
ВКЛ.
СТАРТ
КЛЮЧ СТАРТЕРА
С
ТАР
ТЕР
ГЕНЕРАТОР
зе
леный
зе
леный
АС14В
голубой
голубой
Розетка DC12В
Прерыватели сети
Розетка АС220В
Сварочные клемы
DC60B
черный
красный
черный
красный
Вольтметр
Индикатор сети
черный
красный
коричневый
белый
черный
красный
белый
Аккумулятор
Магнето
Датчик
низкого
уровня
масла
Зарядка
аккумулятора
Содержание
- 3 Уважаемый пользователь!; Характиристики
- 4 РАБОЧАЯ ЗОНА
- 7 ПАНЕЛЬ УПРАВЛЕНИЯ
- 8 УСТРОЙСТВО
- 9 РЕЖИМЫ РАБОТЫ ГЕНЕРАТОРА; ИСПОЛЬЗОВАНИЕ ГЕНЕРАТОРА; ТИПЫ НАГРУЗОК; Примерный расчет необходимой
- 12 ПРОВЕРКА ПЕРЕД НАЧАЛОМ РАБОТЫ; МОТОРНОЕ МАСЛО; ТАБЛИЦА ДЛЯ ВЫБОРА; ПРОВЕРКА УРОВНЯ МАСЛА
- 13 ТОПЛИВО; АККУМУЛЯТОРНАЯ БАТАРЕЯ
- 15 ЭКСПЛУАТАЦИЯ ГЕНЕРАТОРА; ЗАПУСК ДВИГАТЕЛЯ; Запуск с помощью электрического стартера; ОСТАНОВКА ДВИГАТЕЛЯ
- 16 Чем выше ток сварки, тем меньше ПН сва
- 17 ТЕХНИЧЕСКОЕ ОБСЛУЖИВАНИЕ; ТАБЛИЦА ПО ТЕХНИЧЕСКОМУ ОБСЛУЖИВАНИЮ
- 18 ЗАМЕНА МОТОРНОГО МАСЛА; РАБОТЫ ПО ТЕХНИЧЕСКОМУ; ОБСЛУЖИВАНИЕ ВОЗДУШНОГО
- 21 ДВИГАТЕЛЬ
- 22 ГЕНЕРАТОР
- 23 ЭЛЕКТРИЧЕСКАЯ СХЕМА