Страница 26 - ПОДДЕРЖКА ПОТРЕБИТЕЛЕЙ И СЕРВИСНОЕ
СОДЕРЖАНИЕ 1. СВЕДЕНИЯ ПО ТЕХНИКЕ БЕЗОПАСНОСТИ...............................................27 2. УКАЗАНИЯ ПО БЕЗОПАСНОСТИ................................................................. 29 3. ОПИСАНИЕ ИЗДЕЛИЯ................................................................................... 30 4....
Страница 27 - возможностями
1. СВЕДЕНИЯ ПО ТЕХНИКЕ БЕЗОПАСНОСТИ Перед установкой и эксплуатацией прибора внимательно ознакомьтесь с приложенным руководством. Производитель не несет ответственности за какие-либо травмы или ущерб, возникший вследствие неправильной установки или эксплуатации. Всегда храните данное руководство под...
Страница 28 - Общие правила техники безопасности
1.2 Общие правила техники безопасности • Не вносите изменения в параметры данного прибора. • Не превышайте максимально допустимую загрузку в 7 кг (см. Главу «Таблица программ»). • Рабочее давление воды в точке ее поступления из водопроводной сети должно находиться в пределах 0,5 бар (0,05 МПа) и 8 б...
Страница 29 - УКАЗАНИЯ ПО БЕЗОПАСНОСТИ; электросети
2. УКАЗАНИЯ ПО БЕЗОПАСНОСТИ 2.1 Установка • Удалите всю упаковку и вывинтите транспортировочные болты. • Сохраните транспортировочные болты в надежном месте. Если в будущем прибор понадобится перевезти на другое место, их следует установить на место, чтобы заблокировать барабан во избежание внутренн...
Страница 31 - Описание панели управления
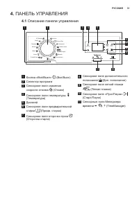
4. ПАНЕЛЬ УПРАВЛЕНИЯ 4.1 Описание панели управления Температура Отжим Легкая глажка Отсрочка старта Предв. стирка Доп. полоскание Старт/Пауза Хлопок Хлопок Eco Синтетика Тонкие ткани Шерсть/ Ручная стирка Джинсы Вкл/Выкл Полоскание Отжим/Слив Шторы Шелк Одеяла Спорт 5 Рубашек Белье 1 2 3 4 5 8 7 9 6...
Страница 35 - Синий; ПОКАЗАТЕЛИ ПОТРЕБЛЕНИЯ
Программа ■ ■ ■ ■ ■ ■ ■ ■ ■ ■ ■ ■ ■ ■ ■ ■ 1) Задайте скорость отжима. Убедитесь, что она подходит для данного типа ткани. При выборе режима «Без отжима» доступна только фаза слива. 5.1 Woolmark Apparel Care - Синий Компания Вулмарк (Woolmark) одобрила применение используемой в данной машине программ...
Страница 37 - Менеджер времени
• Крышка остается заблокированной. Чтобы разблокировать крышку, необходимо слить воду. • На дисплее отображается индикатор . Для слива воды см. Главу «По окончании программы». Очень тихая• Используйте эту функцию, чтобы пропустить все фазы отжима и выполнить бесшумную стирку. • Для некоторых програм...
Страница 38 - Звуковая сигнализация; дополнительное полоскание
Индикатор 1) 1) ■ ■ ■ ■ 3) ■ 3) ■ ■ 3) ■ ■ ■ ■ 4) ■ ■ ■ 3) ■ 3) ■ ■ 3) 1) Если имеется в наличии. 2) Самая быстрая: для освежения белья. 3) Продолжительность программы по умолчанию. 4) Наиболее длительная: постепенное увеличение продолжительности программы уменьшает энергопотребление. Оптимизировани...
Страница 39 - Добавление средства; для стирки и добавок; Отделения дозатора моющих средств
полоскание при установке новой программы.• Чтобы включить/выключить этот режим, одновременно нажмите и удерживайте и до тех пор, пока не загорится/отключитсяиндикатор . 9. ПЕРЕД ПЕРВЫМ ИСПОЛЬЗОВАНИЕМ 1. Залейте 2 литра воды в отсек моющего средства для этапа стирки. При этом активируется система сли...
Страница 40 - Жидкое или порошковое
Отсек средства для стирки, используемого на этапе предварительной стирки. Отметки «МАКС» указывают на максимально допустимые уровни средства для стирки (порошкового или жидкого).Отсек средства для стирки, используемого на этапе стирки. Отметки «МАКС» указывают на максимально допустимые уровни средст...
Страница 41 - Включение прибора; Запуск программы без; отсрочки пуска; Запуск программы с; отсрочкой пуска
10.5 Включение прибора Нажмите кнопку для включения или отключения прибора. При включении прибора выдается звуковой сигнал. 10.6 Выбор программы 1. Выберите программу стирки, повернув селектор программ: • При этом загорится индикатор соответствующей программы. • Индикатор замигает. • На дисплее отоб...
Страница 42 - Прерывание программы; и изменение выбранных
10.9 Прерывание программы и изменение выбранных функций Ряд функций можно изменить до того, как они будут запущены. 1. Нажмите на . Замигает индикатор. 2. Внесите изменения в функции.3. Вновь нажмите . Выполнение программы будет продолжено. 10.10 Отмена выполняющейся программы 1. Нажмите кнопку на н...
Страница 44 - Средства для стирки и; добавки; Очистка наружных; поверхностей
Такие загрязнения рекомендуется обработать заранее до загрузки одежды в прибор.В продаже имеются специализированные средства для выведения пятен. Используйте пятновыводители, подходящие к конкретному типу пятен и ткани. 11.3 Средства для стирки и добавки • Используйте только средства для стирки и до...
Страница 45 - Профилактическая; стирка; Очистка дозатора моющего средства
ПРЕДУПРЕЖДЕНИЕ Не используйте составы на основе спирта, растворителей или химических веществ. 12.2 Удаление накипи Если вода в Вашем регионе имеет высокую или среднюю жесткость, рекомендуется использовать предназначенные для стиральных машин средства для удаления накипи.Регулярно проверяйте состояни...
Страница 48 - ПОИСК И УСТРАНЕНИЕ НЕИСПРАВНОСТЕЙ; Возможные неисправности
13. ПОИСК И УСТРАНЕНИЕ НЕИСПРАВНОСТЕЙ ВНИМАНИЕ! См. Главы, содержащие Сведения по технике безопасности. 13.1 Введение Прибор не запускается или останавливается во время работы.Сначала попытайтесь найти решение проблемы (см. Таблицу). В случае повторного возникновения неисправности обратитесь в автор...
Страница 50 - ТЕХНИЧЕСКИЕ ДАННЫЕ
Неисправность Возможное решение Добавьте в барабан еще белья. Возможно, нагрузка недостаточна велика. Цикл заканчивается быстрее, чем указано на дисплее. Прибор может изменить время стирки сообразно конкретной загрузке белья. См. Главу «Показатели потребления». Цикл требует больше времени, чем указа...
Страница 51 - ОХРАНА ОКРУЖАЮЩЕЙ СРЕДЫ
Максимальная загрузка Хлопок 7 кг Класс энергопотребления A+++ Скорость отжима Максимум 1200 об/мин 1) Присоедините наливной шланг к водопроводному крану с резьбой 3/4". 15. ОХРАНА ОКРУЖАЮЩЕЙ СРЕДЫ Материалы с символом следует сдавать на переработку. Положите упаковку в соответствующие контейнер...