Духовые шкафы Graude BMDP 60.1 S - инструкция пользователя по применению, эксплуатации и установке на русском языке. Мы надеемся, она поможет вам решить возникшие у вас вопросы при эксплуатации техники.
Если остались вопросы, задайте их в комментариях после инструкции.
"Загружаем инструкцию", означает, что нужно подождать пока файл загрузится и можно будет его читать онлайн. Некоторые инструкции очень большие и время их появления зависит от вашей скорости интернета.

18
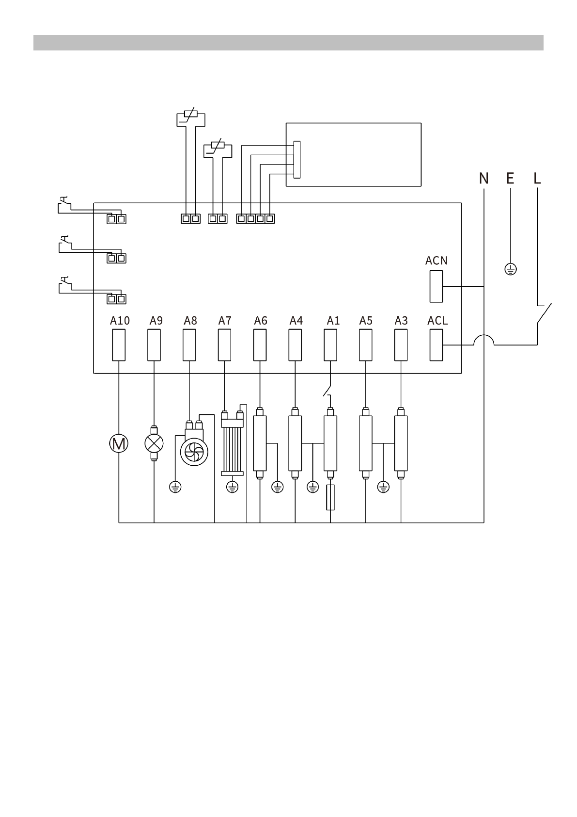
СХЕМА СОЕДИНЕНИЙ
Дисплей
Датчик рабочей камеры
Датчик
парогенератора
Дверной
датчик
Датчик уровня
воды в рез-ре
Датчик наличия
рез-ра
Термостат
Тер
мо
ст
ат
В
одя
но
й
на
со
с
По
дс
ве
тк
а
Ко
нв
ек
ц
ио
нный
ве
нт
иля
то
р
В
ент
иля
то
р
ох
ла
ждени
я
Ниж
ний
на
гр
е
ва
те
л
ь
В
ер
хни
й
вне
ш
ни
й
на
гр
ев
ат
ель
З
адни
й
на
гр
ев
ат
ель
В
ер
хни
й
вну
тр
енни
й
на
гр
ев
ат
ель
Ге
не
ра
то
р
пара
Пр
едо
хр
ани
те
ль