Страница 3 - влажностью более 80 °С.
4 1. НАЗНАЧЕНИЕ И ПРИМЕНЕНИЕ ПРИБОРА 2 . ПРАВИЛА БЕЗОПАСНОСТИ 1.1. Высоконапорные воздушно-тепловые завесы ZVV-1.5E18HP, ZVV-2E24HP и ZVV-2E36HP предназначены для создания направленного воздушного потока препятствующего проникновению вну трь помещения холодного наружного возду-ха и снижения тепловых...
Страница 4 - допускайте его падения.
5 РИС. 1. Устройство высоконапорных воздушно-тепловых завес ZVV-1.5E18HP, ZVV-2E24HP и ZVV-2E36HP 3. УСТРОЙСТВО И ПРИНЦИП РАБОТЫ ЗАВЕС • При перемещении прибора соблюдайте особую осторожность. Не ударяйте и не допускайте его падения. • При эксплуатации завесы соблюдайте общие правила безопасности пр...
Страница 5 - ТЕХНИЧЕСКИЕ ХАРАКТЕРИСТИКИ; Наименование; ТАБЛИЦА 1
6 4. ТЕХНИЧЕСКИЕ ХАРАКТЕРИСТИКИ Завеса состоит из корпуса (1), изготовленного из листовой стали, покрытой высокока-чественным полимерным покрытием. Вну три корпуса расположены нагревательные элементы и вентиляторный блок. В завесах вну три корпуса расположены диаметраль-ные вентиляторы и трубчатые э...
Страница 6 - ТАБЛИЦА 2; Модель завесы; ПОДГОТОВКА К РАБОТЕ; Подключение к электрической сети
7 ТАБЛИЦА 2 Модель завесы ZVV-1.5E18HP ZVV-2E24HP ZVV-2E36HP Автоматический выключатель 32 А 45 А 63 А Медный кабель 5 x 4,0 5 x 6,0 5 x 10,0 5. ПОДГОТОВКА К РАБОТЕ 5.1. При установке, монтаже и запуске в эксплуатацию необходимо соблюдать пра- вила технической эксплуатации электроустановок потребите...
Страница 7 - Вентиляция с подогревом потока воздуха
8 РИС. 2 Пульт управления 6. ПОРЯДОК РАБОТЫ 6.1. Перед включением завесы переключатели пульта управления должны находиться в по-ложении 0 (см. рис. 2). 6.2. Вентиляция (режим «Fan»). 6.2.1. Включение. Для включения завесы в режим вентиляции (без нагрева) необходимо пере-вести переключатель 1 в полож...
Страница 8 - для чистки нагревательного элемента необходимо воспользо-
9 7. УХОД И ОБСЛУЖИВАНИЕ 8. ТРАНСПОРТИРОВКА И ХРАНЕНИЕ 7.1. ВНИМАНИЕ! Во избежание поражения электрическим током перед началом чистки или тех-нического обслуживания отключите прибор от электросети. При правильной экс-плуатации завеса почти не требует специального технического обслуживания. Для надеж...
Страница 9 - настоящем руководстве.; СРОК СЛУЖБЫ ИЗДЕЛИЯ
10 11. ПОИСК И УСТРАНЕНИЕ НЕИСПРАВНОСТЕЙ 11.1. При устранении неисправностей соблюдайте меры безопасности, изложенные в настоящем руководстве. 11.2. Если завеса не включается Возможные причины: • Отсу тствует напряжение в сети. Проверить наличие напряжение в электросети. • Обрыв шнура питания. Прове...
Страница 10 - Если появляется запах и дым при первом включении
11 Возможные причины: • Произошло сильное загрязнение передней перфорированной стенки корпуса или нагревательного элемента. Прочистить стенку корпуса или нагреватель-ный элемент. 11.5. Если появляется запах и дым при первом включении Возможные причины: • При первом включении завесы возможно появлени...
Страница 11 - Товар соответсвует требованиям нормативных документов:
12 12. СЕРТИФИКАЦИЯ 13. СВИДЕТЕЛЬСТВО О ПРИЕМКЕ И УПАКОВКЕ ТОВАРА Упаковкутовара произвел (личная подпись) (расшифровка подписи) М.П. «_____»_____________________ 201___г. 12.1. Товар сертифицирован на территории России органом по сертификации: ООО «Сертификация продукции «СТАНДАРТ-ТЕСТ», аттестат а...
Страница 12 - Модель
13 ТАБЛИЦА 1 14. ПРИЛОЖЕНИЕ 1 Модель Размеры,мм L1 L A B C D E F A1 B1 B1'' C1 D1 A2 B2 C2 D2 ZVV-1.5E18HP 1517 1527 1437 40 40 200 294 286 1216 121 180 26 135 53 63 10 60 ZVV-2E24HP 2010 2020 1930 40 40 200 294 286 1668 141 201 26 135 64 76 10 60 ZVV-2E36HP 2010 2020 1930 40 40 200 294 286 1668 141...
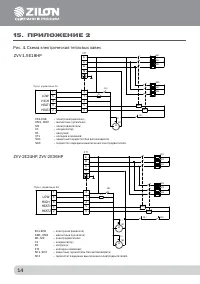
Страница 13 - Рис. 4. Схема электрическая тепловых завес
14 Рис. 4. Схема электрическая тепловых завес 15. ПРИЛОЖЕНИЕ 2 L 1 L 2 L 3 N 5 3 2 1 EK 1 EK 2 EK 3 EK 4 EK 5 EK 6 X T 1 6 S K 1 KM 2 KM 1 S K 2 M 1 M ~ R 1 C 1 15 3 4 2 H IGHHEAT1HEAT2 LOW П у л ь т у п р а в л е н и я Z A ZVV-1.5E18HP L 1 L 2 L 3 N 5 3 2 1 EK 1 EK 2 EK 3 EK 4 EK 5 EK 6 6 S K 2 S K...
Страница 14 - ГАРАНТИЙНЫЙ ТАЛОН; ПОЗДРАВЛЯЕМ ВАС С ПРИОБРЕТЕНИЕМ!
15 16. ГАРАНТИЙНЫЙ ТАЛОН ПОЗДРАВЛЯЕМ ВАС С ПРИОБРЕТЕНИЕМ! Внимательно ознакомьтесь с гарантийным талоном и проследите, чтобы он был правильно заполнен и имел штамп продавца. При отсу тствии штампа продавца (либо кассового чека с датой продажи) гарантийный срок изделия исчисляется со дня его изготовл...
Страница 16 - ГАРАНТИЙНЫЙ ТАЛОН; Печать продавца; сохраняется у покупателя; Печать установщика; на гарантийное обслуживание
ГАРАНТИЙНЫЙ ТАЛОН сохраняется у покупателя Модель _______________________________ Серийный номер _______________________ Дата продажи __________________________ Название продавца ___________________________________________________________ Адрес продавца ______________________________________________...