ZILON ZTV-3С N1 - инструкции и руководства

model-name

Обогреватель ZILON ZTV-3С N1 - инструкции пользователя по применению, эксплуатации и установке на русском языке читайте онлайн в формате pdf

1 Page 1
2 Page 2
3 Page 3
4 Page 4
5 Page 5
6 Page 6
7 Page 7
8 Page 8
9 Page 9
10 Page 10
11 Page 11
12 Page 12
13 Page 13
14 Page 14
15 Page 15
16 Page 16
17 Page 17
18 Page 18

Краткое содержание

Страница 5 - УСТРОЙСТВО ПРИБОРА; миться с настоящим Руководством.

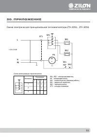
4 Несущая конструкция тепловентилятора (см. рис.1) состоит из корпуса (1), изготовлен-ного из листовой стали и имеющего цилиндрическую форму. В корпусе размещены вен-тилятор и трубчатые электронагревательные элементы. Снаружи корпуса расположен блок управления (2). Корпус, закрытый воздухозаборной (...

Страница 6 - ТЕХНИЧЕСКИЕ ХАРАКТЕРИСТИКИ

5 1. Поворотный корпус 2. Блок управления 3. Воздухозаборная решетка 4. Воздуховыпускная решетка 5. Ручка -подставка 6. Фиксатор Рис. 1. Устройство прибора Работа тепловентилятора возможна в одном из следующих режимов:– режим 0 – вентиляция; – режим 1 – вентиляция с нагревом (неполная мощность); – р...

Страница 7 - Положение частичной мощности

6 9. ПОДГОТОВКА ПРИБОРА К РАБОТЕ Перед подключением прибора к электросети переведите ручку переключателя «5» в положение «1».Подключение тепловентилятора к электросети осуществляется пу тем включениявилки шнура питания тепловентилятора в розетку с напряжением 220 В~50 Гц и земляющим проводом.Прибор ...

ZILON Обогреватели Инструкции