ZILON ZTV-3 N1 - инструкции и руководства
Обогреватель ZILON ZTV-3 N1 - инструкции пользователя по применению, эксплуатации и установке на русском языке читайте онлайн в формате pdf
Инструкции:
Инструкция по эксплуатации ZILON ZTV-3 N1
1
2
3
4
5
6
7
8
9
10
11
12
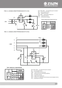
13
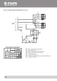
14
15
16
17
18
19
20
21
22
ZILON Обогреватели Инструкции
-
ZILON IR-0.8SN3
Инструкция по эксплуатации
-
ZILON IR-1,4SN3
Инструкция по эксплуатации
-
ZILON IR-1,5EN3
Инструкция по эксплуатации
-
ZILON IR-2.0EN3
Инструкция по эксплуатации
-
ZILON IR-3,0EN3
Инструкция по эксплуатации
-
ZILON IR-4.0SN2
Инструкция по эксплуатации
-
ZILON ZVV-0.6Е3M
Инструкция по эксплуатации
-
ZILON ZVV-1.0Е6S
Инструкция по эксплуатации
-
ZILON ZVV-1.5E18HP
Инструкция по эксплуатации
-
ZILON ZVV-1.5Е9SG
Инструкция по эксплуатации
-
ZILON ZVV-1.5Е9T
Инструкция по эксплуатации
-
ZILON ZVV-1Е6T
Инструкция по эксплуатации
-
ZILON ZVV-2Е12T
Инструкция по эксплуатации
-
ZILON ZVV-2Е18T
Инструкция по эксплуатации
-
ZILON ZVV-2Е24HP
Инструкция по эксплуатации
-
ZILON ZVV-2Е24T
Инструкция по эксплуатации
-
ZILON ZVV-2Е36HP
Инструкция по эксплуатации
-
ZILON ZVV-9T
Инструкция по эксплуатации
-
ZILON ZTV-15
Инструкция по эксплуатации
-
ZILON ZTV-15 N1
Инструкция по эксплуатации