Страница 3 - ПРАВИЛА БЕЗОПАСНОСТИ; • Запрещается эксплуатация тепловентилятора без заземления.
1 1. ОБОЗНАЧЕНИЯ 1.1. ВНИМАНИЕ! Требования, не соблюдение которых может привести к тяжелой травме или серьезному повреждению оборудования. 1.2. ОСТОРОЖНО! Требования, не соблюдение которых может привести к тяжелой травме или летальному исходу. 2. ПРАВИЛА БЕЗОПАСНОСТИ При эксплуатации тепловентилятор...
Страница 4 - НАЗНАЧЕНИЕ ПРИБОРА
2 т.п.) и в непосредственной близости от розетки сетевого электроснабжения. • Не накрывайте тепловентилятор и не ограничивайте движение воздушного потока на входе и выходе воздуха. • Во избежание ожогов, во время работы тепловентилятора в режиме на - грева, не прикасайтесь к наружной поверхности в м...
Страница 5 - УСТРОЙСТВО ПРИБОРА; мещение через решетку.; Работа тепловентилятора возможна в одном из следующих режимов:; ПРИНЦИП РАБОТЫ ПРИБОРА; мещение через отверстия воздуховыпускной решетки.
3 5. УСТРОЙСТВО ПРИБОРА Несущая конструкция тепловентилятора (см. рис. 1) состоит из корпуса (1) и подставки-ручки (2). Вентилятор (3) расположен в задней части тепловенти - лятора. Блок управления смонтирован на шасси, расположенном в верхней части корпуса под крышкой. Органы управления вынесены на...
Страница 7 - ПОРЯДОК ПОДКЛЮЧЕНИЯ
5 Габаритные размеры упаковки, мм (Г*В*Ш) 250х415х310 320х505 х375 345х595 х435 495х595 х435 495х595х435 Вес нетто, не более, кг 3,3 3,9 7,2 12,5 18,7 20,0 23,0 Вес брутто, не более, кг 3,8 4,3 7,8 13,9 20,0 20,9 25,2 ПРИМЕЧАНИЕ: При падении напряжения в сети на 10% возможно снижение производитель -...
Страница 8 - ВЕНТИЛЯЦИЯ; ВЕНТИЛЯЦИЯ С ПОДОГРЕВОМ ВОЗДУХА (ВОЗДУШНОЕ
6 • подключить силовой кабель к клеммной колодке тепловентилятора соглас - но маркировке на шасси; • затянув гайку кабельного ввода, жестко зафиксировать кабель; • подключить силовой кабель к щиту питания. Тепловентилятор не имеет встроенного предохранителя, поэтому подключение к электросети необ - ...
Страница 9 - ОБЕСПЕЧЕНИЕ БЕЗОПАСНОЙ РАБОТЫ; гревательных элементов в случае перегрева корпуса.
7 - ручку термостата 2 поверните по часовой стрелке в положение, соответ - ствующее желаемой температуре подогрева воздуха в помещении. При до - стижении заданной температуры воздуха в помещении будет происходить автоматическое отключение ТЭНов. Поворот по часовой стрелке и установка ручки термостат...
Страница 10 - ПРАВИЛА ТРАНСПОРТИРОВКИ И ХРАНЕНИЯ; мом вентилируемом помещении при температуре от +5 до +40°С и относи; ТЕХНИЧЕСКОЕ ОБСЛУЖИВАНИЕ; жет эксплуатироваться более 7 лет.
8 ВНИМАНИЕ! Частое срабатывание устройства аварийного отключения не является нор - мальным режимом работы тепловентилятора. При появлении признаков ненормальной работы установить ручку переклю - чения режимов в нерабочее положение, обесточить тепловентилятор, выяс - нить и устранить причины, вызвавш...
Страница 11 - ДАТА ИЗГОТОВЛЕНИЯ
9 14. ВОЗМОЖНЫЕ ВАРИАНТЫ НЕИСПРАВНОСТИ И МЕТО- ДЫ ИХ УСТРАНЕНИЯ Вероятная причина Метод устранения Тепловентиля - тор не включается Отсутствует напряжение в сети электропитания Проверить наличие напряже - ния в сетевой розетке Проверить целостность шнура питания, неисправный заменить Не работает пер...
Страница 12 - ГАРАНТИИ И СЕРТИФИКАЦИЯ; Гарантийный срок эксплуатации - 24 месяца от даты продажи.; Товар соответствует требованиям; ТР ТС 004/2011 «О безопасности низковольтного оборудования»,; Изготовлено в России; СЕРВИСНЫЙ ЦЕНТР; Cписок сервисных центров можно узнать на сайте
10 17. ГАРАНТИИ И СЕРТИФИКАЦИЯ Гарантийный срок эксплуатации - 24 месяца от даты продажи. Товар сертифицирован на территории Евразийского экономического сою- за. Товар соответствует требованиям нормативных документов: ТР ТС 004/2011 «О безопасности низковольтного оборудования», ТР ТС 020/2011 «Элект...
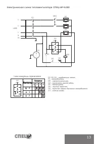
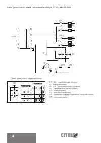
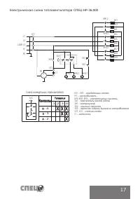
Страница 14 - Приложение No1; Схема коммутации переключателя; Положение; Схема коммутации переключателя; Положение; PDF created with pdfFactory Pro trial version; Схема электрическая принципиальная тепловентилятора НР; Схема коммутации переключателя; Контакты
12 Приложение №1 Электрическая схема тепловентилятора СПЕЦ-HP-3.000 Электрическая схема тепловентилятора СПЕЦ-HP-5.000 ~ 2 30 В L NPE SK1 Схема электрическая принципиальная тепловентилятора НР -2.000, НР -3.000 ( термостат без автовозврата ) EK1, EK2 - нагревательный элемент ; М 1 - электродвигатель...