Спец СПЕЦ-ДН-65 - Инструкция по эксплуатации

Спец СПЕЦ-ДН-65

Обогреватель Спец СПЕЦ-ДН-65 - инструкция пользователя по применению, эксплуатации и установке на русском языке. Мы надеемся, она поможет вам решить возникшие у вас вопросы при эксплуатации техники.

Если остались дополнительные вопросы — свяжитесь с нами через контактную форму.

1 Страница 1
2 Страница 2
3 Страница 3
4 Страница 4
5 Страница 5
6 Страница 6
7 Страница 7
8 Страница 8
9 Страница 9
10 Страница 10
11 Страница 11
12 Страница 12
13 Страница 13
14 Страница 14
15 Страница 15
16 Страница 16
17 Страница 17
18 Страница 18
19 Страница 19
20 Страница 20
Страница: / 20

Содержание:

  • Страница 2 – Пушка тепловая дизельная
  • Страница 3 – ОПИСАНИЕ И РАБОТА ДИЗЕЛЬНОГО ТЕПЛОГЕНЕРАТОРА; Запрещается; Техническая характеристика; Топливо
  • Страница 5 – Летняя вентиляция
  • Страница 8 – давление
  • Страница 9 – ВОЗМОЖНЫЕ НЕИСПРАВНОСТИ И МЕТОДЫ ИХ УСТРАНЕНИЯ; Возможные неисправности приведены в таблицах 2 и 3; Таблица 2; Неисправность; Контрольная лампочка источника питания не горит; Причина
  • Страница 10 – Таблица 3; ГАРАНТИИ ПРОДАВЦА
  • Страница 11 – Случаи утраты гарантийных обязательств
  • Страница 12 – Изготовлено по заказу:
  • Страница 13 – СВИДЕТЕЛЬСТВО О ПРОДАЖЕ; место печати; Модель; Свидетельство о приемке
  • Страница 15 – Приложение 2; Конфигурация теплогенератора СПЕЦ-ДН-65
  • Страница 17 – Коробка упаковочная; Приложение 3
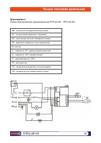
  • Страница 18 – Приложение 4
Загрузка инструкции

РУКОВОДСТВО ПО ЭКСПЛУАТАЦИИ

И ПАСПОРТ ИЗДЕЛИЯ

Рекомендуем изучить
инструкцию по эксплуатации
перед использованием!

Пушка тепловая дизельная

прямого нагрева

Модель: СПЕЦ-ДН-65

"Загрузка инструкции" означает, что нужно подождать пока файл загрузится и можно будет его читать онлайн. Некоторые инструкции очень большие и время их появления зависит от вашей скорости интернета.

Краткое содержание

Страница 2 - Пушка тепловая дизельная

ДАННОЕ ИЗДЕЛИЕ ПРЕДНАЗНАЧЕНО ТОЛЬКО ДЛЯ ПРОМЫШЛЕННОГО ИСПОЛЬЗОВАНИЯ. Предупреждение: при несоблюдении инструкций по безопасности и инструкций по эксплуатации данного оборудования фирма-производитель снимает с себя ответственность за несчастные случаи и повреждения, нанесенные людям, а также за ущерб...

Страница 3 - ОПИСАНИЕ И РАБОТА ДИЗЕЛЬНОГО ТЕПЛОГЕНЕРАТОРА; Запрещается; Техническая характеристика; Топливо

1. ОПИСАНИЕ И РАБОТА ДИЗЕЛЬНОГО ТЕПЛОГЕНЕРАТОРА 1.1 Назначение теплогенератора. Теплогенераторы ДН - это серия передвижных дизельных генераторов горячего воздуха, предназначенных для безопасного, надежного и эффективного обогрева помещений при четком выполнении правил эксплуатации и технического обс...

Страница 5 - Летняя вентиляция

Не используйте другие виды топлива. Не наполняйте бак топливом непосредственно во время эксплуатации теплогенератора.Квалифицированный специалист должен обеспечить заземление, а также правильное подключение по схеме подключения (Приложение 4). 3.2 Включение. Вставьте электрическую вилку в розетку.Гл...

Характеристики

Другие модели - Обогреватели Спец

Все обогреватели Спец