Спец HP-3.000 - Инструкция по эксплуатации

Спец HP-3.000

Обогреватель Спец HP-3.000 - инструкция пользователя по применению, эксплуатации и установке на русском языке. Мы надеемся, она поможет вам решить возникшие у вас вопросы при эксплуатации техники.

Если остались дополнительные вопросы — свяжитесь с нами через контактную форму.

1 Страница 1
2 Страница 2
3 Страница 3
4 Страница 4
5 Страница 5
6 Страница 6
7 Страница 7
8 Страница 8
9 Страница 9
10 Страница 10
11 Страница 11
12 Страница 12
13 Страница 13
14 Страница 14
15 Страница 15
16 Страница 16
17 Страница 17
18 Страница 18
19 Страница 19
20 Страница 20
21 Страница 21
22 Страница 22
23 Страница 23
24 Страница 24
Страница: / 24

Содержание:

  • Страница 3 – ПРАВИЛА БЕЗОПАСНОСТИ; • Запрещается эксплуатация тепловентилятора без заземления.
  • Страница 4 – НАЗНАЧЕНИЕ ПРИБОРА
  • Страница 5 – УСТРОЙСТВО ПРИБОРА; мещение через решетку.; Работа тепловентилятора возможна в одном из следующих режимов:; ПРИНЦИП РАБОТЫ ПРИБОРА; мещение через отверстия воздуховыпускной решетки.
  • Страница 7 – ПОРЯДОК ПОДКЛЮЧЕНИЯ
  • Страница 8 – ВЕНТИЛЯЦИЯ; ВЕНТИЛЯЦИЯ С ПОДОГРЕВОМ ВОЗДУХА (ВОЗДУШНОЕ
  • Страница 9 – ОБЕСПЕЧЕНИЕ БЕЗОПАСНОЙ РАБОТЫ; гревательных элементов в случае перегрева корпуса.
  • Страница 10 – ПРАВИЛА ТРАНСПОРТИРОВКИ И ХРАНЕНИЯ; мом вентилируемом помещении при температуре от +5 до +40°С и относи; ТЕХНИЧЕСКОЕ ОБСЛУЖИВАНИЕ; жет эксплуатироваться более 7 лет.
  • Страница 11 – ДАТА ИЗГОТОВЛЕНИЯ
  • Страница 12 – ГАРАНТИИ И СЕРТИФИКАЦИЯ; Гарантийный срок эксплуатации - 24 месяца от даты продажи.; Товар соответствует требованиям; ТР ТС 004/2011 «О безопасности низковольтного оборудования»,; Изготовлено в России; СЕРВИСНЫЙ ЦЕНТР; Cписок сервисных центров можно узнать на сайте
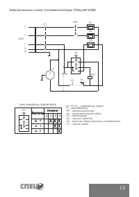
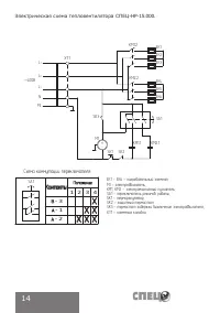
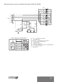
  • Страница 14 – Приложение No1; Схема коммутации переключателя; Положение; Схема коммутации переключателя; Положение; PDF created with pdfFactory Pro trial version; Схема электрическая принципиальная тепловентилятора НР; Схема коммутации переключателя; Контакты
Загрузка инструкции

РУКОВОДСТВО ПО ЭКСПЛУАТАЦИИ

И ПАСПОРТ ИЗДЕЛИЯ

Пушка тепловая «СПЕЦ»

Пожалуйста!

Перед началом эксплуатации,

ознакомьтесь с инструкцией!

Модели:

СПЕЦ-НР-3.000, СПЕЦ-НР-5.000, СПЕЦ-НР-9.000,

СПЕЦ-НР-15.000, СПЕЦ-НР-24.000,

СПЕЦ-НР-30.000, СПЕЦ-НР-36.000

"Загрузка инструкции" означает, что нужно подождать пока файл загрузится и можно будет его читать онлайн. Некоторые инструкции очень большие и время их появления зависит от вашей скорости интернета.

Краткое содержание

Страница 3 - ПРАВИЛА БЕЗОПАСНОСТИ; • Запрещается эксплуатация тепловентилятора без заземления.

1 1. ОБОЗНАЧЕНИЯ 1.1. ВНИМАНИЕ! Требования, не соблюдение которых может привести к тяжелой травме или серьезному повреждению оборудования. 1.2. ОСТОРОЖНО! Требования, не соблюдение которых может привести к тяжелой травме или летальному исходу. 2. ПРАВИЛА БЕЗОПАСНОСТИ При эксплуатации тепловентилятор...

Страница 4 - НАЗНАЧЕНИЕ ПРИБОРА

2 т.п.) и в непосредственной близости от розетки сетевого электроснабжения. • Не накрывайте тепловентилятор и не ограничивайте движение воздушного потока на входе и выходе воздуха. • Во избежание ожогов, во время работы тепловентилятора в режиме на - грева, не прикасайтесь к наружной поверхности в м...

Страница 5 - УСТРОЙСТВО ПРИБОРА; мещение через решетку.; Работа тепловентилятора возможна в одном из следующих режимов:; ПРИНЦИП РАБОТЫ ПРИБОРА; мещение через отверстия воздуховыпускной решетки.

3 5. УСТРОЙСТВО ПРИБОРА Несущая конструкция тепловентилятора (см. рис. 1) состоит из корпуса (1) и подставки-ручки (2). Вентилятор (3) расположен в задней части тепловенти - лятора. Блок управления смонтирован на шасси, расположенном в верхней части корпуса под крышкой. Органы управления вынесены на...

Характеристики

Другие модели - Обогреватели Спец

Все обогреватели Спец