Спец HP-5.000C - инструкции и руководства

model-name

Обогреватель Спец HP-5.000C - инструкции пользователя по применению, эксплуатации и установке на русском языке читайте онлайн в формате pdf

1 Page 1
2 Page 2
3 Page 3
4 Page 4
5 Page 5
6 Page 6
7 Page 7
8 Page 8
9 Page 9
10 Page 10
11 Page 11
12 Page 12

Краткое содержание

Страница 2 - Руководство по эксплуатации; Гарантийный талон; Перед началом эксплуатации тепловой завесы внимательно

Руководство по эксплуатации Гарантийный талон Пушка тепловая НP-3.000C, НP-5.000C, НP-6.000C, НP-9.000C, НP-2.001C, НP-3.001C, НP-2.002C, НP-3.002C, Перед началом эксплуатации тепловой завесы внимательно

Страница 3 - изучите данное руководство и храните его в доступном месте.; ПРАВИЛА БЕЗОПАСНОСТИ:

изучите данное руководство и храните его в доступном месте. ВНИМАНИЕ! 1. В тексте данной инструкции тепловентилятор может иметь такие технические названия, как прибор, устройство, аппарат, тепловая пушка, электрообогреватель. 2. Изготовителем могут быть внесены в тепловентилятор незначительные конст...

Страница 5 - Наружный кожух поворотного корпуса; ПРИНЦИП РАБОТЫ ПРИБОРА.; воздуховыпускной решетки.; ТЕХНИЧЕСКИЕ ХАРАКТЕРИСТИКИ:

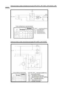
Рис. 1. Устройство прибора HP -2.001C, HP -3.001C HP -2.002C, HP -3.002C 1 - Наружный кожух поворотного корпуса 2 - Блок управления 3 - Воздухозаборная решётка 4 - Воздуховыпускная решётка 5 - Ручка 6 - Гайка-фиксатор ПРИНЦИП РАБОТЫ ПРИБОРА. Вентилятор затягивает воздух через отверстия воздухозаборн...

Спец Обогреватели Инструкции