Спец HP-36.000 - инструкции и руководства

model-name

Обогреватель Спец HP-36.000 - инструкции пользователя по применению, эксплуатации и установке на русском языке читайте онлайн в формате pdf

1 Page 1
2 Page 2
3 Page 3
4 Page 4
5 Page 5
6 Page 6
7 Page 7
8 Page 8
9 Page 9
10 Page 10
11 Page 11
12 Page 12
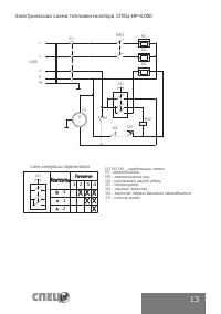
13 Page 13
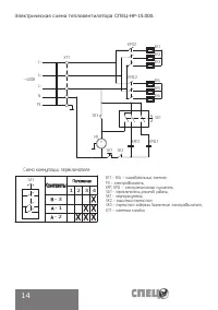
14 Page 14
15 Page 15
16 Page 16
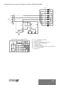
17 Page 17
18 Page 18
19 Page 19
20 Page 20
21 Page 21
22 Page 22
23 Page 23
24 Page 24

Краткое содержание

Страница 3 - ПРАВИЛА БЕЗОПАСНОСТИ; • Запрещается эксплуатация тепловентилятора без заземления.

1 1. ОБОЗНАЧЕНИЯ 1.1. ВНИМАНИЕ! Требования, не соблюдение которых может привести к тяжелой травме или серьезному повреждению оборудования. 1.2. ОСТОРОЖНО! Требования, не соблюдение которых может привести к тяжелой травме или летальному исходу. 2. ПРАВИЛА БЕЗОПАСНОСТИ При эксплуатации тепловентилятор...

Страница 4 - НАЗНАЧЕНИЕ ПРИБОРА

2 т.п.) и в непосредственной близости от розетки сетевого электроснабжения. • Не накрывайте тепловентилятор и не ограничивайте движение воздушного потока на входе и выходе воздуха. • Во избежание ожогов, во время работы тепловентилятора в режиме на - грева, не прикасайтесь к наружной поверхности в м...

Страница 5 - УСТРОЙСТВО ПРИБОРА; мещение через решетку.; Работа тепловентилятора возможна в одном из следующих режимов:; ПРИНЦИП РАБОТЫ ПРИБОРА; мещение через отверстия воздуховыпускной решетки.

3 5. УСТРОЙСТВО ПРИБОРА Несущая конструкция тепловентилятора (см. рис. 1) состоит из корпуса (1) и подставки-ручки (2). Вентилятор (3) расположен в задней части тепловенти - лятора. Блок управления смонтирован на шасси, расположенном в верхней части корпуса под крышкой. Органы управления вынесены на...

Спец Обогреватели Инструкции