Спец HP-3.000C - инструкции и руководства

model-name

Обогреватель Спец HP-3.000C - инструкции пользователя по применению, эксплуатации и установке на русском языке читайте онлайн в формате pdf

1 Page 1
2 Page 2
3 Page 3
4 Page 4
5 Page 5
6 Page 6
7 Page 7
8 Page 8
9 Page 9
10 Page 10
11 Page 11

Краткое содержание

Страница 2 - изучите данное руководство и храните его в доступном месте.; ПРАВИЛА БЕЗОПАСНОСТИ:

изучите данное руководство и храните его в доступном месте. ВНИМАНИЕ! 1. В тексте данной инструкции тепловентилятор может иметь такие технические названия, как прибор, устройство, аппарат, тепловая пушка, электрообогреватель. 2. Изготовителем могут быть внесены в тепловентилятор незначительные конст...

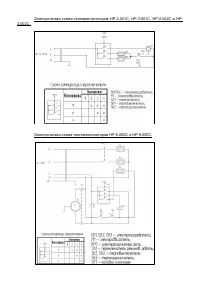
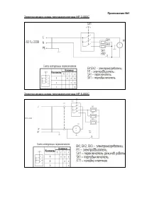
Страница 4 - Наружный кожух поворотного корпуса; ПРИНЦИП РАБОТЫ ПРИБОРА.; воздуховыпускной решетки.; ТЕХНИЧЕСКИЕ ХАРАКТЕРИСТИКИ:

Рис. 1. Устройство прибора HP -2.001C, HP -3.001C HP -2.002C, HP -3.002C 1 - Наружный кожух поворотного корпуса 2 - Блок управления 3 - Воздухозаборная решётка 4 - Воздуховыпускная решётка 5 - Ручка 6 - Гайка-фиксатор ПРИНЦИП РАБОТЫ ПРИБОРА. Вентилятор затягивает воздух через отверстия воздухозаборн...

Страница 8 - УХОД И ОБСЛУЖИВАНИЕ; тепловентилятор может эксплуатироваться более 7 лет.; ПРАВИЛА ТРАНСПОРТИРОВКИ И ХРАНЕНИЯ; обращаться в специализированные ремонтные мастерские

электронагревателей до безопасной температуры, далее произойдет автоматическое выключения вентилятора. В зависимости от установки тепловентилятора и условий эксплуатации процесс отключения вентилятора может занять 1-2 минуты. УХОД И ОБСЛУЖИВАНИЕ При нормальной эксплуатации тепловентилятор не требует...

Спец Обогреватели Инструкции