Страница 3 - ПРАВИЛА БЕЗОПАСНОСТИ
1 1. ОБОЗНАЧЕНИЯ 1.1. ВНИМАНИЕ! Требования, не соблюдение которых может привести к тяжелой травме или серьезному повреждению оборудования. 1.2. ОСТОРОЖНО! Требования, не соблюдение которых может привести к тяжелой травме или летальному исходу. ПРИМЕЧАНИЕ: • Перед началом работы с тепловентилятором н...
Страница 5 - элементами, нагревается и подается в помещение через решетку.; Работа тепловентилятора возможна в одном из следующих режимов:; – режим 2 – вентиляция; ПРИНЦИП РАБОТЫ ПРИБОРА; мещение через отверстия воздуховыпускной решетки.; ТЕХНИЧЕСКИЕ ХАРАКТЕРИСТИКИ
3 элементами, нагревается и подается в помещение через решетку. Работа тепловентилятора возможна в одном из следующих режимов: – режим 2 – вентиляция; – режим 3 – вентиляция с нагревом (неполная мощность); – режим 4 – вентиляция с нагревом (полная мощность). 1 - корпус; 2 - подставка-ручка; 3 - вент...
Страница 6 - *Примечание: при падении напряжения в сети на 10% возможно снижение
4 Потребляемая мощность в режиме вентиля - ции, Вт 30 38 42 Потребляемая мощность в режиме 1, кВт 1,0 1,5 3,0 6,0 Потребляемая мощность в режиме 2, кВт 2,0 3,0 4,5 9,0 Производитель - ность, м 3 /час 140 300 400 850 Увеличение температуры воздуха на выходе, 0 С 42,5 37 34 32 Регулировка поддерживаем...
Страница 9 - менному выходу из строя электронагревателей.; ТЕХНИЧЕСКОЕ ОБСЛУЖИВАНИЕ; их устранения приведены в таблице.
7 прибора. 3. Переведите ручку 5 в положение 1 (выключение). 4. Отключите прибор от сети не ранее чем через десять минут после работы вентилятора или после того, как прибор в течении десяти минут будет нахо - дится в режиме 1 (выключен). ВНИМАНИЕ! В целях увеличения эксплуатационного срока службы те...
Страница 10 - ФУНКЦИИ БЕЗОПАСНОЙ РАБОТЫ; Защитный термостат
8 11. ВОЗМОЖНЫЕ ВАРИАНТЫ НЕИСПРАВНОСТИ И МЕТО- ДЫ ИХ УСТРАНЕНИЯ Вероятная причина Метод устранения Тепловентиля - тор не включается Отсутствует напряжение в сети электропитания Проверить наличие напряже - ния в сетевой розетке Проверить целостность шнура питания, неисправный заменить Не работает пер...
Страница 11 - ТРАНСПОРТИРОВКА И ХРАНЕНИЕ; мом вентилируемом помещении при температуре от +5 до +40 °С и относи; ДАТА ИЗГОТОВЛЕНИЯ; Дата изготовления указана на приборе.
9 вателей, до безопасной температуры. Далее произойдет автоматическое выключения вентилятора. В зависимости от установки тепловентилятора и условий эксплуатации процесс отключения вентилятора может занять 1–2 минуты. ВНИМАНИЕ! Частое срабатывание устройства аварийного отключения не является нор - ма...
Страница 12 - ГАРАНТИИ И СЕРТИФИКАЦИЯ; Гарантийный срок эксплуатации - 24 месяца от даты продажи.; Товар соответствует требованиям; ТР ТС 004/2011 «О безопасности низковольтного оборудования»,; Изготовлено в России; Cписок сервисных центров можно узнать на сайте
10 16. ГАРАНТИИ И СЕРТИФИКАЦИЯ Гарантийный срок эксплуатации - 24 месяца от даты продажи. Товар сертифицирован на территории Евразийского экономического сою- за. Товар соответствует требованиям нормативных документов: ТР ТС 004/2011 «О безопасности низковольтного оборудования», ТР ТС 020/2011 «Элект...
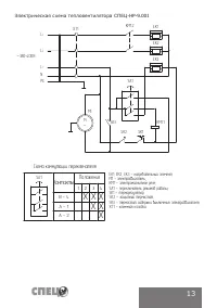
Страница 14 - Приложение No1
12 Приложение №1 Электрическая схема тепловентилятора СПЕЦ-HP-2.001, СПЕЦ-HP-3.001 ЕК1, ЕК2 - нагревательный элемент;М1 - электродвигатель;SA1 - переключатель режимов работы;SK1 - терморегулятор;SK2 - защитный термостат. EK1, EK2, ЕК3 - нагревательный элемент;М1 - электродвигатель;SA1 - переключател...