Страница 5 - ОГЛАВЛЕНИЕ; IАВТОМАТИЧЕСКОЕ ОСВЕЩЕНИЕ ПОДСТАВКИ
6 ОГЛАВЛЕНИЕ ВВЕДЕНИЕ ................................................7 Символы, используемые в настоящей инструкции ...7Буквы в скобках............................................................7Проблемы и ремонт .....................................................7 БЕЗОПАСНОСТЬ ....................
Страница 7 - Использование, соответствующее; ОПИСАНИЕ ПРИБОРА; Описание прибора
8 Опасность ожога! Этот прибор нагревает воду и, когда он работает, может появляться водяной пар. Проявляйте внимание, чтобы не попасть под брызгиводы или под струю горячего пара. Во время использо-вания не касайтесь нагретых частей прибора. Пользуй-тесь рукоятками или ручками. Внимание! Не опирайте...
Страница 8 - ПРЕДВАРИТЕЛЬНЫЕ ОПЕРАЦИИ; Контроль после транспортировки; АВТОМАТИЧЕСКОЕ ОСВЕЩЕНИЕ
9 В2. Кнопка выбора вкуса кофеВ3. Кнопка выбора приготовления одной или двух маленьких чашек кофе В4. Кнопка выбора приготовления одной или двух нормальных чашек кофе В5. Кнопка выбора приготовления одной или двух больших чашек кофе В6. Кнопка MENU (МЕНЮ) для включения иливыключения режима установки...
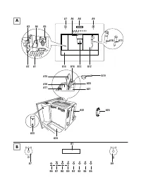
Страница 9 - ВСТРОЕННАЯ УСТАНОВКА
10 ВСТРОЕННАЯ УСТАНОВКА Проверьте минимальные размеры, необходимые дляправильной установки электроприбора.Кофемашина должна быть установлена в стойку, астойка прочно закреплена на стене при помощи стан-дартных кронштейнов. Внимание: • Обратите внимание: любая работа по установке илиобслуживанию долж...
Страница 11 - ПЕРВОЕ ВКЛЮЧЕНИЕ ПРИБОРА
12 ПЕРВОЕ ВКЛЮЧЕНИЕ ПРИБОРА • Машина испытана на заводе с использованиемкофе, поэтому следы кофе в кофемолке – абсо-лютно нормальное явление.В любом случае гарантировано, что эта машина –абсолютно новая. • Рекомендуется сразу же определить жесткостьводы, выполнив операции, описанные в параграфе"...
Страница 12 - Удаление фильтра; ВКЛЮЧЕНИЕ И РАЗОГРЕВ
13 бору. 6. Нажмите кнопку MENU B6 , чтобы войти в меню.7. Нажмите кнопку NEXT B7, чтобы на дисплее появи- лась сообщение "УСТАНОВИТЕ ФИЛЬТР". 8. Нажмите кнопку ОК B99. На дисплее появится сообщение "ГОРЯЧАЯ ВОДА. НАЖМИТЕ ОК". 10. Нажмите кнопку ОК B9. прибор начнет подавать го- рячу...
Страница 14 - ИЗМЕНЕНИЕ КОЛИЧЕСТВА КОФЕ; РЕГУЛИРОВКА КОФЕМОЛКИ
15 Для того, чтобы произвести очистку, откройте дверцудля обслуживания, расположенную в нижней части, по-тянув за узел подачи А13, рис. 13, извлеките ванночкудля сбора воды А14, рис. 14, опорожните и очистите ее. При проведении очистки обязательно полностью из-влеките ванночку для сбора воды, чтобы ...
Страница 15 - ПРИГОТОВЛЕНИЕ КОФЕ
16 поверните ручку на деление по часовой стрелке (более крупный помол). (Кофемашина испытана на заводе с использованиемкофе, поэтому следы кофе в кофемолке – абсолютнонормальное явление. В любом случае гарантировано,что эта кофеварка – абсолютно новая.) ПРИГОТОВЛЕНИЕ КОФЕ ЭКСПРЕССО ИЗ МОЛОТОГО КОФЕ ...
Страница 16 - ОЧИСТКА И УХОД; Очистка кофемашины; Очистка контейнера для кофейной
17 На дисплее появится сообщение "ПАР. НАЖМИТЕОК". • Нажмите кнопку ОК В9, рис. 1.) • Для того, чтобы прервать подачу пара, повернитеручку пара А9. • Погрузите насадку для взбивания молока А10 вемкость с молоком, рис. 19, не погружая дальшерельефной линии на насадке (указана стрелкой нарис. ...
Страница 18 - Установка часов
19 Внимание! Очищайте заварочный узел , не пользуясь моющими средствами, так как поршень, на-ходящийся внутри, обработан смазкой, которая можетбыть удалена моющим средством, вызвав слипание иневозможность использования заварочного узла. Немыть в посудомоечной машине. 5. Погрузите заварочный узел при...
Страница 20 - Изменения температуры кофе; Изменение длительности включения
21 полнит чередование сливания раствора и пауз длятого, чтобы удалить всю накипь, осевшую внутрикофеварки. • Примерно через 30 минут кофеварка сообщит:"СПОЛАСКИВАНИЕ. ЗАЛЕЙТЕ ВОДУ".Для того, чтобы удалить остатки раствора для сня-тия накипи из кофеварки, необходимо произвестисполаскивание: •...
Страница 21 - Возврат к заводским установкам; СМЕНА ЯЗЫКА; ТЕХНИЧЕСКИЕ ДАННЫЕ
22 кнопку NEXT B7 до появления сообщения "ЖЕСТ-КОСТЬ ВОДЫ 4". • нажмите CHANGE несколько раз до тех пор покацифра не будет совпадать с количеством красныхквадратиков на полоске реактива (например, еслина индикаторной полоске появились 3 красных ква-драта, необходимо три раза нажать кнопку, ч...
Страница 22 - СООБЩЕНИЯ, ПОКАЗЫВАЕМЫЕ НА ДИСПЛЕЕ
23 СООБЩЕНИЯ, ПОКАЗЫВАЕМЫЕ НА ДИСПЛЕЕ ПОКАЗЫВАЕМОЕ СООБЩЕНИЕ ВОЗМОЖНАЯ ПРИЧИНА УСТРАНЕНИЕ ЗAЛEЙTE BOДУ • Бачок для воды пустой либоплохо вставлен. • Наполните бачок для водыи/или правильно вставьте его,нажав до упора. СЛИШКОМ МЕЛКИЙ ПОМОЛ ОТРЕГУ-ЛИР. ПОМОЛ и чередующееся НА-ЖМИТЕ ОК • Слишком мелкий...
Страница 24 - РЕШЕНИЕ ПРОБЛЕМ
25 ПРОБЛЕМА ВОЗМОЖНАЯ ПРИЧИНА УСТРАНЕНИЕ РЕШЕНИЕ ПРОБЛЕМ Ниже перечислены некоторые возможные неисправности.Если проблема не может быть решена, как указано, необходимо связаться с сервисной службой. . Кофе не горячий. • Чашки предварительно неподогреты. • Заварочная головкаохладилась, так как прошли...
Страница 26 - РЕЦЕПТЫ
27 РЕЦЕПТЫ Кофейный пунш Ингредиенты (для 6 человек): 0,5 л горячего кофе0,5 л белого портвейна0,5 л рома100 г тростникового сахара Приготовление: Залить кофе в кастрюлю, добавить ром и портвейн, нагретьдо кипения. Постепенно добавлять сахар, периодическипробуя вкус, чтобы смесь была достаточно слад...