Smeg CMSC45 - Инструкция по эксплуатации

Smeg CMSC45

Кофемашина Smeg CMSC45 - инструкция пользователя по применению, эксплуатации и установке на русском языке. Мы надеемся, она поможет вам решить возникшие у вас вопросы при эксплуатации техники.

Если остались дополнительные вопросы — свяжитесь с нами через контактную форму.

1 Страница 1
2 Страница 2
3 Страница 3
4 Страница 4
5 Страница 5
6 Страница 6
7 Страница 7
8 Страница 8
9 Страница 9
10 Страница 10
11 Страница 11
12 Страница 12
13 Страница 13
14 Страница 14
15 Страница 15
16 Страница 16
17 Страница 17
18 Страница 18
19 Страница 19
20 Страница 20
21 Страница 21
22 Страница 22
23 Страница 23
24 Страница 24
25 Страница 25
26 Страница 26
27 Страница 27
Страница: / 27

Содержание:

  • Страница 5 – ОГЛАВЛЕНИЕ; IАВТОМАТИЧЕСКОЕ ОСВЕЩЕНИЕ ПОДСТАВКИ
  • Страница 7 – Использование, соответствующее; ОПИСАНИЕ ПРИБОРА; Описание прибора
  • Страница 8 – ПРЕДВАРИТЕЛЬНЫЕ ОПЕРАЦИИ; Контроль после транспортировки; АВТОМАТИЧЕСКОЕ ОСВЕЩЕНИЕ
  • Страница 9 – ВСТРОЕННАЯ УСТАНОВКА
  • Страница 11 – ПЕРВОЕ ВКЛЮЧЕНИЕ ПРИБОРА
  • Страница 12 – Удаление фильтра; ВКЛЮЧЕНИЕ И РАЗОГРЕВ
  • Страница 14 – ИЗМЕНЕНИЕ КОЛИЧЕСТВА КОФЕ; РЕГУЛИРОВКА КОФЕМОЛКИ
  • Страница 15 – ПРИГОТОВЛЕНИЕ КОФЕ
  • Страница 16 – ОЧИСТКА И УХОД; Очистка кофемашины; Очистка контейнера для кофейной
  • Страница 18 – Установка часов
  • Страница 20 – Изменения температуры кофе; Изменение длительности включения
  • Страница 21 – Возврат к заводским установкам; СМЕНА ЯЗЫКА; ТЕХНИЧЕСКИЕ ДАННЫЕ
  • Страница 22 – СООБЩЕНИЯ, ПОКАЗЫВАЕМЫЕ НА ДИСПЛЕЕ
  • Страница 24 – РЕШЕНИЕ ПРОБЛЕМ
  • Страница 26 – РЕЦЕПТЫ
Загрузка инструкции

MACCHINA PER CAFFÈ E CAPPUCCINO

COFFEE AND CAPPUCCINO MAKER

MACHINE À CAFÉ ET À CAPPUCCINO

KAFFEE-/CAPPUCCINO-VOLLAUTOMAT

KOFFIE- EN CAPPUCCINOAPPARAAT

CAFETERA PARA CAFÉ Y CAPUCHINO

MÁQUINA DE CAFÉ E CAPPUCCINO

ΜΗΧΑΝΗ ΚΑΦΕ ΚΑΙ CAPPUCCINO

КОФЕМАШИНА ДЛЯ ПРИГОТОВЛЕНИЯ КОФЕ И КАПУЧЧИНО

PŘÍSTROJ NA PŘÍPRAVU KÁVY A KAPUČÍNA

EKSPRES DO KAWY I KAWY CAPPUCCINO

KAFFEMASKIN FÖR ESPRESSO OCH CAPPUCCINO

KAFFE- OG CAPPUCCINOMASKINE

MANUALE DʼUSO

INSTRUCTIONS

MODE DʼEMPLOI

BEDIENUNGSANLEITUNG

GEBRUIKSAANWIJZINGEN

MANUAL DE INSTRUCCIONES

MANUAL DE INSTRUÇÕES

ΟΔΗΓΙΕΣ ΧΡΗΣΗΣ

ИНСТРУКЦИИ ПО ЭКСПЛУАТАЦИИ

UŽIVATELSKÁ PŘÍRUČKA

INSTRUKCJA OBSŁUGI

BRUKSANVISNING

BRUGERVEJLEDNING

"Загрузка инструкции" означает, что нужно подождать пока файл загрузится и можно будет его читать онлайн. Некоторые инструкции очень большие и время их появления зависит от вашей скорости интернета.

Краткое содержание

Страница 5 - ОГЛАВЛЕНИЕ; IАВТОМАТИЧЕСКОЕ ОСВЕЩЕНИЕ ПОДСТАВКИ

6 ОГЛАВЛЕНИЕ ВВЕДЕНИЕ ................................................7 Символы, используемые в настоящей инструкции ...7Буквы в скобках............................................................7Проблемы и ремонт .....................................................7 БЕЗОПАСНОСТЬ ....................

Страница 7 - Использование, соответствующее; ОПИСАНИЕ ПРИБОРА; Описание прибора

8 Опасность ожога! Этот прибор нагревает воду и, когда он работает, может появляться водяной пар. Проявляйте внимание, чтобы не попасть под брызгиводы или под струю горячего пара. Во время использо-вания не касайтесь нагретых частей прибора. Пользуй-тесь рукоятками или ручками. Внимание! Не опирайте...

Страница 8 - ПРЕДВАРИТЕЛЬНЫЕ ОПЕРАЦИИ; Контроль после транспортировки; АВТОМАТИЧЕСКОЕ ОСВЕЩЕНИЕ

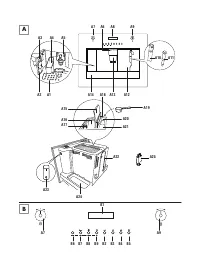
9 В2. Кнопка выбора вкуса кофеВ3. Кнопка выбора приготовления одной или двух маленьких чашек кофе В4. Кнопка выбора приготовления одной или двух нормальных чашек кофе В5. Кнопка выбора приготовления одной или двух больших чашек кофе В6. Кнопка MENU (МЕНЮ) для включения иливыключения режима установки...

Характеристики

Другие модели - Кофемашины Smeg

Все кофемашины Smeg