Страница 3 - УВАЖАЕМЫЙ ПОКУПАТЕЛЬ!; Компания «Ресанта» поздравляет Вас с приобретением данного
Ред.1 УВАЖАЕМЫЙ ПОКУПАТЕЛЬ! Компания «Ресанта» поздравляет Вас с приобретением данного продукта. Наша компания гарантирует высокое качество и безупречное функционирование приобретенного вами изделия, при соблюдении правил его эксплуатации. Мы всегда рады получить от Вас обратную связь по эксплуатаци...
Страница 4 - Оглавление; ВОЗМОЖНЫЕ НЕИСПРАВНОСТИ И СПОСОБЫ ИХ УСТРАНЕНИЯ 17
Оглавление 1. ОБЩИЕ СВЕДЕНИЯ. .............................................................................. 5 2. ПРАВИЛА БЕЗОПАСНОСТИ .................................................................. 6 3. КОМПЛЕКТНОСТЬ ..................................................................................
Страница 6 - ПРАВИЛА БЕЗОПАСНОСТИ
• Возможно каскадное подключение нескольких приборов, при соблюдении расстояний между обогревателями не менее 10 см. Внимание! При несоблюдении инструкций по безопасности и инструкций по эксплуатации данного оборудования фирма - производитель снимает с себя ответственность за несчастные случаи и пов...
Страница 7 - КОМПЛЕКТНОСТЬ
Ред.1 12. Не используйте данный обогреватель вблизи занавесок и воспламеняющихся материалов. 13. В случае, если используется терморегулятор и выключатель, то они должны быть расположены в легкодоступном месте и видимы с расстояния не менее 1м. 14. Если обогреватель не оборудован устройством контроля...
Страница 10 - Правила расположения обогревателя.; * При длительном нахождении в зоне обогрева.
испускают направленное инфракрасное излучение, нагревающее поверхности предметов. В моделях серии ИКО – Т излучение испускают непосредственно сами ТЭНы и V-образные отражатели. При этом температура на поверхности предметов будет различной в зависимости от их свойств (цвет, материал, формы и площади ...
Страница 12 - Схемы подключения обогревателей к стационарной проводке
При монтаже двух и более обогревателей должно быть обеспечено их параллельное подключение к стационарной проводке и установка кабелей и выключателя на общий суммарный ток и соответствующего автомата защиты. В стационарной проводке должно быть установлено средство для отсоединения от источника питани...
Страница 13 - зажимов с заземляющей жилой кабеля стационарной проводки.; Установка терморегулятора*
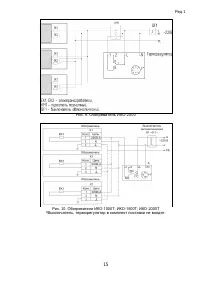
Ред.1 Рис. 7. Обогреватель ИКО-3000Т Внимание! При подключении обогревателя к электрической сети обратите особое внимание на выполнение надежного электрического соединения заземляющего контакта блока зажимов с заземляющей жилой кабеля стационарной проводки. 6.5 Установка терморегулятора* * Терморегу...
Страница 14 - Монтаж терморегулятора; после чего отключаются и не включаются до того момента, пока; Схемы подключения обогревателей к стационарной проводке
Наименование Максимальная сила тока, А Инфракрасный обогреватель ИКО-800 3.6 Инфракрасный обогреватель ИКО-1000 4.6 Инфракрасный обогреватель ИКО-1500 6.9 Инфракрасный обогреватель ИКО-2000 9.1 Инфракрасный обогреватель ИКО-1000Т 4.6 Инфракрасный обогреватель ИКО-1500Т 6.9 Инфракрасный обогреватель ...
Страница 16 - Эксплуатация прибора; из; Перед включением обогревателя, с целью исключения появления
Рис. 11. Обогреватель ИКО-3000Т *Выключатель, пускатель магнитный, терморегулятор в комплект поставки не входят. 6.6 Эксплуатация прибора Внимание! При первом включении обогревателя возможно появление характерного запаха дыма из - за сгорания масла с поверхности излучающих панелей. Рекомендуется пер...
Страница 17 - ТЕХНИЧЕСКОЕ ОБСЛУЖИВАНИЕ; Электрообогреватели практически не нуждается в обслуживании.; ВОЗМОЖНЫЕ НЕИСПРАВНОСТИ И СПОСОБЫ ИХ УСТРАНЕНИЯ; Неисправность; деталей и обрывом цепи, обращайтесь в сервисные центры «Ресанта»
Ред.1 7. ТЕХНИЧЕСКОЕ ОБСЛУЖИВАНИЕ Электрообогреватели практически не нуждается в обслуживании. Для его надежной работы необходимо выполнять следующие пункты: • При загрязнении, после выключения и остывания обогревателя, корпус протирать влажной тряпкой, а теплоизлучающую панель спиртом. • Проверять ...
Страница 20 - ГАРАНТИЙНЫЙ ТАЛОН; признан годным для эксплуатации.
11. ГАРАНТИЙНЫЙ ТАЛОН Инфракрасный обогреватель __________________________________________ № _____________________________________________________________ признан годным для эксплуатации. Дата продажи ___________________________________________________ Я покупатель/представитель фирмы ______________...
Страница 21 - СЕРВИСНЫЕ ЦЕНТРЫ
Ред.1 12. СЕРВИСНЫЕ ЦЕНТРЫ • Абакан , Молодежный квартал, 12/а, тел.: 8 (3902) 26-30-10, +7 908 326-30-10 • Астрахань , ул. Рыбинская, д.11, тел.: 8 (8512) 42-93-77. • Армавир , ул. Карла Либкнехта, д.68/5, тел.: +7 962 855-40-18. • Архангельск , Окружное шоссе, д.6, тел.: 8 (8182) 42-05-10. • Барна...